电脑桌面
添加小米粒文库到电脑桌面
安装后可以在桌面快捷访问

西门子PLC培训讲义4VIP专享VIP免费

西门子PLC培训讲义4_第1页
1/12
西门子PLC培训讲义4_第2页
2/12
西门子PLC培训讲义4_第3页
3/12
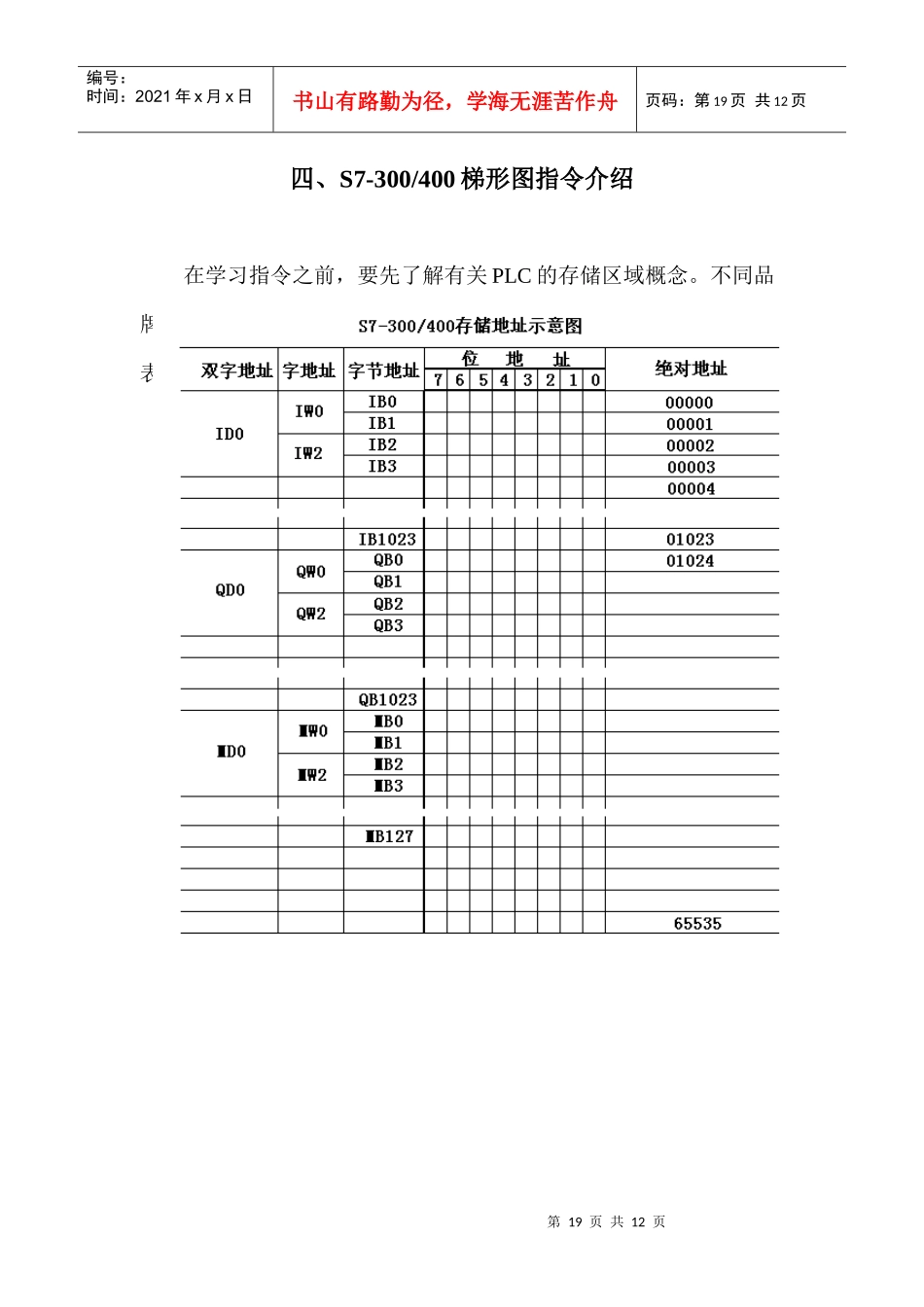
第19页共12页编号:时间:2021年x月x日书山有路勤为径,学海无涯苦作舟页码:第19页共12页四、S7-300/400梯形图指令介绍在学习指令之前,要先了解有关PLC的存储区域概念。不同品牌的PLC,梯形图指令均大同小异,但是,存储区的名字及地址的表示方法却差异很大。第20页共12页第19页共12页编号:时间:2021年x月x日书山有路勤为径,学海无涯苦作舟页码:第20页共12页西门子S7-300/400PLC的存储区域分为:输入映像区(I或PI):开关量输入DI模块的影射到I区,模拟量输入AI模块影射到PI区;这是只读区。输出映像区(Q或PQ):Q区写入与之对应的开关量输出DO模块,PQ区写入与之对应的模拟量输出AO模块;Q区可读/写,PQ只写,不可读。位存储区(M):又叫中间继电器,可读/写。DB块:用户定义的数据块,必须先定义后使用,可读/写。T区:计时器名。C区:计数器名。L区:这是局部数据区,上面提到的那些都是全局数据区。所谓全局数据区,就是所有的程序(OB块、FC、FB)都可以访问,而且访问到的是同一个变量;局部数据区则不然,每个独立的OB块、FC、FB块都有一个独立的L区,例如:OB1和FC1中都有L0.0,但它们却不是同一个变量。在STEP7的梯形图指令中,不同类型的常数的格式都有严格的规定。如byte、word和dword类型的常数,在输入时要以“16#”作为前缀,后面跟十六进制的数据;dint类型的数据在输入时要以“L#”作为前缀,后面跟十进制的数据;real类型的数据,在输入时,第21页共12页第20页共12页编号:时间:2021年x月x日书山有路勤为径,学海无涯苦作舟页码:第21页共12页后面一定要带小数部分,如没有小数部分,则加上“.0”;计时器的时间常数则以“S5T#”为前缀,后面加上aH_bbM_ccS_dddMS(表示:几小时_几分_几秒_几毫秒),“S5T#2.5S”表示2.5秒。STEP7中的变量,从是否使用符号的角度,可以分为符号名变量和地址名变量。地址名变量是以存储区域名为前缀,后面紧跟代表二进制长度的B、W、D(分别代表字节、字和双字),然后是起始字节的地址;位的地址名变量是存储区域名,加上位所在的字节地址,加“.”,加上位的序号。例如:IB0、IW0、ID0、I0.0;QB0、QW0、QD0、Q0.0;MB0、MW0、MD0、M0.0;LB0、LW0、LD0、L0.0;DB1.DBB0、DB1.DBW0、DB1.DBD0、DB1.DBX0.0。计时器变量名则以T加上一个0~max之间的数字来表示,如T0、T1等等。计数器变量名则以C加上一个0~max之间的数字来表示,如C0、C1等等。(注:max代表某型号的CPU所具有的最大数)建议大家尽量少用地址名变量,而使用符号名变量。符号名变量是可以通过符号编辑器(symboleditor)来建立,也可以直接在使用了地址名变量后,用鼠标右键点击它,在弹出菜单中,选择“编辑符号”来建立符号。在STEP7中,不仅可以为地址名变量建立符号名变量,还可以为组织块,功能块,功能,数据块建立符号名,并使用符号名来编写程序。一旦建立了符号名,在编写程序的过程中,系统会自动提示,以便我们正确输入变量。第22页共12页第21页共12页编号:时间:2021年x月x日书山有路勤为径,学海无涯苦作舟页码:第22页共12页L区的变量,是局域变量;在程序进入该块时,到该块结束的过程中,局域变量是稳定的,当程序再次进入时,该局域变量的内容是不可知的,系统可能覆盖了它。除此之外,其他存储区域的变量为全局变量,组织块、功能块、功能均可访问它们,系统不会改变它们的内容。梯形图是PLC最常用的编程语言,它与电气控制原理图有一点点相似,是比较容易学习和掌握的一种PLC编程语言。在STEP7的梯形图指令中,按照功能特点共分为如下十四大类指令:位逻辑指令、比较指令、类型转换指令、整数运算指令、实数运算指令、移动(赋值)指令、字逻辑运算指令、移位指令、定时器指令、计数器指令、DB块调用指令、跳转指令、程序控制指令和(CPU)状态位指令。4.1、位逻辑指令位逻辑指令说明:指令符号前面的“––”,是指令的输入,指令符号后面的“––”,是指令的输出。输入和输出都是BOOL类型,即只有“0”和“1”两种可能。梯形图的左边竖线表示“1”,连接线表示直接传导这个信号,传导是由左向右的。––||––常开触点(地址):本...

1、当您付费下载文档后,您只拥有了使用权限,并不意味着购买了版权,文档只能用于自身使用,不得用于其他商业用途(如 [转卖]进行直接盈利或[编辑后售卖]进行间接盈利)。
2、本站所有内容均由合作方或网友上传,本站不对文档的完整性、权威性及其观点立场正确性做任何保证或承诺!文档内容仅供研究参考,付费前请自行鉴别。
3、如文档内容存在违规,或者侵犯商业秘密、侵犯著作权等,请点击“违规举报”。

碎片内容

西门子PLC培训讲义4

确认删除?
VIP
微信客服
  • 扫码咨询
会员Q群
  • 会员专属群点击这里加入QQ群
客服邮箱
回到顶部