电脑桌面
添加小米粒文库到电脑桌面
安装后可以在桌面快捷访问

消防安全重点单位档案VIP专享VIP免费

消防安全重点单位档案_第1页
1/46
消防安全重点单位档案_第2页
2/46
消防安全重点单位档案_第3页
3/46
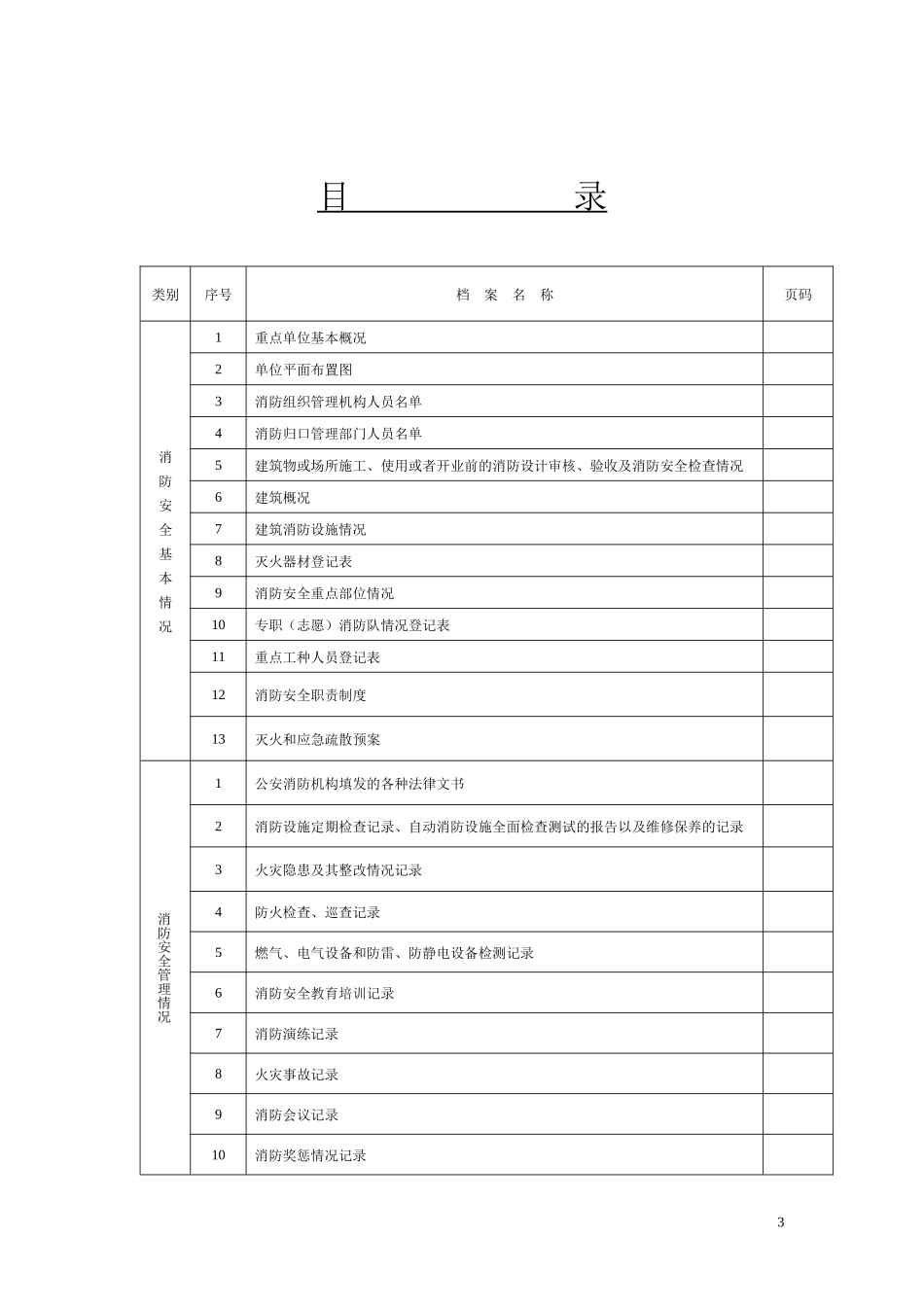
消防安全重点单位档案单位类别:单位名称:建档时间:监督单位:1说明一、根据公安部《机关、团体、企业、事业单位消防安全管理规定》有关规定,消防安全重点单位应建立消防档案,并报将消防安全基本情况部分报当地消防部门存档备查。二、档案必备资料,包括单位消防安全基本情况和消防安全管理情况。消防安全基本情况具体包含:(一)单位基本概况;(二)单位总平面图、疏散平面图;(三)消防安全重点部位情况;(四)建筑物或者场所施工、使用或者开业前的消防设计审核、消防验收以及消防安全检查的文件资料(五)出租房屋场地消防安全情况记录;(六)单位消防安全管理制度、操作规程登记;(七)自动消防设施情况;(八)重点工种、消防控制室操作人员登记表;(九)单位灭火应急疏散预案。消防安全管理情况具体包括:(一)日常消防监督执法的各种法律文书;(二)消防设施全面测试以及维护保养的记录;(三)消防监督检查记录;(四)消防安全重点单位动态监督管理情况登记表;(五)其他资料。三、档案应当详实,全面反映单位基本情况和消防监督动态管理情况,包括文字、材料、图表等。应当根据实际情况变化及时更新。四、各类表格、文书用黑墨水填写或打印,书写工整、清晰,各项内容完整、准确。各类表格、文书填写核对无误后应当及时归档。五、消防安全基本情况根据单位情况根部单位变动随时调整,消防安全管理情况应按照年度整理成册;2目录类别序号档案名称页码消防安全基本情况1重点单位基本概况2单位平面布置图3消防组织管理机构人员名单4消防归口管理部门人员名单5建筑物或场所施工、使用或者开业前的消防设计审核、验收及消防安全检查情况6建筑概况7建筑消防设施情况8灭火器材登记表9消防安全重点部位情况10专职(志愿)消防队情况登记表11重点工种人员登记表12消防安全职责制度13灭火和应急疏散预案消防安全管理情况1公安消防机构填发的各种法律文书2消防设施定期检查记录、自动消防设施全面检查测试的报告以及维修保养的记录3火灾隐患及其整改情况记录4防火检查、巡查记录5燃气、电气设备和防雷、防静电设备检测记录6消防安全教育培训记录7消防演练记录8火灾事故记录9消防会议记录10消防奖惩情况记录311其他消防安全基本情况单位基本情况制表时间:单位名称地址电话法定代表人单位性质消防安全责任人姓名消防安全管理人姓名职务职务电话电话日常联系人电话固定资产(万元)年总产值(万元)4占地面积(㎡)总建筑面积(㎡)职工人数志愿消防队人数自动消防设施情况所属地区派出所上级主管单位营业时最大人数(人)燃气类型电力负荷等级220V()380V()用电设备负荷(Kw)市政进水管数量(根)/管径(mm)消火栓数量(个)/口径(mm)室内消防水池容量(m3)室外备注单位(总)平面图5消防组织管理机构人员名单6制表时间:消防安全责任人姓名职务联系电话是否经过专门消防培训(是)(否)消防安全管理人姓名职务联系电话是否经过专门消防培训(是)(否)部门负责人姓名负责部门联系电话备注:后附工商营业执照、消防安全管理人任命文件等消防归口管理部门人员名单7制表时间:归口管理职能部门归口管理职能部门责任人专兼职消防管理人姓名岗位是否经过专门消防培训(是)(否)(是)(否)(是)(否)(是)(否)(是)(否)(是)(否)(是)(否)(是)(否)(是)(否)其他需要说明的情况建筑物或场所施工、使用或者开业前的8消防设计审核、验收及消防安全检查情况资料填制时间:文件名称发文机关文件(文书)编号发文日期注:有关文件资料的原件附在该页之后民用建筑概况9填制时间:建筑物名称建造时间总建筑面积(m2)建筑物占地面积(m2)建筑高度(m)标准层面积(m2)地上层面积(m2)地下层面积(m2)地上(层)地下(层)(m2)各楼层使用情况建筑结构耐火等级建筑物内同一时间可容纳最大人数防火卷帘数量(扇)消防电梯数量消防电梯分别所在位置防火门类型(甲级防火门)(乙级防火门)(丙级防火门)防火门数量(扇)是否有消防设施系统消防设施具体情况类型是否设置是否独立从属于毗邻建筑的性质及情况备注:此表一栋建筑填写一份10工业建筑概况...

1、当您付费下载文档后,您只拥有了使用权限,并不意味着购买了版权,文档只能用于自身使用,不得用于其他商业用途(如 [转卖]进行直接盈利或[编辑后售卖]进行间接盈利)。
2、本站所有内容均由合作方或网友上传,本站不对文档的完整性、权威性及其观点立场正确性做任何保证或承诺!文档内容仅供研究参考,付费前请自行鉴别。
3、如文档内容存在违规,或者侵犯商业秘密、侵犯著作权等,请点击“违规举报”。

碎片内容

消防安全重点单位档案

确认删除?
VIP
微信客服
  • 扫码咨询
会员Q群
  • 会员专属群点击这里加入QQ群
客服邮箱
回到顶部