电脑桌面
添加小米粒文库到电脑桌面
安装后可以在桌面快捷访问

某中型制造业技术主管岗位说明书及KPI指标VIP免费

某中型制造业技术主管岗位说明书及KPI指标_第1页
1/4
某中型制造业技术主管岗位说明书及KPI指标_第2页
2/4
某中型制造业技术主管岗位说明书及KPI指标_第3页
3/4
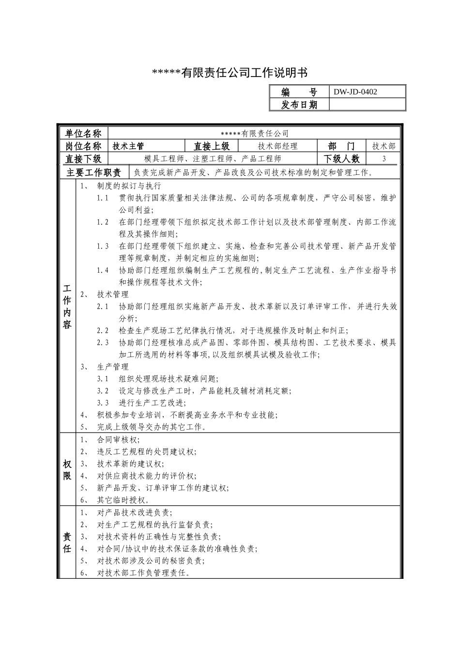
*****有限责任公司工作说明书编号DW-JD-0402发布日期单位名称*****有限责任公司岗位名称技术主管直接上级技术部经理部门技术部直接下级模具工程师、注塑工程师、产品工程师下级人数3主要工作职责负责完成新产品开发、产品改良及公司技术标准的制定和管理工作。工作内容1、制度的拟订与执行1.1贯彻执行国家质量相关法律法规、公司的各项规章制度,严守公司秘密,维护公司利益;1.2在部门经理带领下组织拟定技术部工作计划以及技术部管理制度、内部工作流程及其操作细则;1.3在部门经理带领下组织建立、实施、检查和完善公司技术管理、新产品开发管理等规章制度,并制定相应的实施细则;1.4协助部门经理组织编制生产工艺规程的,制定生产工艺流程、生产作业指导书和操作规程等技术文件;2、技术管理2.1协助部门经理组织实施新产品开发、技术革新以及订单评审工作,并进行失效分析;2.2检查生产现场工艺纪律执行情况,对于违规操作及时制止和纠正;2.3协助部门经理核准总成产品图、零部件图、模具结构图、工艺技术要求、模具加工所选用的材料等事项,以及组织模具试模及验收工作;3、生产管理3.1组织处理现场技术疑难问题;3.2设定与修改生产工时,产品能耗及辅材消耗定额;3.3进行生产工艺改进;4、积极参加专业培训,不断提高业务水平和专业技能;5、完成上级领导交办的其它工作。权限1、合同审核权;2、违反工艺规程的处罚建议权;3、技术革新的建议权;4、对供应商技术能力的评价权;5、新产品开发、订单评审工作的建议权;6、其它临时授权。责任1、对产品技术改进负责;2、对生产工艺规程的执行监督负责;3、对技术资料的正确性与完整性负责;4、对合同/协议中的技术保证条款的准确性负责;5、对技术部涉及公司的秘密负责;6、对技术部工作负管理责任。任职资格性别不限年龄30岁以上资格证工程师学历大专及以上专业机械制造等相关专业经验具有五年及以上相关工作经验。知识1、熟悉:**、注塑、机加等技术、质量管理相关知识2、了解:**产品生产以及模具制造知识技能具有良好的协调沟通能力。职业道德廉洁、敬业、严谨;责任心强、品行端正。技术主管绩效指标关键业绩指标定义权重数据来源工作计划完成率(实际完成计划工作项数/计划项数)×10050%分管领导上级满意度上级评价30%分管领导新产品、模具开发费用控制实际低于预算时,得100分;实际超出预算时,[1-(实际-预算)/预算]×10020%财务部管理指标说明评价人管理制度及工作流程的执行1.违反公司管理制度及工作流程,扣1分/次;2.违反公司管理制度及工作流程,且给公司造成损失,直接责任扣5分及以上,间接责任扣2~5分技术部经理重大生产问题解决未及时(1~2小时内)提出解决重大生产问题的技术方案,扣10分以上/次技术部经理工艺技术文件编制与工艺改进按计划编制工艺技术文件与工艺改进文件,若延误扣2~5分/日技术部经理现场技术指导在生产现场出现技术疑难问题时,未组织处理、及时提出合理的解决方案,扣2~5分/次;技术部经理工艺纪律检查检查生产现场工艺纪律执行情况时,对违规操作未立即制止和纠正,扣2~5分/次;技术部经理新产品开发1.工作效率非常高,有创新或突出表现,加2-5分/次;2.开发的新产品为公司带来可观效益加2~5分/次;3.工艺改进,提高产品质量,降低成本加2~5分/次。技术部经理图纸资料准确性技术图纸资料不准确扣2~5分/处技术部经理技术资料管理按公司技术资料管理相关规定妥善保管技术资料,若经抽查发现技术资料管理与公司规定不符,扣2~5分/次,若因管理不善造成技术资料遗失,扣5-10分/次,资料外泄10分以上/份技术部经理绩效管理制度执行绩效管理制度执行不严格,对下级的考核不公正、不客观,扣2~5分/次行政人事部上级交办的其它工没有及时完成或上级对完成情况不满意扣1~5分/次技术部经理作内部客户满意度因工作原因被公司同事或客户投诉,经查实,视情节轻重,扣2~5分/次技术部经理合理化建议凡提出合理化建议被采纳在部门中实施的可酌情加2~5分/次,在公司实施的加5~10分/次业绩管理小组奖励项目工作效率非常高,有创新或有突出表现时,加5~10分/次,具体包括但不限于以下...

1、当您付费下载文档后,您只拥有了使用权限,并不意味着购买了版权,文档只能用于自身使用,不得用于其他商业用途(如 [转卖]进行直接盈利或[编辑后售卖]进行间接盈利)。
2、本站所有内容均由合作方或网友上传,本站不对文档的完整性、权威性及其观点立场正确性做任何保证或承诺!文档内容仅供研究参考,付费前请自行鉴别。
3、如文档内容存在违规,或者侵犯商业秘密、侵犯著作权等,请点击“违规举报”。

碎片内容

某中型制造业技术主管岗位说明书及KPI指标

您可能关注的文档

确认删除?
VIP
微信客服
  • 扫码咨询
会员Q群
  • 会员专属群点击这里加入QQ群
客服邮箱
回到顶部