电脑桌面
添加小米粒文库到电脑桌面
安装后可以在桌面快捷访问

节能施工方案培训资料(doc 42页)VIP免费

节能施工方案培训资料(doc 42页)_第1页
1/44
节能施工方案培训资料(doc 42页)_第2页
2/44
节能施工方案培训资料(doc 42页)_第3页
3/44
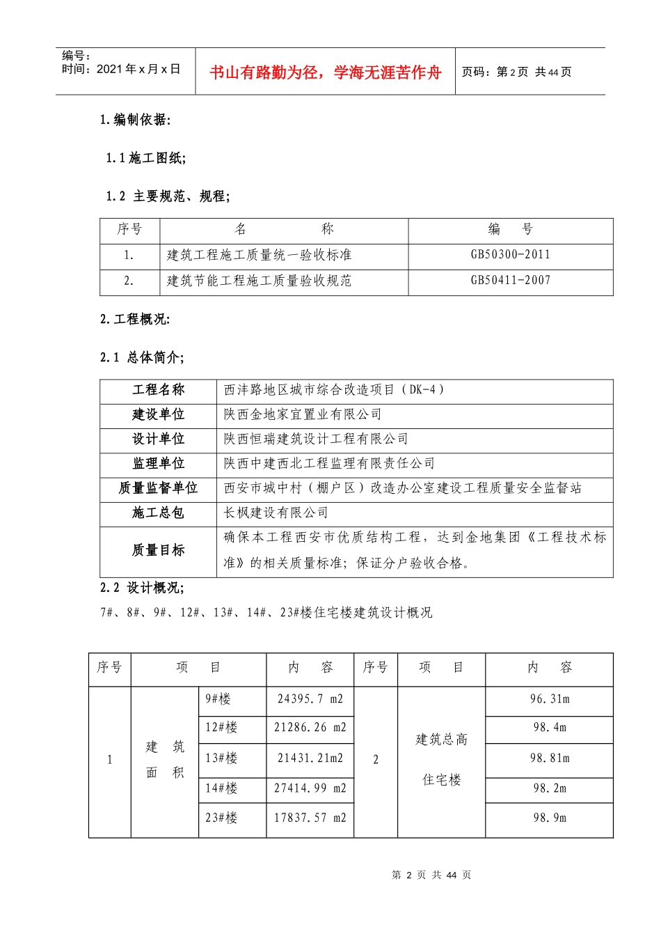
第1页共44页编号:时间:2021年x月x日书山有路勤为径,学海无涯苦作舟页码:第1页共44页目录1.编制依据:21.1施工图纸:21.2主要规范、规程.....................................................................................................................22.工程概况:32.1总体简介:32.2设计概况:............................................................................................................................32.3.主要工程材料概况.................................................................................................................43.施工部署:53.1建筑节能工程技术质量管理体系...........................................................................................53.2质量保证体系..........................................................................................................................63.3本工程采用的建筑节能措施:.............................................................................................114.施工部署114.1劳动力配置.........................................................................................................................114.2.主要机械及工具一览表.........................................................................................................114.3保温主要材料计划表..............................................................................................................125、主要施工方法125.1、EPS板外墙体节能工程........................................................................................................125.2聚苯板屋面节能工程..............................................................................................................275.3、门窗节能工程.......................................................................................................................305.4.地下室顶板节能工程.............................................................................................................345.5、不采暖区隔墙保温节能工程—抹20厚胶粉聚苯颗粒保温浆料......................................385.5.采暖节能工程.......................................................................................................................415.6.配电与照明节能工程.............................................................................................................42第2页共44页第1页共44页编号:时间:2021年x月x日书山有路勤为径,学海无涯苦作舟页码:第2页共44页1.编制依据:1.1施工图纸;1.2主要规范、规程;序号名称编号1.建筑工程施工质量统一验收标准GB50300-20112.建筑节能工程施工质量验收规范GB50411-20072.工程概况:2.1总体简介;工程名称西沣路地区城市综合改造项目(DK-4)建设单位陕西金地家宜置业有限公司设计单位陕西恒瑞建筑设计工程有限公司监理单位陕西中建西北工程监理有限责任公司质量监督单位西安市城中村(棚户区)改造办公室建设工程质量安全监督站施工总包长枫建设有限公司质量目标确保本工程西安市优质结构工程,达到金地集团《工程技术标准》的相关质量标准;保证分户验收合格。2.2设计概况;7#、8#、9#、12#、13#、14#、23#楼住宅楼建筑设计概况序号项目内容序号项目内容1建筑面积9#楼24395.7m22建筑总高住宅楼96.31m12#楼21286.26m298.4m13#楼21431.21m298.81m14#楼27414.99m2m298.2m23#楼17837.57m298.9m第3页共44页第2页共44页编号:时间:2021年x月x日书山有路勤为径,学海无涯苦作舟页码:第3页共44页7#、8#楼1291.85m2建筑总高度7.8m3节能设计屋面保温层为100厚EPS板(B2级)外墙外墙外保温层为55厚EPS板(B2级)外窗中空玻璃塑料窗不采暖区隔墙外粉20厚胶粉EPS颗粒...

1、当您付费下载文档后,您只拥有了使用权限,并不意味着购买了版权,文档只能用于自身使用,不得用于其他商业用途(如 [转卖]进行直接盈利或[编辑后售卖]进行间接盈利)。
2、本站所有内容均由合作方或网友上传,本站不对文档的完整性、权威性及其观点立场正确性做任何保证或承诺!文档内容仅供研究参考,付费前请自行鉴别。
3、如文档内容存在违规,或者侵犯商业秘密、侵犯著作权等,请点击“违规举报”。

碎片内容

节能施工方案培训资料(doc 42页)

您可能关注的文档

确认删除?
VIP
微信客服
  • 扫码咨询
会员Q群
  • 会员专属群点击这里加入QQ群
客服邮箱
回到顶部