电脑桌面
添加小米粒文库到电脑桌面
安装后可以在桌面快捷访问

第2章、工程概述VIP免费

第2章、工程概述_第1页
1/4
第2章、工程概述_第2页
2/4
第2章、工程概述_第3页
3/4
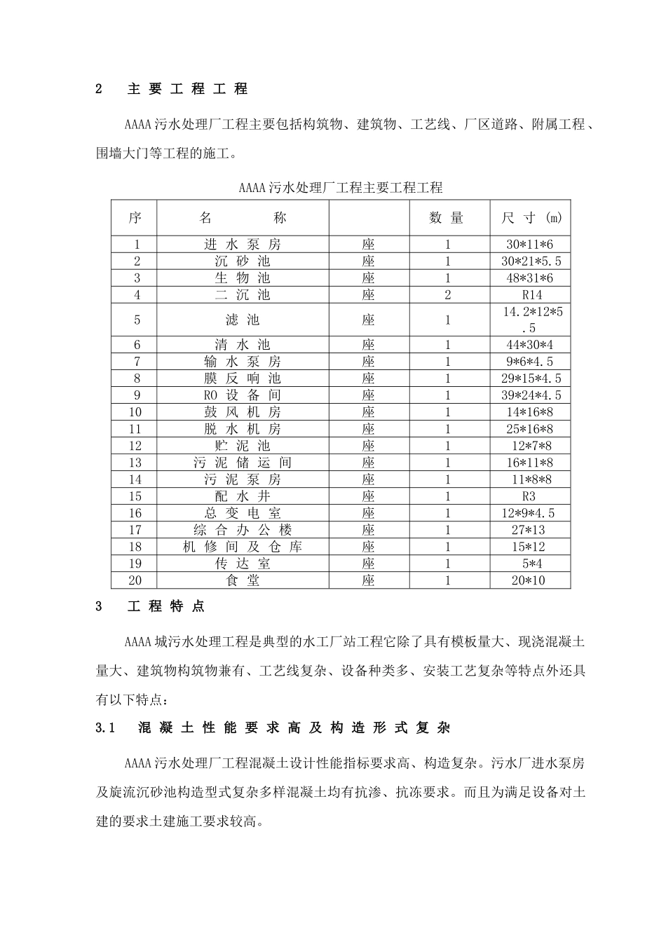
第二章工程概述1工程概述.....................................................................................................91.1概述............................................................................................................91.2规模及位置.........................................................................................92主要工程工程.........................................................................................93工程特点..................................................................................................103.1混凝土性能要求高及构造形式复杂......................103.2工艺线种类繁多.........................................................................103.3穿插作业多.....................................................................................114我组织施工的优势.........................................................................114.1技术优势............................................................................................114.2人才优势............................................................................................114.3资源优势............................................................................................124.4有完善的维修效劳体系.....................................................124.5前瞻性的施工理念..................................................................121工程概述1.1概述AAAA城污水处理工程厂址位于AAA西南约3km处下堡头村东侧李店铺村西南南距盐湖约2km距运〔城〕永〔济〕公路及盐化专用铁路l00m左右处于AAA城规划的三类工业区内。厂址北侧500m有南同浦铁路通过南同浦铁路的店坡火车站在厂址西南侧约3km南同浦铁道路北侧姚暹渠由东向西流过。厂址东北侧距AAA污水处理厂约2.1km约3.8km处有AAA火车站。1.2规模及位置根据AAAA城污水处理工程的总体平面布置AAA西南约3km处下堡头村东侧李店铺村西南南距盐湖约2km距运〔城〕永〔济〕公路及盐化专用铁路l00m左右处于AAA城规划的三类工业区内。日处理城污水4万立方米其中电厂循环水补充水3万立方米其余达标排放。2主要工程工程AAAA污水处理厂工程主要包括构筑物、建筑物、工艺线、厂区道路、附属工程、围墙大门等工程的施工。AAAA污水处理厂工程主要工程工程序名称数量尺寸(m)1进水泵房座130*11*62沉砂池座130*21*5.53生物池座148*31*64二沉池座2R145滤池座114.2*12*5.56清水池座144*30*47输水泵房座19*6*4.58膜反响池座129*15*4.59RO设备间座139*24*4.510鼓风机房座114*16*811脱水机房座125*16*812贮泥池座112*7*813污泥储运间座116*11*814污泥泵房座111*8*815配水井座1R316总变电室座112*9*4.517综合办公楼座127*1318机修间及仓库座115*1219传达室座15*420食堂座120*103工程特点AAAA城污水处理工程是典型的水工厂站工程它除了具有模板量大、现浇混凝土量大、建筑物构筑物兼有、工艺线复杂、设备种类多、安装工艺复杂等特点外还具有以下特点:3.1混凝土性能要求高及构造形式复杂AAAA污水处理厂工程混凝土设计性能指标要求高、构造复杂。污水厂进水泵房及旋流沉砂池构造型式复杂多样混凝土均有抗渗、抗冻要求。而且为满足设备对土建的要求土建施工要求较高。3.2工艺线种类繁多AAAA污水处理厂工程厂区内线工程为综合线工程包括各种工艺线、雨污水、电力等多种线。在进展线施工时一定要组织好线施工的先后顺序合理安排好各种线的穿插作业。3.3穿插作业多AAAA污水处理厂工程包括构筑物、建筑物、综合线、道路的施工。为确保在要求的工内完成施工任务需要进展大量的穿插作业这就要求施工具有综合的施工作业才能和丰富的施工经历。4我组织施工的优势我是具有政公用工程施工总承包一级和机电设备安装工程专业承包一级资质的大型股份制企业擅长组织综合工程的施工先后承建过北京西客站热力线安装工程、北京地铁复八线...

1、当您付费下载文档后,您只拥有了使用权限,并不意味着购买了版权,文档只能用于自身使用,不得用于其他商业用途(如 [转卖]进行直接盈利或[编辑后售卖]进行间接盈利)。
2、本站所有内容均由合作方或网友上传,本站不对文档的完整性、权威性及其观点立场正确性做任何保证或承诺!文档内容仅供研究参考,付费前请自行鉴别。
3、如文档内容存在违规,或者侵犯商业秘密、侵犯著作权等,请点击“违规举报”。

碎片内容

第2章、工程概述

确认删除?
VIP
微信客服
  • 扫码咨询
会员Q群
  • 会员专属群点击这里加入QQ群
客服邮箱
回到顶部