电脑桌面
添加小米粒文库到电脑桌面
安装后可以在桌面快捷访问

施工现场防火与防爆安全技术措施VIP免费

施工现场防火与防爆安全技术措施_第1页
1/6
施工现场防火与防爆安全技术措施_第2页
2/6
施工现场防火与防爆安全技术措施_第3页
3/6
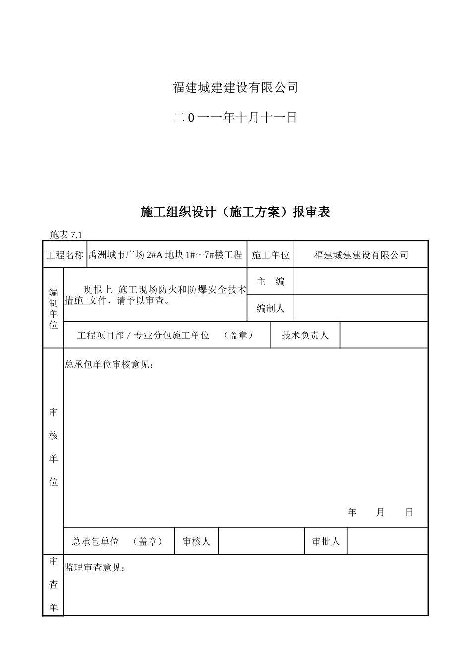
施工现场防火和防爆施工现场防火和防爆安全技术措施安全技术措施工程名称:禹洲城市广场2#A地块1#~7#楼工程建设单位:禹洲地产(泉州)有限公司福建城建建设有限公司二0一一年十月十一日施工组织设计(施工方案)报审表施表7.1工程名称禹洲城市广场2#A地块1#~7#楼工程施工单位福建城建建设有限公司编制单位现报上施工现场防火和防爆安全技术措施文件,请予以审查。主编编制人工程项目部/专业分包施工单位(盖章)技术负责人审核单位总承包单位审核意见:年月日总承包单位(盖章)审核人审批人审查单监理审查意见:位监理审查结论:□同意实施□修改后报□重新编制监理单位(盖章)专业监理工程师日期:总监理工程师日期:目录一、编制依据二、工程概况三、防火防爆安全管理四、防火防爆领导小组及义务消防队名单五、施工现场防火防爆安全技术措施一、编制依据:1、根据厦门合道工程设计集团有限公司设计的禹州城市广场2#A地块5#、6#、7#楼工程施工图纸;2、《建筑施工安全检查标准》JGJ59-99。二、工程概况:本工程总建筑面积为59422.7m2,其中5#楼建筑面积为13064.98m2,6#、7#楼建筑面积为46357.72m2。结构体系为现浇钢筋砼剪力墙结构,基础为高强预应力管桩或人工挖孔桩。建筑物层数为地下一层、地上三十二层,地下一层层高为4.4m~5.7m,一层层高为4.5m,二层层高为3.0m,三层~三十二层层高均为2.9m;建筑物高度(室外地面至主屋面檐口的高度)5#楼为93.65m,6#、7#楼均为94.65m。三、防火防爆安全管理:施工现场必须坚持“预防为主,防消结合”的方针,坚持“管生产必须管安全”的原则。四、防火防爆领导小组及义务消防队名单:组长:王建安副组长:程建国程世波组员:付祥定陈山扬郑超福程建聪王新治五、施工现场防火防爆安全技术措施:1、建立健全防火安全生产责任制、群防群治制度、施工现场动火审批制度、现场动火监护制度、消防安全检查制度。2、各个作业班组配备一名义务消防员,每作业班都应有防火人员巡查细看。3、定期开展防火安全措施、设施和器材安全检查,及时消除火险隐患。4、按规定落实各项防火安全措施费用,做到费用专款专用并建立台帐。5、定期对施工现场管理人员和作业人员进行防火安全生产教育培训。6、制定施工现场消防设施平面布置图,建立防火安全应急救援系统,编制防火应急救援预案,并定期组织消防应急救援演练。7、工地的主要出入车道的宽度为6m,净高为4.5m,其它消防车道的宽度≥4m,当临时消防车道上空遇有障碍物时,路面与障碍物之间的净空≥4m。临时消防车道要确保畅通,在临时消防车道上禁止堆物、堆料或停放车辆。8、临时消防给水系统须配置两台(一用一备)加压设备,加压设备选型应根据用水量及总压确定,加压水泵的流量每小时应不小于36m3,加压水泵扬程不小于130m,加压水泵采用自灌式吸水,其电源采用专用供电回路,加压水泵每个月应试运转1-2次;加压水泵控制箱应靠近值班室,值班室应有专人值班,每支水枪的有效射程应不小于13m,系统最高点自救水枪接口处的水压应不小于0.15兆帕(1.5公斤)。系统总进水口即加压设备出口处应安装止回阀,止回阀后设一个消防结合器及卸压装置,结合器高度为1.1m;系统最高点应安装一个压力表;9、消防立管管材应选用镀锌钢管,管径应不小于50mm,消防立管宜沿外墙柱敷设,布设位置应保证消防车能够靠近。10、消防水源应满足火灾延续时间内消防用水量的要求,消防水池的有效容积应不小于10m3,水池深度均应不低于1.2m;临时消防用水的总管管径应不小于100mm;消防水池的水位应定期检查,水量应有保证,消防水池内泥沙、杂物应及时清理。11、施工现场入口处、临时用电设施、脚手架、出入通道口、楼梯口以及存放易燃易爆危险物品等部位,应设置明显的符合国家标准的消防安全警示标志。12、施工现场必须建立使用明火及电、气焊作业审批制度,并严格履行施工现场动火申请审批手续。进行电、气焊作业的人员应经建设主管部门考核合格,取得建筑施工特种作业人员操作资格证书后,方可上岗从事作业。13、作业人员使用明火,应当清除周围可燃物及其他易燃危险物资,并按规定配备充足的灭火器材。专职安全员...

1、当您付费下载文档后,您只拥有了使用权限,并不意味着购买了版权,文档只能用于自身使用,不得用于其他商业用途(如 [转卖]进行直接盈利或[编辑后售卖]进行间接盈利)。
2、本站所有内容均由合作方或网友上传,本站不对文档的完整性、权威性及其观点立场正确性做任何保证或承诺!文档内容仅供研究参考,付费前请自行鉴别。
3、如文档内容存在违规,或者侵犯商业秘密、侵犯著作权等,请点击“违规举报”。

碎片内容

施工现场防火与防爆安全技术措施

确认删除?
VIP
微信客服
  • 扫码咨询
会员Q群
  • 会员专属群点击这里加入QQ群
客服邮箱
回到顶部