电脑桌面
添加小米粒文库到电脑桌面
安装后可以在桌面快捷访问

福建八方拓福仓储物流中心工程监理月报VIP免费

福建八方拓福仓储物流中心工程监理月报_第1页
1/6
福建八方拓福仓储物流中心工程监理月报_第2页
2/6
福建八方拓福仓储物流中心工程监理月报_第3页
3/6
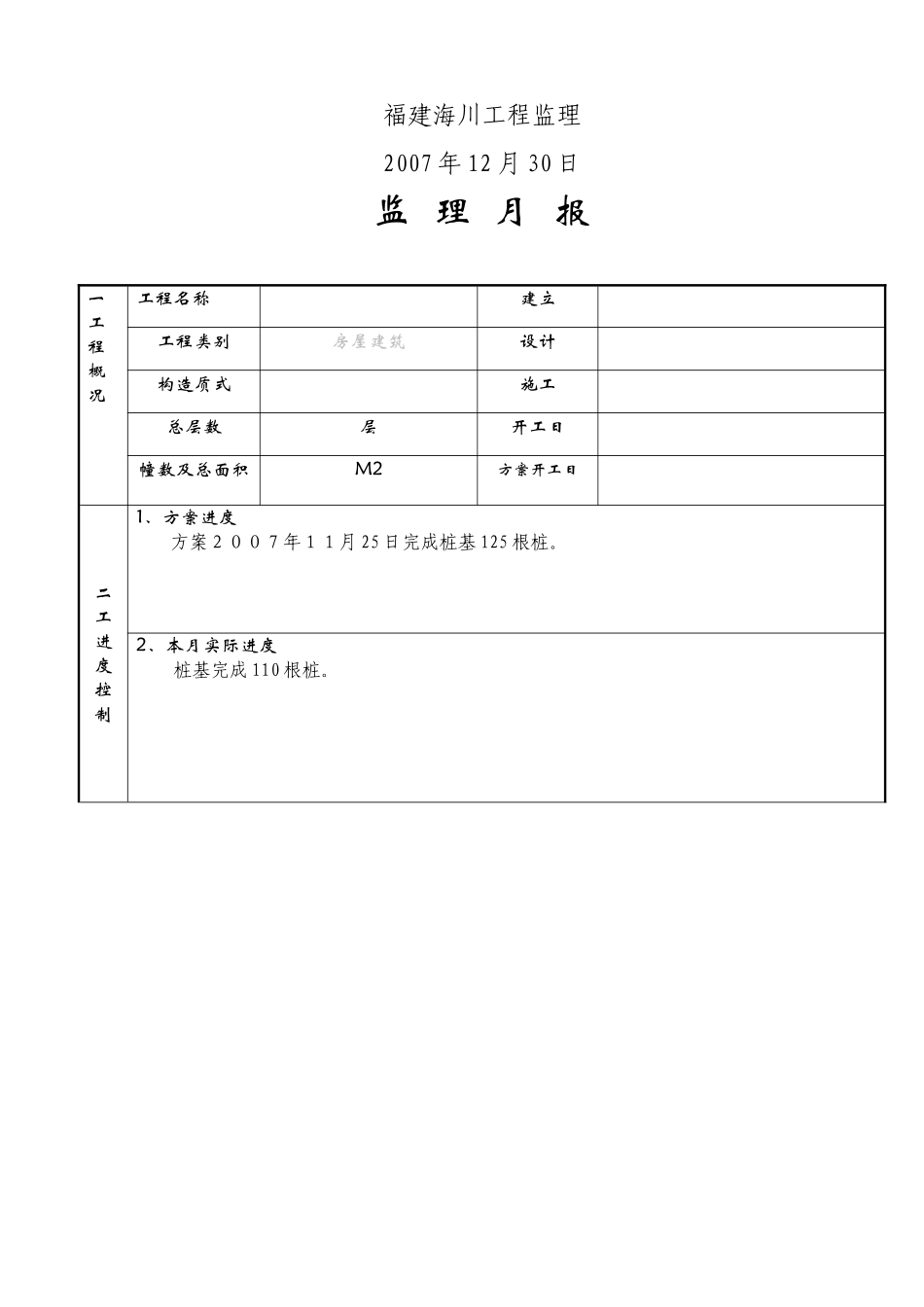
海川监理编:HC--福建八方拓福仓储物流中心工程监理月报第〔二〕年度月份:编制人:总监理工程师:福建海川工程监理2007年12月30日监理月报一工程概况工程名称建立工程类别房屋建筑设计构造质式施工总层数层开工日幢数及总面积M2方案开工日二工进度控制1、方案进度方案2007年11月25日完成桩基125根桩。2、本月实际进度桩基完成110根桩。3、方案与实际进度比照及采取的措施效果分析比照:原方案11月25日完成桩基125根桩实际至11月30日才完成110根桩预计12月2日全部完成延误工7天。措施:①审查专项方案;②工地例会专题会议协调;③及时以口头及书面施工对存在的质量问题进展整改复检合格后方进入下道工序施工;④旁站、巡视桩基施工全过程。效果:与方案比工已滞后。三工程质量控制1、本月工程质量情况:桩基预应力桩施工110根桩施工质量符合设计及标准要求。2、本月采取的工程质量措施及效果:措施:①审查专项方案;②工地例会专题会议协调;③及时以口头及书面施工对存在的质量问题进展整改复检合格后方进入下道工序施工;④旁站、巡视桩基施工全过程。效果:质量符合合同规定。四工程造价控制1、工程造价审核支付情况:本月无工程款支付。2、工程造价控制所采取措施及效果:措施:①编制〈监理细那么〉②严格审查签证;③预防索赔;④熟悉合同条款。效果:造价控制在方案内。五平1、本月平安文明施工情况:工地无发生平安事故文明施工根本正常。安文明控制2、本月采取平安控制措施及效果分析:措施:①审查平安专项方案编制平安监理细那么;②检查施工中存在的平安隐患及时发出监理;③在工地例会中对平安隐患要求整改。效果:工地未发生平安问题。同理1、工程变更2007-12-14收到设计修改书一份内容:桩位调整及补桩、预埋螺栓构造图2、工程延本月无工程延。3、费用索赔本月无费用索赔七本月监理工作总结1、对本月进度、质量、工程款支付等方面情况的综合评价:进度方案延误7天;桩基施工质量符合设计及标准要求。2、本月监理工作情况:①审查资质、人员资质;②施工过程中检查理人员到岗、特殊工种人员持证上岗;③对桩的外观观质量,型,几何尺寸及规格,进展重点检查,在施工过程中,对桩的垂直度,焊接的饱满度,连续性,砍送桩长度,配桩情况,终压力等进展全程旁站。3、有关本工程的和建议(1)施工工程部召集施工员、施工班组长再次进展技术交底强调工程质量的重要性以进步班组质量与平安意识。(2)加强施工理制定奖罚措施。(3)合理安排各工序的施工加强桩供给理工作加快工程进度争取把延误的工赶上来。⑷钢构造制作的图纸会审及技术交底制作安装过程材料见证送检及旁站工作。4、下月监理工作的重点①继续旁站监视桩基施工;②桩静载及动测试验的见证工作桩基验收;③原材料见证送检;④承台、地梁的土方开挖及截面尺寸、标高复核成品保护;⑤承台、地梁钢筋、摸板、砼施工监控;⑥钢构造厂家考察、图纸技术交底及会审;⑦临时用电框架搭设围挡搭设;⑧催促施工尽快进场组织施工。附表一本月监理工作统计序工程名称本累计幢幢幢幢幢幢1工地会议次2审批施工组织设计方案次3提出建议和次审批施工进度方案条4发出监理质量次平安次5审定分包家6原材料审批件7构配件审批件8设备审批件9分项工程质量验评项10分部工程质量验评项11工程质量整理次12监理抽查、复试次13监理见证取样次14考察设备消费厂家次15发出部份工程暂停次16提出合理化建议条17业主采纳合理化建议条

1、当您付费下载文档后,您只拥有了使用权限,并不意味着购买了版权,文档只能用于自身使用,不得用于其他商业用途(如 [转卖]进行直接盈利或[编辑后售卖]进行间接盈利)。
2、本站所有内容均由合作方或网友上传,本站不对文档的完整性、权威性及其观点立场正确性做任何保证或承诺!文档内容仅供研究参考,付费前请自行鉴别。
3、如文档内容存在违规,或者侵犯商业秘密、侵犯著作权等,请点击“违规举报”。

碎片内容

福建八方拓福仓储物流中心工程监理月报

您可能关注的文档

确认删除?
VIP
微信客服
  • 扫码咨询
会员Q群
  • 会员专属群点击这里加入QQ群
客服邮箱
回到顶部