电脑桌面
添加小米粒文库到电脑桌面
安装后可以在桌面快捷访问

国贸中心钢筋工程方案VIP免费

国贸中心钢筋工程方案_第1页
1/53
国贸中心钢筋工程方案_第2页
2/53
国贸中心钢筋工程方案_第3页
3/53
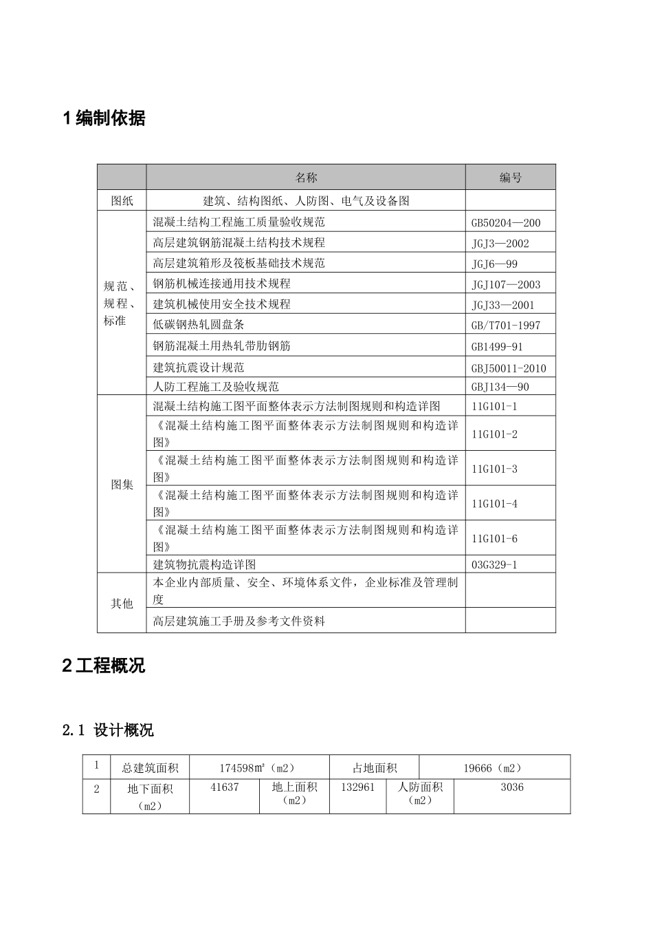
目录1编制依据.................................................................12工程概况.................................................................12.1设计概况.............................................................12.2设计图................................................................33施工安排.................................................................33.1施工部位及结构施工工期安排..........................................33.2劳动力组织及职责分工................................................34施工准备.................................................................54.1技术准备............................................................54.2材料及机具准备......................................................55主要施工方法.............................................................65.1分区、流水施工段的划分..............................................65.2钢筋加工............................................................65.3钢筋保护层..........................................................95.4钢筋的直螺纹套筒连接...............................................105.5钢筋的电渣压力焊连接...............................................105.6钢筋的绑扎连接.....................................................136质量标准................................................................466.1质量要求...........................................................476.2允许偏差和检查方法.................................................476.3钢筋验收方法.......................................................487注意事项................................................................487.1成品保护措施.......................................................487.2安全保证措施.......................................................481编制依据名称编号图纸建筑、结构图纸、人防图、电气及设备图规范、规程、标准混凝土结构工程施工质量验收规范GB50204—200高层建筑钢筋混凝土结构技术规程JGJ3—2002高层建筑箱形及筏板基础技术规范JGJ6—99钢筋机械连接通用技术规程JGJ107—2003建筑机械使用安全技术规程JGJ33—2001低碳钢热轧圆盘条GB/T701-1997钢筋混凝土用热轧带肋钢筋GB1499-91建筑抗震设计规范GBJ50011-2010人防工程施工及验收规范GBJ134—90图集混凝土结构施工图平面整体表示方法制图规则和构造详图11G101-1《混凝土结构施工图平面整体表示方法制图规则和构造详图》11G101-2《混凝土结构施工图平面整体表示方法制图规则和构造详图》11G101-3《混凝土结构施工图平面整体表示方法制图规则和构造详图》11G101-4《混凝土结构施工图平面整体表示方法制图规则和构造详图》11G101-6建筑物抗震构造详图03G329-1其他本企业内部质量、安全、环境体系文件,企业标准及管理制度高层建筑施工手册及参考文件资料2工程概况2.1设计概况1总建筑面积174598㎡(m2)占地面积19666(m2)2地下面积(m2)41637地上面积(m2)132961人防面积(m2)3036层数地下3层地上25层(1#楼)地上29层(2#楼)地上24层(3#楼)裙楼4层、6层3层高(m)地下3层~地下1层3.9m(4.85)首层1#楼、2#楼:5.8m3#楼:5.6m二层~三层1#楼、2#楼:5.1m3#楼:5.6m四层1#楼:5.1m2#楼:5.4m3#楼:5.1m标准层1#楼:3.9m2#楼:3.1m3#楼:3.6m4结构形式基础形式主楼:CFG桩复合地基,钢筋砼筏板基础裙楼地库:天然地基,钢筋砼筏板基础结构形式框架剪力墙结构5结构断面尺寸(mm)外墙厚度300、400、250内墙厚度400、350、300、250、200、160柱断面1100*1200、1100*1100、1100*1000、600*600梁断面350*750、350*650、350*800、350*1700、250*550、350*700、200*500、400*750、400*600、350*600、350*1150、350*1650、250*400、200*300、200*350、200*400、250*450、250*400...

1、当您付费下载文档后,您只拥有了使用权限,并不意味着购买了版权,文档只能用于自身使用,不得用于其他商业用途(如 [转卖]进行直接盈利或[编辑后售卖]进行间接盈利)。
2、本站所有内容均由合作方或网友上传,本站不对文档的完整性、权威性及其观点立场正确性做任何保证或承诺!文档内容仅供研究参考,付费前请自行鉴别。
3、如文档内容存在违规,或者侵犯商业秘密、侵犯著作权等,请点击“违规举报”。

碎片内容

国贸中心钢筋工程方案

确认删除?
VIP
微信客服
  • 扫码咨询
会员Q群
  • 会员专属群点击这里加入QQ群
客服邮箱
回到顶部