电脑桌面
添加小米粒文库到电脑桌面
安装后可以在桌面快捷访问

市场推广方案范本VIP免费

市场推广方案范本_第1页
1/13
市场推广方案范本_第2页
2/13
市场推广方案范本_第3页
3/13
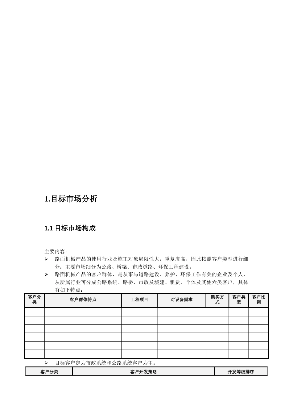
市场推广方案项目名称:文件编号:编制:审核:批准:2010年9月15日目录1.目标市场分析1.1目标市场构成主要内容:路面机械产品的使用行业及施工对象局限性大,重复度高,因此按照客户类型进行细分:主要市场细分为公路、桥梁、市政道路、环保工程建设。路面机械产品的客户群体,是从事与道路建设、养护、环保工作有关的企业及个人,从所属行业可分成公路系统、路桥、市政及城建、租赁、个体及其他六类客户,具体有如下特点:客户分类客户群体特点工程项目对设备需求购买方式客户类型客户比例目标客户定为市政系统和公路系统客户为主。客户分类客户开发策略开发等级排序B级A级A级B级C级C级1.2客户诉求特点评价指标可靠性作业性能保养便利性价格服务配件供应操作舒适性品牌分值备注说明:1、分值以10分为满分,分值越高,说明客户越在意这个因素2、最好以柱状图表示。2.销售目标预测生命周期划分市场导入期市场成熟期市场衰退期年份2011201220132014201520162017销售台份10304060604030说明:预测数据主要基于:1、对国家公路养护历程的分析(数据来源:国家统计局网站)。2、产品技术的发展趋势和环保法规的趋势。3、国内市场竞争环境的预测。3.产品上市需求3.1销售文件准备序号文件名称说明1使用说明书2零件图册3产品整机工程规范4性能介绍PPT文件5产品易损件清单3.2生产许可情况1)产品必须经过可靠性考核试验。2)产品必须具备国家权威机构出具的型式试验报告3)产品必须具备事业部的发布许可。4.产品定价策略4.1竞争对手配置以及价格3吨市场价格对比表厂家型号出厂价结算价年份备注4.2定价策略以及利润分配1)…………2)为保证各价值链环节的利润空间,初步确定利润分配区间结算环节销售公司代理商用户运费经销商返利运费成本利润金额(万元)5.销售渠道策略5.1渠道导入策略渠道策略:主要在陕西、江苏、山东、内蒙、天津、辽宁、河北、四川八个经销商进行召开产品展示会。5.2专职机构奖惩办法1)完成任务后,每超出一台,奖励xxx元(其他条件销售公司完成)2)完成计划x%,扣年终返利X元完成计划x%,扣年终返利X元完成计划x%,扣年终返利X元6、促销推广方案6.1折扣方案1)对于全款提车用户,提供折扣???元,???支付折扣。2)对于一次购置n(n>1)台的客户,给予???折扣或者送???保养油料3)对于介绍购车并完成交易的人,提供奖金???元4)展示会折扣。6.2宣传资料准备7.售后服务方案7.1配件储备计划7.1.1易损件清单编写:审核:批准:部件名序号代号名称数量规格备注五年期易损件清单编写:审核:批准:部件名序号代号名称数量规格备注7.1.2配件定价策略7.1.3配件储备方式1)易损配件,2)非易损件配件,。7.2保养、服务策略7.2.1保养策略1)三包期内保养统一由代理商进行,保养件必须为原厂配件。2)保养严格按照公司“五到位”原则执行。7.2.2服务策略按照公司三包服务程序执行7.2.3信息反馈制度1)销售公司不定期电话回访用户,监督代理商五到位情况。2)代理商每周反馈整机故障情况以及用户合理建议,销售公司在接到代理商反馈后,在两个工作日以内必须反馈到市场部,市场部必须在一个工作日以内反馈到产品经理处。8、风险分析项目风险管理评价维度风险识别风险评估风险应对措施潜在的风险事件风险发生的后果可能性严重性不可控性风险级应急措施预防措施责任人市场风险客户需求发生改变项目失败310260调整产品开发思路认真调查、分析客户需求凌毅营销策略失误销售情况差493108调整营销策略调查分析细分市场特点,制定适宜策略凌毅销售人员不了解产品推销困难77298培训销售人员周密计划市场推广策略凌毅经销商没有推广产品的动力产品市场导入困难47384分析、调整策略在利益分配环节,考虑经销商诉求凌毅售后服务不及时、配件储备不足客户不满意46496紧急应对培训售后工程师,准备易损配件库存凌毅竞争对手产品和销售策略改变销量下滑65390调整策略主动引起改变凌毅2024年12月1日星期W08:47:4512.1.202408:4708:47:4524.12.18时47分8时47分45秒Dec.1,241December20248:47:45AM08:47:45

1、当您付费下载文档后,您只拥有了使用权限,并不意味着购买了版权,文档只能用于自身使用,不得用于其他商业用途(如 [转卖]进行直接盈利或[编辑后售卖]进行间接盈利)。
2、本站所有内容均由合作方或网友上传,本站不对文档的完整性、权威性及其观点立场正确性做任何保证或承诺!文档内容仅供研究参考,付费前请自行鉴别。
3、如文档内容存在违规,或者侵犯商业秘密、侵犯著作权等,请点击“违规举报”。

碎片内容

市场推广方案范本

确认删除?
VIP
微信客服
  • 扫码咨询
会员Q群
  • 会员专属群点击这里加入QQ群
客服邮箱
回到顶部