电脑桌面
添加小米粒文库到电脑桌面
安装后可以在桌面快捷访问

钢结构监理实施细则4VIP免费

钢结构监理实施细则4_第1页
1/7
钢结构监理实施细则4_第2页
2/7
钢结构监理实施细则4_第3页
3/7
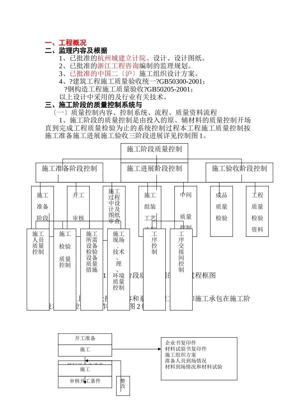
一、工程概况二、监理内容及根据1、已批准的杭州城建立计院、设计、设计图纸。2、已批准的浙江工程咨询编制的监理规划。3、已批准的中国二〔沪〕施工组织设计方案。4、?建筑工程施工质量验收统一?GB50300-2001;?钢构造工程施工质量验收?GB50205-2001;以上设计中采用的及行业有关技术。三、施工阶段的质量控制系统与〔一〕质量控制内容、控制系统、流程、质量资料流程1、施工阶段的质量控制是由投入的原、辅材料的质量控制开场直到完成工程质量检验为止的系统控制过程本工程施工质量控制按施工准备施工进展施工验收三阶段进展详见控制图1。图1施工阶段质量控制的系统过程框图2、按上述质量控制内容和系统监理工程师和施工承包在施工阶段对质量控制的工作流程如图2所示。准备内容施工阶段质量控制施工准备阶段控制施工进展阶段控制施工验收阶段控制施工准备阶段开工审核施工过程中设计及图纸审查施工组装工艺流程中间质量控制成品质量检验工程质量检验资料施工人员质量控制施工检验质量控制施工所需设备检验设备质量措施施工现场、技术、理、环境质量控制工序控制工序交接间控制开工准备填写开工申请单审核开工条件整改施工企业书复印件材料试验书复印件施工组织方案准备人员到场情况材料到场情况和材料试验施工检查结果不合格审核结果不合格合格自检结果不合格合格合格图2施工阶段质量控制流程图3、监理工程师应按施工顺序、进度和监理方案及时审核签署有关质量、报表其流程如图3所示:下达开工准备工序〔分项工程〕各分项〔隐蔽〕工程自检填写分项〔隐蔽〕工程自检单监理验收现场检查填写分项〔隐蔽〕工程质量评定表分部工程完成整改监理工程师监理工程师施工施工施工监理工程师测试中心抽检监理工程师监理工程师施工填写开工申请单监理工程师审核开工条件整改书审核书代审核结果不合格合格验收结果不合格合格复验结果不合格合格〔二〕质量控制1、检验批本钢构造工程按楼层划分成假设干检验批进展验收。检验批的验收是最小的验收单元也是最主要和最根本的验收工作内容分项工程、监理工程师填写审核书业主监理工程师下达开工〔审核书〕代各道工序〔分项工程〕自检自检合格后填写工序〔分项工程〕自检单交监理验收施工监理验收监理工程师业主整改书监理工程师填写分项工程验收质量表分部工程完成填写分部工程验收施工汇总分项〔隐蔽〕工程质量评定表并将其编写入分部工程质量评定表中然后进展复检监理工程师整改书签证分部工程质量验收、评定监理工程师业主图3质量资料和信息流程框图分部工程乃至工程的验收都是建立在检验批验收合格的根底上的。2、检验批的主控工程和一般工程检验批的合格质量取决于主控工程和一般工程的检验结果。〔1〕主控工程必须全部符合GB50205-2001中合格质量的要求。〔2〕一般工程的检查结果应有80及以上的检查点〔值〕符合GB50205-2001中合格质量的要求且值不超过允许偏向值的1.2倍。3、质量控制〔1〕对于主控工程:A主要材料、成品、半成品及附件的材质检查其出厂证明及试验数据;B构造的强度、刚度等检查试验;C工程准备、进展和完成阶段都进展检测现场抽查或检查试测记录。〔2〕对一般工程:A对构造的使用要求、使用功能、美观等有较大影响程序允许有一定偏向但偏向在范围内通过实测来确定其是否合格。〔3〕设置质量控制点对于重要工序和重要构件的加工制造设置质量控制点实行跟踪控制加强检验和记录。四、施工阶段的质量控制〔一〕施工准备阶段的质量控制1、施工的质量理制度、质量检验制度和质量保证体系是否健全。专业技术理人员和专业工种岗位证书是否齐全、属实。2、审查施工提交的施工方案、施工组织设计、保证工程质量具有可靠的技术措施。3、加工制作工程所用的设备、工具是否符合要求检测仪器、设备及计量仪器是否经有关部门检定、校准、合格。4、进场的原辅材料及成品件、件等进展主控工程和一般工程的检查验收。〔1〕钢材包括型材、板材如本工程中的口型、H型梁等的主控工程的钢材品种、规格、性能等应符合?碳素构造钢?GB700及?低合金高强度构造钢?GB/T1591的规定其检查数量和检验应符合GB50202-2001的规定。对于一般工程应执行GB50202-200...

1、当您付费下载文档后,您只拥有了使用权限,并不意味着购买了版权,文档只能用于自身使用,不得用于其他商业用途(如 [转卖]进行直接盈利或[编辑后售卖]进行间接盈利)。
2、本站所有内容均由合作方或网友上传,本站不对文档的完整性、权威性及其观点立场正确性做任何保证或承诺!文档内容仅供研究参考,付费前请自行鉴别。
3、如文档内容存在违规,或者侵犯商业秘密、侵犯著作权等,请点击“违规举报”。

碎片内容

钢结构监理实施细则4

确认删除?
VIP
微信客服
  • 扫码咨询
会员Q群
  • 会员专属群点击这里加入QQ群
客服邮箱
回到顶部