电脑桌面
添加小米粒文库到电脑桌面
安装后可以在桌面快捷访问

市政道路工程某段测量方案VIP专享VIP免费

市政道路工程某段测量方案_第1页
1/19
市政道路工程某段测量方案_第2页
2/19
市政道路工程某段测量方案_第3页
3/19
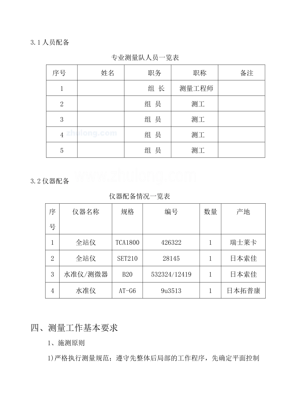
一、工程概况无锡市xx路、xx路规划为无锡市快速外环的东南线,为无锡市骨干路网的组成部分。工程范围为MK0+300~MK21+000,全长20.7Km,位于无锡市太湖新城、新区和锡东新城境内。本标段为xx路立交段,主线设计范围为MK16+378.679~MK17+940.628,全长1561.949米,共16联,匝道桥包括B、C、D、E、G共计五条全长1614.894米,位于无锡市新区境内。计划开工日期为2010年3月1日,计划竣工日期为2011年2月28日,总工期为365日历天。二、编制依据1施工现场踏勘获得的资料;2批准实施的《无锡市xx路、xx路工程CQ3标施工组织设计》;3《工程测量规范》(GB50026-2007);4《公路施工测量手册》桥涵;5《建筑变形测量规程》JGJ/T8-97;6设计院交付的施工图纸三、测量组织和准备基于本工程工期紧、施工工艺复杂的特点专业测量队配5名测量人员,具有多年的实践经验和理论知识,负责参加过多项市政工程的测量工作。一名测量工程师、四名测工。平面控制仪器采用日本索佳2″级全站仪和莱卡1″级全站仪;高程控制采用日本索佳B20精密水准仪和一台日本拓普康水准仪。另外配备专用电脑一台及交通工具电动自行车两辆。3.1人员配备专业测量队人员一览表序号姓名职务职称备注1组长测量工程师2组员测工3组员测工4组员测工5组员测工3.2仪器配备仪器配备情况一览表序号仪器名称规格编号数量产地1全站仪TCA18004263221瑞士莱卡2全站仪SET210281451日本索佳3水准仪/测微器B20532324/124191日本索佳4水准仪AT-G69u35131日本拓普康四、测量工作基本要求1、施测原则1)严格执行测量规范;遵守先整体后局部的工作程序,先确定平面控制网,后以控制网为依据,进行各局部轴线的定位放线。2)必须严格审核测量原始数据的准确性,坚持测量放线与计算工作同步校核的工作方法。3)定位工作执行自检、互检合格后再报检的工作制度。4)测量方法要简捷,仪器使用要熟练,在满足工程需要的前提下,力争做到省工省时省费用。5)明确为工程服务,按图施工,质量第一的宗旨。紧密配合施工,发扬团结协作、实事求是、认真负责的工作作风。2、准备工作学习设计文件和相应的技术标准,全面了解设计意图,认真熟悉与审核图纸。施测人员通过对总平面图和设计说明的学习,了解工程总体布局,工程特点,周围环境,建筑物的位置及坐标,其次了解现场测量坐标与建筑物的关系,水准点的位置和高程。根据桥梁的结构形式,跨径,以及设计要求的施工精度,在了解总图后认真学习桥梁施工图,及时校对构筑的平面、立面、剖面的尺寸、形状、构造,它是整个工程放线的依据,在熟悉图纸时,着重掌握轴线的尺寸、标高,对比承台、墩台身及上部结构之间轴线的尺寸,查看其相关之间的轴线及标高是否吻合,有无矛盾存在。测量放样之前,测量人员首先熟悉图纸结构物的总体布置图,细部结构设计图。根据整体到局部的原则,以控制网作为放样依据,找出主要轴线和主要点的设计位置,以及各部分之间的几何关系,再结合现场条件和控制点的分布,采取适宜的放样方法。施工测量贯穿整个施工过程,是保证施工质量的一个方面。五、测量施工各环节方案5.1施工控制测量复测设计院提供的地面平面控制点GPS点、地面高程控制点(具体数据及示意图见下图)。平面控制点G38A、G38、G38B、G39A、G40A、G40、BM51、XFG1A;高程控制点BM47、BM49、G39A、BM50、G40A、G40、BM51。为了保证本标段与相邻标段的衔接和贯通,导线测量所用的控制点必须要贯通联测到相邻标段所用的控制点上。根据设计院提供的控制点,复测地面平面控制点、地面高程控制点严格按照《工程测量规范》要求进行。平面精密导线点复测时以XFG1A-BM51为起始边闭合到G38-G38A的终边上,按附合导线进行角度、距离测量;角度观测按精密导线测量要求分别观测4个测回,取平均值作为最终结果。导线边长往返测距取平均值。高程控制点复测时以BM47为起点途径BM49、G39A、BM50、G40A、G40复核到BM51上。分别进行往返测量,各项观测数据均按精密水准测量的主要技术要求进行。经复测各点结果均符合设计及《工程测量规范》要求,可以使用原数据,平面控制点施测示意图二级导线技术精度要求5.2地面高程控制测量地面高程控制网...

1、当您付费下载文档后,您只拥有了使用权限,并不意味着购买了版权,文档只能用于自身使用,不得用于其他商业用途(如 [转卖]进行直接盈利或[编辑后售卖]进行间接盈利)。
2、本站所有内容均由合作方或网友上传,本站不对文档的完整性、权威性及其观点立场正确性做任何保证或承诺!文档内容仅供研究参考,付费前请自行鉴别。
3、如文档内容存在违规,或者侵犯商业秘密、侵犯著作权等,请点击“违规举报”。

碎片内容

市政道路工程某段测量方案

确认删除?
VIP
微信客服
  • 扫码咨询
会员Q群
  • 会员专属群点击这里加入QQ群
客服邮箱
回到顶部