电脑桌面
添加小米粒文库到电脑桌面
安装后可以在桌面快捷访问

脚手架工程施工安全技术交底(表格)VIP免费

脚手架工程施工安全技术交底(表格)_第1页
1/2
脚手架工程施工安全技术交底(表格)_第2页
2/2
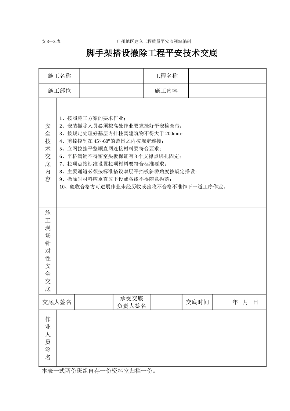
安3—3表广州地区建立工程质量平安监视站编制脚手架搭设撤除工程平安技术交底施工名称工程名称施工部位施工内容安全技术交底内容1、按照施工方案的要求作业;2、安装撤除人员必须按高处作业要求挂好平安检查带;3、按规定处理好基层内排柱离建筑物不得大于200mm;4、剪撑控制在450~600的范围之内按规定连接;5、立网拉挂平整顺直网连接材料要符合要求;6、平桥满铺不得留空头板保证有3个支撑点绑扎固定;7、拉项点按标准设置拉项材料要符合标准要求;8、主要通道必须按标准搭设双层平挡板斜桥角度按规定搭设;9、撤除时材料应垂直放下设戒备线不得随意抛落;10、验收合格方可进展作业未经历收或验收不合格不准作下一道工序作业。施工现场针对性安全交底交底人签名承受交底负责人签名交底时间年月日作业人员签名本表一式两份班组自存一份资料室归档一份。

1、当您付费下载文档后,您只拥有了使用权限,并不意味着购买了版权,文档只能用于自身使用,不得用于其他商业用途(如 [转卖]进行直接盈利或[编辑后售卖]进行间接盈利)。
2、本站所有内容均由合作方或网友上传,本站不对文档的完整性、权威性及其观点立场正确性做任何保证或承诺!文档内容仅供研究参考,付费前请自行鉴别。
3、如文档内容存在违规,或者侵犯商业秘密、侵犯著作权等,请点击“违规举报”。

碎片内容

脚手架工程施工安全技术交底(表格)

确认删除?
VIP
微信客服
  • 扫码咨询
会员Q群
  • 会员专属群点击这里加入QQ群
客服邮箱
回到顶部