电脑桌面
添加小米粒文库到电脑桌面
安装后可以在桌面快捷访问

除洁器制作与安装施工交底记录VIP免费

除洁器制作与安装施工交底记录_第1页
1/5
除洁器制作与安装施工交底记录_第2页
2/5
除洁器制作与安装施工交底记录_第3页
3/5
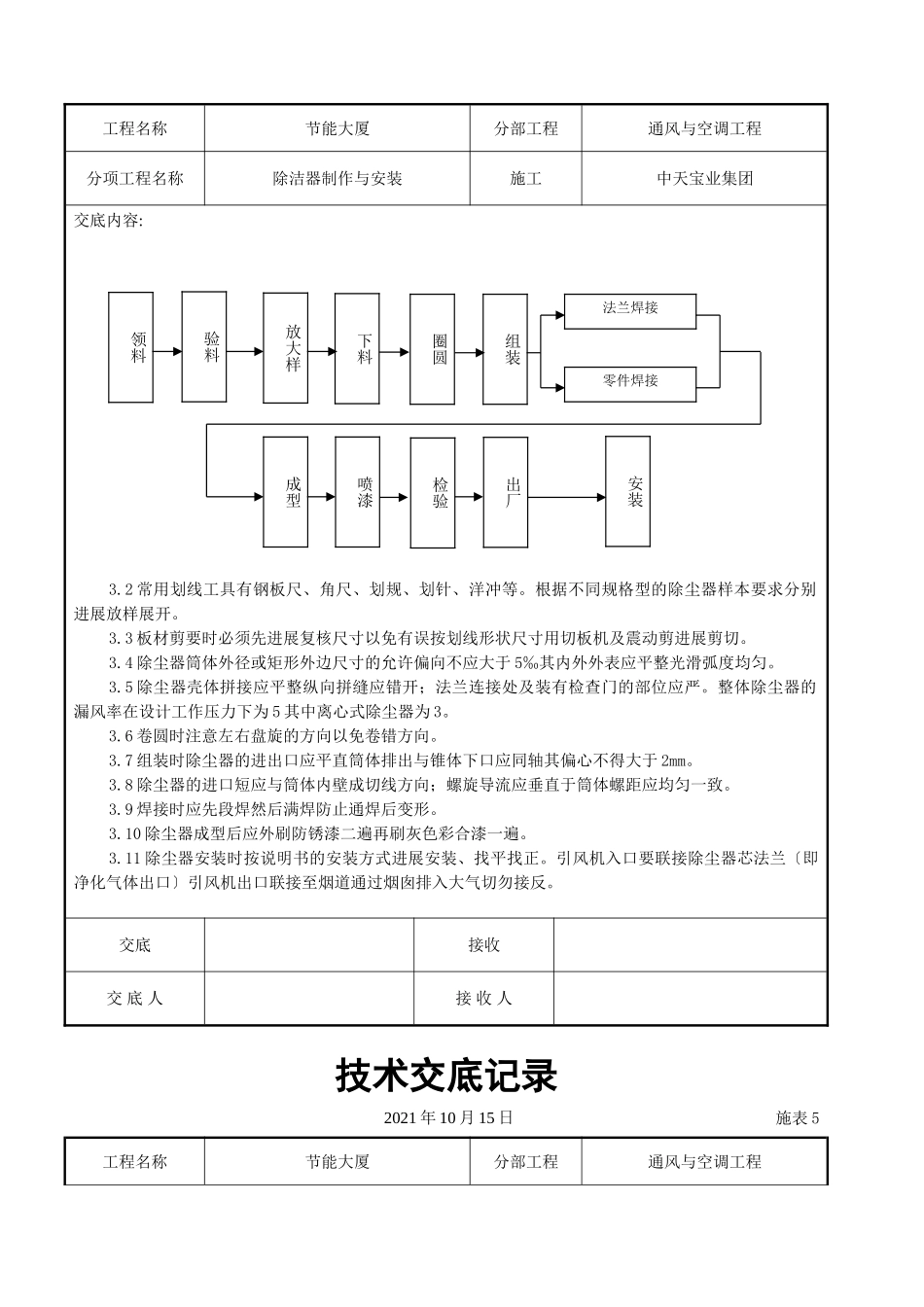
技术交底记录2021年10月15日施表5工程名称节能大厦分部工程通风与空调工程分项工程名称除洁器制作与安装施工中天宝业集团交底内容:1、根据:?建筑工程施工质量验收统一?GB50300-2001?通风与空调工程施工质量验收?GB50243-20022、施工准备2.1材料要求及主要机具:2.1.1所使用的主要材料应具有出厂合格证明书或质量鉴定板材应薄厚均匀板面光滑。2.1.2除尘器制作的板厚应按设计要求、样本材料表执行。2.1.3龙门剪板机、震动式曲线剪板机、卷圆机、型钢切割机、角钢卷圆机、冲孔机、台钻、电焊设备、油漆喷、小吊车、倒链、扳手、程度尺、线坠等。2.2作业条件:2.2.1除尘器制作应有宽阔、亮堂、干净、地面平整、不潮湿的厂房。2.2.2加工地点要有相应加工工艺的机具、设施及电源安装防护装置、消防器材等。2.2.3除尘器制作应有设计图纸、大样图并有施工员书面的技术、质量、平安交底。2.2.4土建施工完毕已具备安装条件无障碍及杂物。3、操作工艺3.1艺流程:交底接收交底人接收人技术交底记录2021年10月15日施表5工程名称节能大厦分部工程通风与空调工程分项工程名称除洁器制作与安装施工中天宝业集团交底内容:3.2常用划线工具有钢板尺、角尺、划规、划针、洋冲等。根据不同规格型的除尘器样本要求分别进展放样展开。3.3板材剪要时必须先进展复核尺寸以免有误按划线形状尺寸用切板机及震动剪进展剪切。3.4除尘器筒体外径或矩形外边尺寸的允许偏向不应大于5‰其内外外表应平整光滑弧度均匀。3.5除尘器壳体拼接应平整纵向拼缝应错开;法兰连接处及装有检查门的部位应严。整体除尘器的漏风率在设计工作压力下为5其中离心式除尘器为3。3.6卷圆时注意左右盘旋的方向以免卷错方向。3.7组装时除尘器的进出口应平直筒体排出与锥体下口应同轴其偏心不得大于2mm。3.8除尘器的进口短应与筒体内壁成切线方向;螺旋导流应垂直于筒体螺距应均匀一致。3.9焊接时应先段焊然后满焊防止通焊后变形。3.10除尘器成型后应外刷防锈漆二遍再刷灰色彩合漆一遍。3.11除尘器安装时按说明书的安装方式进展安装、找平找正。引风机入口要联接除尘器芯法兰〔即净化气体出口〕引风机出口联接至烟道通过烟囱排入大气切勿接反。交底接收交底人接收人技术交底记录2021年10月15日施表5工程名称节能大厦分部工程通风与空调工程领料圈圆下料验料放大样组装成型喷漆检验出厂安装法兰焊接零件焊接分项工程名称除洁器制作与安装施工中天宝业集团交底内容:3.12安装连接各部法兰时闭垫应加在螺栓内侧以保证封。3.13除尘器蜗旋方向要与风机蜗旋方向一致即可旋除尘器配用右旋引风机左旋除尘器配用左旋引风机。3.14组装除尘器主体与牛角锥体的联接大法兰和牛角锥体的小法兰与储灰罐法兰联接时必须保证封。4、质量4.1除尘设备的安装应符合以下规定:4.1.1除尘器的安装位置应正确、结实平稳允许误差应符合表4.1.1的规定;表4.1.1除尘器安装允许偏向和检验项次工程允许偏向(mm)检验1平面位移≤10用经纬仪或拉线、尺量检查2标高±10用水准仪、直尺、拉线和尺量检查3垂直度每米≤2吊线和尺量检查总偏向≤104.1.2除尘器的活动或转动部件的动作应灵敏、可靠并应符合设计要求;4.1.3除尘器的排灰阀、卸料阀、排泥阀的安装应严并便于操作与维护修理。检查数量:按总数抽查20不得少于1台。检查:尺量、观察检查及检查施工记录。4.2现场组装的静电除尘器的安装还应符合设备技术及以下规定:4.2.1极板组合后的极排平面度允许偏向为5mm其对角线允许偏向为10mm;4.2.2阴极小框架组合后主平面的平面度允许偏向为5mm其对角线允许偏向为10mm;4.2.3阴极大框架的整体平面度允许偏向为15mm整体对角线允许偏向为10mm;4.2.4极板高度小于或等于7m的电除尘器阴、极间距允许偏向为5mm。极板高度大于7m的电除尘器阴、极间距允许偏向为10mm;交底接收交底人接收人技术交底记录2021年10月15日施表5工程名称节能大厦分部工程通风与空调工程分项工程名称除洁器制作与安装施工中天宝业集团交底内容:4.2.5振打锤装置的固定应可靠;振打锤的转动应灵敏。锤头方向应正确;振打锤头与振打砧之间应保持良好的线接触状态接触长度应大于锤头厚度的0.7倍。检查数量:按总数抽查20不...

1、当您付费下载文档后,您只拥有了使用权限,并不意味着购买了版权,文档只能用于自身使用,不得用于其他商业用途(如 [转卖]进行直接盈利或[编辑后售卖]进行间接盈利)。
2、本站所有内容均由合作方或网友上传,本站不对文档的完整性、权威性及其观点立场正确性做任何保证或承诺!文档内容仅供研究参考,付费前请自行鉴别。
3、如文档内容存在违规,或者侵犯商业秘密、侵犯著作权等,请点击“违规举报”。

碎片内容

除洁器制作与安装施工交底记录

您可能关注的文档

确认删除?
VIP
微信客服
  • 扫码咨询
会员Q群
  • 会员专属群点击这里加入QQ群
客服邮箱
回到顶部