电脑桌面
添加小米粒文库到电脑桌面
安装后可以在桌面快捷访问

高速公路工地安全文明监理细则VIP专享VIP免费

高速公路工地安全文明监理细则_第1页
1/9
高速公路工地安全文明监理细则_第2页
2/9
高速公路工地安全文明监理细则_第3页
3/9
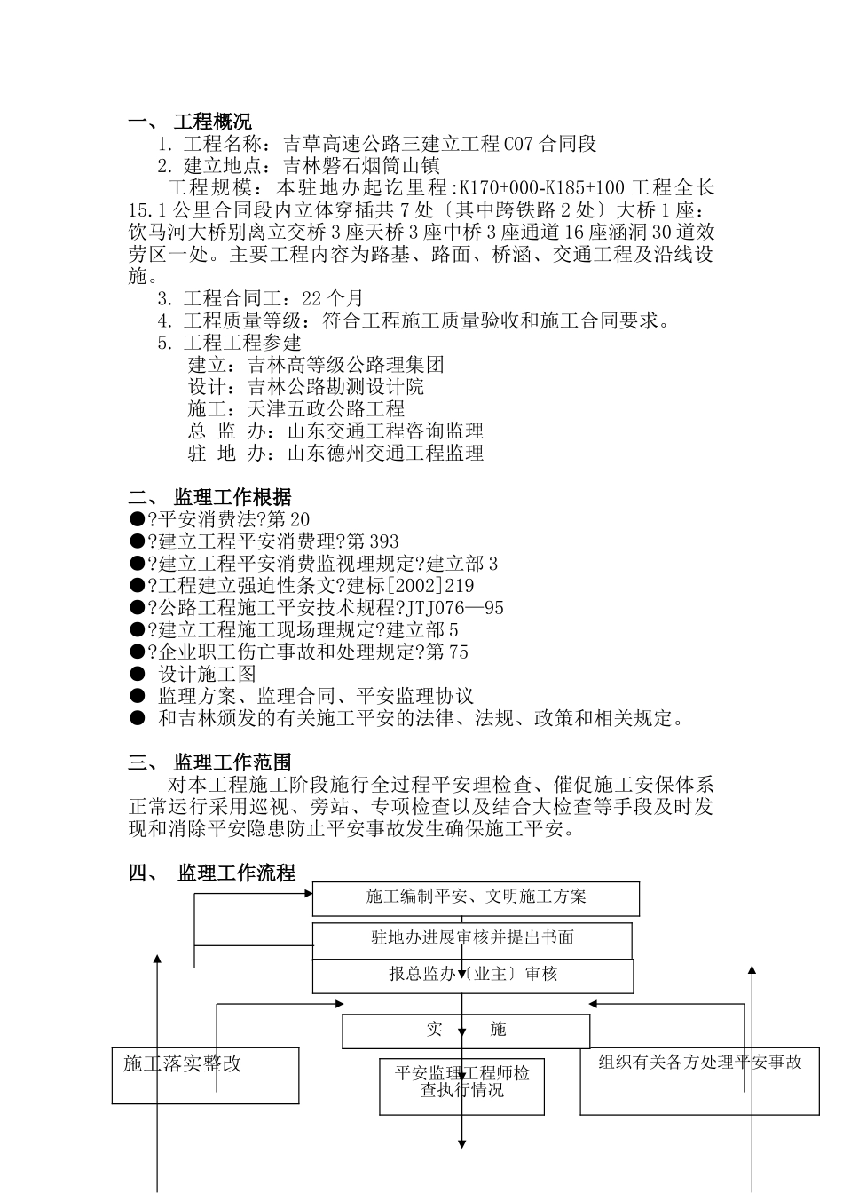
一、工程概况1.工程名称:吉草高速公路三建立工程C07合同段2.建立地点:吉林磐石烟筒山镇工程规模:本驻地办起讫里程:K170+000-K185+100工程全长15.1公里合同段内立体穿插共7处〔其中跨铁路2处〕大桥1座:饮马河大桥别离立交桥3座天桥3座中桥3座通道16座涵洞30道效劳区一处。主要工程内容为路基、路面、桥涵、交通工程及沿线设施。3.工程合同工:22个月4.工程质量等级:符合工程施工质量验收和施工合同要求。5.工程工程参建建立:吉林高等级公路理集团设计:吉林公路勘测设计院施工:天津五政公路工程总监办:山东交通工程咨询监理驻地办:山东德州交通工程监理二、监理工作根据●?平安消费法?第20●?建立工程平安消费理?第393●?建立工程平安消费监视理规定?建立部3●?工程建立强迫性条文?建标[2002]219●?公路工程施工平安技术规程?JTJ076—95●?建立工程施工现场理规定?建立部5●?企业职工伤亡事故和处理规定?第75●设计施工图●监理方案、监理合同、平安监理协议●和吉林颁发的有关施工平安的法律、法规、政策和相关规定。三、监理工作范围对本工程施工阶段施行全过程平安理检查、催促施工安保体系正常运行采用巡视、旁站、专项检查以及结合大检查等手段及时发现和消除平安隐患防止平安事故发生确保施工平安。四、监理工作流程同意同意施工编制平安、文明施工方案施工落实整改平安监理工程师检查执行情况驻地办进展审核并提出书面报总监办〔业主〕审核组织有关各方处理平安事故实施五、监理工作内容1、施工准备阶段:1〕对施工组织设计重点审核施工的各项平安审批手续是否齐全有效;施工总体布署与施工是否合理可行;质量、平安保证体系是否健全;是否建立了平安消费的责任制度和教育培训制度;是否制定了平安消费规章制度和平安操作规程;平安技术措施是否有效并符合有关工程建立强迫性。2〕催促施工建立健全平安制度和措施检查专职平安理人员的到位情况明确职责、权限、责任到人。3〕检查拟置的平安防护品、平安设施是否齐全并处于平安状态。4〕检查施工与施工人员签订的施工平安消费协议书。5〕检查施工现场各种平安标志和临时设施的设置。6〕催促施工制定平安事故应急救援方案、监控对重点部位和重点环节制定的危险源监控措施和应急救援方案的施行。2、工程开工阶段:1〕催促承包人在开工前对工程施工人员进展平安消费教育;2〕检查施工现场平安宣传牌危险部位警示牌是否到位;3〕检查承包人平安消费理保证体系网络图平安消费责任制;岗位平安操作规程上墙〔机〕是否齐全;4〕检查施工作业范围的信装置、防护设施及保护措施是否认点到位。3、工程施工阶段:1〕在分项、分部工程开工前重点审查施工编制的分项、分部工程的专项施工方案并检查施工人员平安消费教育培训及平安技术交底落实情况、特种作业人员装备的数量及平安资格培训、持证上岗情况和机械设备、施工机具及配件的平安性能检测情况审查合格前方可同意该分项、分部工程开工。2〕按规定开展平安检查定检查和不定检查监理工程师在巡视、旁站过程中应检查施工平安保证体系的运转情况检查的主要内容包括:a、是否落实了平安消费的责任制度、规章制度和操作规程是否发现平安消费隐患及时发出整改总监办〔业主〕总监办〔业主〕发生平安消费事故提出书面确保了平安消费费用的有效使用;b、是否装备了一定数量符合要求的专〔兼〕职平安消费理人员并按照要求进展现场监视;c、各项作业是否按照操作并设置平安警示标志和说明;d、是否在施工现场建立了消防平安责任制度确定消防平安责任人制定了各项消防平安考核制度和操作规程。e、施工工序是否逐级进展平安技术交底防暑降温的劳动保护工作和现场平安的各环节措施是否落实;是否存在野蛮施工的现象。f、是否施行了对分包的平安消费理;分包是否服从总承包的平安消费理;g、是否在施工现场入口处、易燃易爆物品存放处等危险部位设置明显的平安警示标志;h、是否如实消费平安事故等。监理应从严掌握遇有隐患的苗子坚决抓住催促施工及时纠正和整改杜绝事故发生。并协助业主和总监办每月开展平安、文明检查评议活动。六、巡视、旁站及日常理制度1、平安监理工程师巡视施工现场...

1、当您付费下载文档后,您只拥有了使用权限,并不意味着购买了版权,文档只能用于自身使用,不得用于其他商业用途(如 [转卖]进行直接盈利或[编辑后售卖]进行间接盈利)。
2、本站所有内容均由合作方或网友上传,本站不对文档的完整性、权威性及其观点立场正确性做任何保证或承诺!文档内容仅供研究参考,付费前请自行鉴别。
3、如文档内容存在违规,或者侵犯商业秘密、侵犯著作权等,请点击“违规举报”。

碎片内容

高速公路工地安全文明监理细则

确认删除?
VIP
微信客服
  • 扫码咨询
会员Q群
  • 会员专属群点击这里加入QQ群
客服邮箱
回到顶部