电脑桌面
添加小米粒文库到电脑桌面
安装后可以在桌面快捷访问

2016.1苏州高新区九年级化学期末试卷及答案 VIP免费

2016.1苏州高新区九年级化学期末试卷及答案 _第1页
1/7
2016.1苏州高新区九年级化学期末试卷及答案 _第2页
2/7
2016.1苏州高新区九年级化学期末试卷及答案 _第3页
3/7
义务教育阶段学业质量测试九年级化学2016.01注意事项:1.本试卷分选择题和非选择题,共33题,满分100分;考试用时100分钟。2.答题前,考生务必将自己的姓名、考点名称、考场号、座位号、考试号填写清楚,并用2B铅笔认真正确填涂考试号下方的数字。3.答选择题必须用2B铅笔把答题卡上对应题目的答案标号涂黑,如需改动,请用橡皮擦干净后,再选涂其他答案;答非选择题必须用0.5毫米黑色墨水签字笔写在答题卡指定的位置上,不在答题区域内的答案一律无效,不得用其他笔答题。4.考生答题必须答在答题卡上,答在试卷和草稿纸上一律无效。可能用到的相对原子质量:H—1C—12O—16Na—23Al—27Cl—35.5Mn—55Fe—56选择题(共50分)单项选择题(包括25题,每题2分,共50分。每题只有一个选项符合题意。)1.2015年世界环境日的主题是“促进可持续的生活方式”,核心是倡导良好的生活习惯。下列做法不符合这一主题的是A.鼓励使用太阳能热水器B.使用环保袋去超市购物C.使用绿色公共交通出行D.工厂废气直接排放到大气中2.下列变化中一定没有发生化学变化的是A.酒精挥发B.燃放烟花C.煤气爆炸D.食物变质3.下列物质中,属于纯净物的是A.冰水共存物B.盐酸C.空气D.钢4.下列实验操作正确的是A.点燃酒精灯B.闻药品的气味C.加热液体D.读取液体体积5.有关化学用语说法正确的是A.钴的元素符号COB.2Fe3+表示2个铁离子C.2H表示两个氢分子D.碳酸氢铵的化学式为NH4CO36.人体中含量最多的金属元素是A.CaB.AlC.OD.Fe7.下列化合物中氮元素的化合价最低的是A.NH3B.NOC.NO2D.HNO38.下列实验操作中正确的是A.实验中取用的剩余药品应放回原瓶B.加热后的试管可以放在桌面上自然冷却C.进行过滤操作时,玻璃棒只可接触三层滤纸一侧D.使用滴瓶滴加试剂后,立即用蒸馏水洗净滴管并放回原瓶9.下列叙述中不属于金属资源的保护措施的是A.回收铝制易拉罐B.洗去铁制品表面的油膜C.控制金属矿物的开采量D.可用塑料制品代替金属制品10.下列物质中导电性最弱的是A.蔗糖溶液B.食盐水C.镁D.石墨11.下列关于空气的说法中正确的是A.空气中含量最多的是氧气,氧气可支持燃烧B.可以用木炭燃烧的方法测定空气中氧气的含量C.过多排放二氧化碳,是造成温室效应的主要原因D.空气有自净能力,排放到空气中的有害气体和烟尘不会对空气造成污染12.下列物质或描述中的“碳”,主要不是指碳单质的是A.碳素墨水B.低碳经济C.打印碳粉D.干电池碳棒13.已知NH3和HCl发生反应:NH3+HCl=NH4Cl,下图所示实验的叙述中错误的是A.浓盐酸和浓氨水都有挥发性B.该实验证明了分子是不断运动的C.该化学反应中原子的种类发生了改变D.白烟是该反应生成的固体小颗粒悬浮于空气中形成的14.下列有关元素的说法错误的是A.一些元素可以形成多种离子B.核内质子数相同的微粒属于同种元素C.组成元素相同的纯净物不一定是同种物质D.元素的化学性质与原子核外最外层电子数关系密切15.下列由物质性质或实验事实所进行的判断正确的是A.水结成冰前后质量保持不变,说明该变化符合质量守恒定律B.焊锡的熔点比锡低、硬铝的熔点比铝低,说明合金的熔点一般比组成金属低C.实验室制取气体前都要检查装置的气密性,说明有气体生成的实验均要检查装置气密性D.镁粉可以在空气中燃烧、而铁丝只能在氧气中燃烧,说明反应物间的接触面积决定了化学反应能否发生16.最近,科学家成功制备出了一种含铱元素(铱元素符号:Ir)和氧元素的阳离子,在这种离子中,铱元素显+9价。该离子与氯离子结合成的化合物的化学式可能是A.IrO2ClB.IrO3ClC.IrO4ClD.IrO5Cl17.下列有关燃烧和灭火的说法正确的是A.可燃物只有在空气中才能燃烧B.可以通过降低可燃物的着火点来灭火C.任何燃料完全燃烧时,一定会生成二氧化碳D.空气中混有可燃性气体,遇明火时可能发生爆炸18.下列有关金属的说法中错误的是A.生铁和氧化铜均属于金属材料B.不是所有的金属都能与氧气反应C.白醋等酸性物质能加快铁钉的锈蚀D.镁与稀盐酸反应比铁剧烈,说明镁的活动性强于铁19.下列有关实验现象的描述中正确的是A.红磷在空气中燃烧产生大...

1、当您付费下载文档后,您只拥有了使用权限,并不意味着购买了版权,文档只能用于自身使用,不得用于其他商业用途(如 [转卖]进行直接盈利或[编辑后售卖]进行间接盈利)。
2、本站所有内容均由合作方或网友上传,本站不对文档的完整性、权威性及其观点立场正确性做任何保证或承诺!文档内容仅供研究参考,付费前请自行鉴别。
3、如文档内容存在违规,或者侵犯商业秘密、侵犯著作权等,请点击“违规举报”。

碎片内容

2016.1苏州高新区九年级化学期末试卷及答案

书海行舟+ 关注
实名认证
内容提供者

热爱教学事业,对互联网知识分享很感兴趣

确认删除?
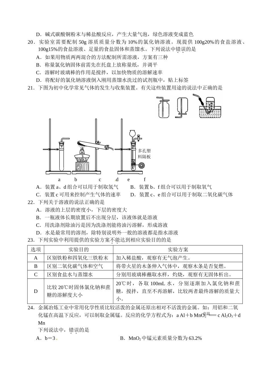
VIP
微信客服
  • 扫码咨询
会员Q群
  • 会员专属群点击这里加入QQ群
客服邮箱
回到顶部