电脑桌面
添加小米粒文库到电脑桌面
安装后可以在桌面快捷访问

构件吊装工程安全技术交底VIP免费

构件吊装工程安全技术交底_第1页
1/1
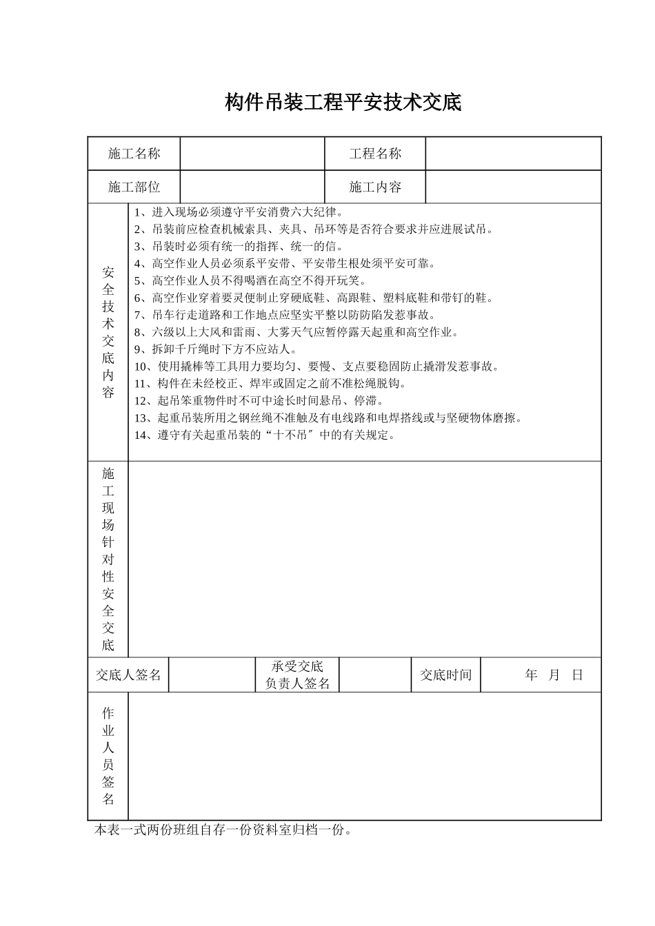
构件吊装工程平安技术交底施工名称工程名称施工部位施工内容安全技术交底内容1、进入现场必须遵守平安消费六大纪律。2、吊装前应检查机械索具、夹具、吊环等是否符合要求并应进展试吊。3、吊装时必须有统一的指挥、统一的信。4、高空作业人员必须系平安带、平安带生根处须平安可靠。5、高空作业人员不得喝酒在高空不得开玩笑。6、高空作业穿着要灵便制止穿硬底鞋、高跟鞋、塑料底鞋和带钉的鞋。7、吊车行走道路和工作地点应坚实平整以防防陷发惹事故。8、六级以上大风和雷雨、大雾天气应暂停露天起重和高空作业。9、拆卸千斤绳时下方不应站人。10、使用撬棒等工具用力要均匀、要慢、支点要稳固防止撬滑发惹事故。11、构件在未经校正、焊牢或固定之前不准松绳脱钩。12、起吊笨重物件时不可中途长时间悬吊、停滞。13、起重吊装所用之钢丝绳不准触及有电线路和电焊搭线或与坚硬物体磨擦。14、遵守有关起重吊装的“十不吊〞中的有关规定。施工现场针对性安全交底交底人签名承受交底负责人签名交底时间年月日作业人员签名本表一式两份班组自存一份资料室归档一份。

1、当您付费下载文档后,您只拥有了使用权限,并不意味着购买了版权,文档只能用于自身使用,不得用于其他商业用途(如 [转卖]进行直接盈利或[编辑后售卖]进行间接盈利)。
2、本站所有内容均由合作方或网友上传,本站不对文档的完整性、权威性及其观点立场正确性做任何保证或承诺!文档内容仅供研究参考,付费前请自行鉴别。
3、如文档内容存在违规,或者侵犯商业秘密、侵犯著作权等,请点击“违规举报”。

碎片内容

构件吊装工程安全技术交底

书海行舟+ 关注
实名认证
内容提供者

热爱教学事业,对互联网知识分享很感兴趣

确认删除?
VIP
微信客服
  • 扫码咨询
会员Q群
  • 会员专属群点击这里加入QQ群
客服邮箱
回到顶部