电脑桌面
添加小米粒文库到电脑桌面
安装后可以在桌面快捷访问

房地产项目定价及策略(1)VIP专享VIP免费

房地产项目定价及策略(1)_第1页
1/4
房地产项目定价及策略(1)_第2页
2/4
房地产项目定价及策略(1)_第3页
3/4
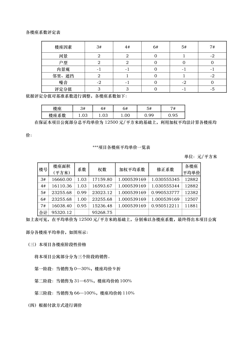
***项目定价及策略一、公寓部分总平均单价的确定原则(一)一个前提:***项目的均价是在项目本身的基础上,参照区域情况、市场情况的基础上来制定的。(二)二个原则:第一:以目前市场上同区域、同类型物业的总平均单价做为定价的参考依据我们调查的区域市场内总体平均单价为****元/m2。第二:以本项目的单位成本作为定价依据我们如何避开竞争激烈的主流市场,有效的寻找市场空缺点?项目的品质不仅是体现在产品本身的设计上,还应充分体现在产品的附加值上,也就是说体现在诸如会所、物业服务、景观、外立面等方面。(三)本项目公寓部分总平均单价:在上述一个前提和二个原则的综合考虑下,本项目公寓部分的总平均单价为****元/平方米。这样既可以保证本项目的售价仍维持在同区域、同档次物业价格的主流市场中,又可以较高的性能价格比占领市场。二、公寓部分各楼座平均单价的确定以下,将在保证本项目公寓部分总体平均单价****元/平方米的原则下,确定各楼座平均单价,具体如下:(一)各楼座平均单价的制定原则:以6#楼为参照物,针对各楼座在河景、户型、社区内部景观、邻里、遮挡、交通噪音等方面进行单项评比,得出各楼座系数。1、河景:在不考虑以上其它因素的情况下,原则上认为在5栋公寓楼中,3#楼与4#楼从欣赏通惠河景观的角度和视野为最优,5号楼略高于6#楼,7#楼最差。2、户型:从产品设计来看,3#楼、4#楼为一梯二户户型、三向采光且南北通透,主卧及主卫均朝南向,且主卫均拥有明窗;而5#楼、6#楼、7#楼为三栋同样的一梯四户型,只有二个采光面,因此在不考虑以上其它因素的情况下,原则上认为3#楼和4#楼的户型从采光、通风、居住舒适度来讲均为最佳,5#楼、6#楼、7#楼的户型与3#楼、4#楼比较略差,但程度较为平均。3、社区内景观:从产品规划角度来看,6#楼位于整个社区的中心,其北侧和西侧有二块大面积空地可做园林设计,因此认为6#楼在社区内景观一项中为最优。在不考虑其它因素的影响、6#楼为参照物的前提下,认为3#楼、4#楼、5#楼、7#楼的社区内景观均次于6#楼。4、邻里、遮挡:在不考虑其它因素的情况下,认为3#楼只有北向、西向受到社区内其它建筑物的遮挡,且栋距相对较远,而南向、东向均无遮挡,因此认为3#在此项评比中为最优;5#楼北向受1#写字楼遮挡、西向受6#楼遮挡,但南向、东向均无遮挡。由于5#楼东向临规划中的城市快速路,因此认为5#楼略次于3#楼;4#楼由于除南向外的三向均受不同程度的遮挡,且由于西侧为万豪项目,因此认为4#楼略次于3#楼;如以6#楼为参照物,认为4#楼、5#楼在此项中均好于6#楼;而7#楼四面均受不同程度的遮挡,且西对万豪、北对2#写字楼,因此认为7#楼为最差。5、交通噪音:因本项目东侧为规划中的城市快速路,且有可能为立交桥跃起的部分,因此3#楼、5#楼均受到影响,在此项评比中为最差;项目南侧亦为规划道路,因此4#楼也受到噪音影响,但认为其程度略轻于3#楼和5#楼;7#楼处于社区最内侧,较少受到道路噪音影响,以6#楼为参照物,认为7#楼同于6#楼。(二)各楼座平均单价各楼座的均价利用加权平均法计算。首先,以6#楼为评定标准(楼座的基准系数1.00),其它各楼座因外在单项因素产生差值,此偏差值不宜过大,标准如下表。单项因素最好较好平均较差最差差值210-1-2依据各因素产生的差值对各楼座进行综合评定:各楼座系数评定表楼座因素3#4#6#5#7#河景2201-2户型22000内景观-1-10-1-1邻里、遮挡2101-2噪音-2-10-20评定分值330-1-5依据评定分值对基准系数进行调整,各楼座系数如下:楼座3#4#6#5#7#楼座系数1.031.031.000.990.95在保证本项目公寓部分总平均单价为12500元/平方米的基础上,利用加权平均法计算各楼座均价:***项目各楼座平均单价一览表单位:元/平方米楼号楼座面积(平方米)系数权数加权平均系数修正系数各楼座平均单价3#16660.001.0317159.801.0005391691.030555345128824#16110.361.0316593.671.0005391691.030555344128825#23255.680.9923023.121.0005391690.990533777123826#23255.681.0023255.681.0005391691.000539169125077#16038.400.9515236.481.0005391690.95051221111881合计95320.1295268.75...

1、当您付费下载文档后,您只拥有了使用权限,并不意味着购买了版权,文档只能用于自身使用,不得用于其他商业用途(如 [转卖]进行直接盈利或[编辑后售卖]进行间接盈利)。
2、本站所有内容均由合作方或网友上传,本站不对文档的完整性、权威性及其观点立场正确性做任何保证或承诺!文档内容仅供研究参考,付费前请自行鉴别。
3、如文档内容存在违规,或者侵犯商业秘密、侵犯著作权等,请点击“违规举报”。

碎片内容

房地产项目定价及策略(1)

确认删除?
VIP
微信客服
  • 扫码咨询
会员Q群
  • 会员专属群点击这里加入QQ群
客服邮箱
回到顶部