电脑桌面
添加小米粒文库到电脑桌面
安装后可以在桌面快捷访问

附属工程技术交底表(作业指导书)VIP免费

附属工程技术交底表(作业指导书)_第1页
1/4
附属工程技术交底表(作业指导书)_第2页
2/4
附属工程技术交底表(作业指导书)_第3页
3/4
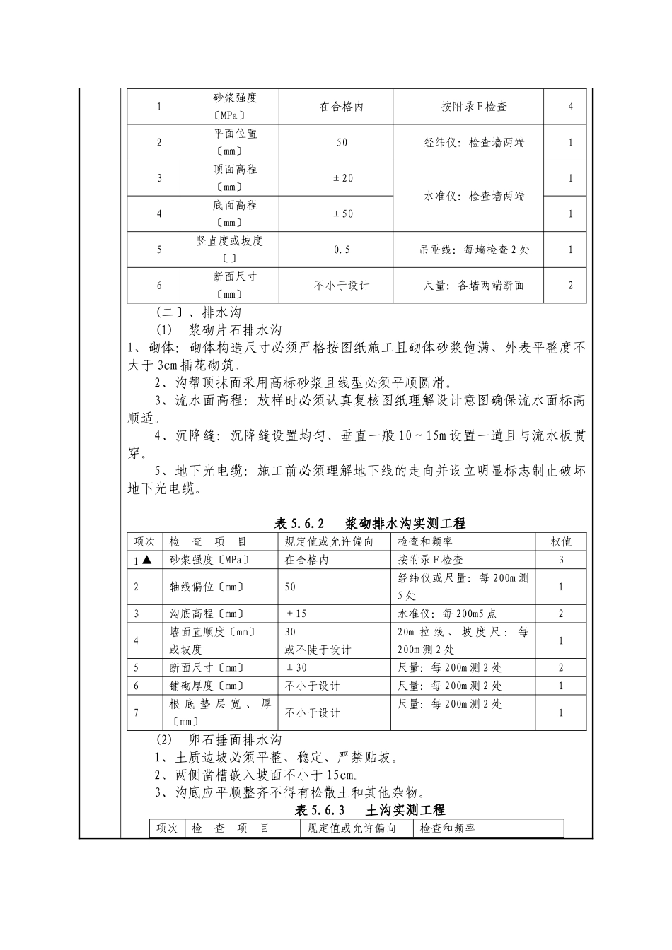
中铁五集团技术交底记录表〔作业指导书〕工程名称路基工程交底人工程部交底工程附属工程参加人员交底内容为了施工加强附属工程的施工质量针对十天高速公路的详细要求结合施工实际现工程部对附属工程提出以下技术要求望工程队技术人员、理人员及施工理人员认真学习实在把各项技术要求落实到工程施工过程中确保工程质量。一、对施工准备工作的要求1、施工队开工前必须对施工场地进展认真规划尽量少占路基临时设施必须河砂堆放场地必须进展硬化或铺垫。水泥存放搭设水泥棚并做好防潮措施。2、小型机具必须齐全如砂浆搅拌机〔滚筒式〕、发电机、磅称、计量容器、水池等。各种材料标志、标牌配合比标识牌齐全。二、对原材料的要求1、片石:中部厚度不小于15cm卵形和薄片石不能使用强度不低于30Mpa.2、用作镶面的片石应选择外表较平整且尺寸较大者其边缘厚度不得小于15cm且色泽应一致;片石外表应修凿平整且呈六面体外表凹陷深度不大于20mm。三、砌筑挤浆砌石法:挤浆法应分层砌筑每分层的高度宜在70~120cm间(约3~4层片石)。分层与分层间的砌缝应大致找平即每隔3~4层片石找平一次。分层内的每层石块不必铺通层找平砂浆而可按石料上下不平形状逐块或逐段铺浆。砂浆的流动性宜为5~7cm。砌筑时每一块片石均应先铺砂浆再安放石块经左右揉动几下再用手锤轻击浆下面砂浆挤压实。在己砌好片石侧面继续安砌时除座浆外并应在相邻石块侧面铺抹砂浆再砌片石并向下面及抹浆的侧面用手挤压用锤轻击将下面和侧面的砂浆挤实挤出的砂浆可刮起再用。分层内各层石块的砌缝应尽可能错开分层与分层间的砌缝那么必须错开且错缝间隔要求不小于8cm。四、附属工程施工要求1、基坑开挖前由工程部测量组测轴线桩工程队进展细部尺寸放样并对施工员及民工队负责人进展书面技术交底包括标高、宽度、长度、深度、坡率、砂浆标及配合比、弃土地点等内容。2、基坑开挖必须严格控制开挖线及标高。当开挖采用机械开挖基底预留30cm采用人工辅助清基。制止扰动基底。基坑严禁超挖出现超挖必须用浆砌片石回填并自行承当费用。3、基坑开挖至设计标高后工程队及时联络现场监理工程师、试验监理工程师及工程部质检工程师验槽包括平面位置、标高、基底承载力基坑几何尺寸等并填好内业资料现场签认并由质检工程师进展基坑拍照。4、基坑挖好后四周做好围护并设立明显的平安标志基坑不得长暴露、扰动或浸泡。五、砌石根本技术要求1、砌块在使用前必须浇水潮湿外表如有泥土、水锈应清洗干净。2、砌筑根底的第一层砌块时应先将基底外表清洗潮湿再坐浆砌筑。3、砌体应分层砌筑砌体较长时可分段分层砌筑但两相邻工作段的砌筑高差一般不宜超过1.2m。分段位置宜尽量设在沉降缝处各段程度砌缝应一致。4、各砌层应先砌外圈定位石然后砌筑里层外圈砌块应与里层砌块交织连成一体。砌体里层应砌筑整齐分层应与外圈一致应先铺一层适当厚度的砂浆再安放砌块和填塞砌缝。5、各砌层的砌块应安放稳固砌块间应砂浆饱满粘结结实不得直接贴靠或脱空。砌缝宽度一般为4cm。砌筑时底浆应铺满竖缝砂浆应先在已砌石块侧面铺放一部然后于石块安好后用2cm宽扁铁填满捣实。6、墙体砌筑前必须做好固定的坡度架砌筑前每层必须挂通线施工。片石砌筑应分层每一工作层的程度缝应大致找平各工作层竖缝应互相错开不得贯穿。7、砌筑上层石块时应防止振动下层砌块。较大的砌块应使用于下层安砌时应选取形状尺寸较为适宜的砌块锋利部应敲除砌石时必须大面朝下。安放时必须平稳假设有晃动应在砂浆中塞以小石块。8、砌体外露面一律勾凹缝缝宽均匀勾缝砂浆采用高标细砂浆缝宽均匀缝宽为1.5cm必要时专门筛砂勾缝前由质检工程师、监理工程师对缝深进展检查勾缝嵌入砌缝深度为1cm呈向内的半圆形严禁勾假缝。砌体隐蔽面砌缝可随砌随刮平不另勾缝。9、泄水孔应按图纸要求数量、孔径、位置和坡度设置不得堵塞同时做好墙后胶泥防水层。10、砂浆严格按照配合比进展机械拌制按试验要求频率制作砂浆试件。11、沉降缝每10~15m设置一道缝宽2cm缝内填塞沥青麻絮并深化2cm。沉降缝应垂直与根底全断面贯穿。13、砌体砌完后或勾缝完成后洒水覆盖养生7天以上。六、各分项详细要求〔一〕、通...

1、当您付费下载文档后,您只拥有了使用权限,并不意味着购买了版权,文档只能用于自身使用,不得用于其他商业用途(如 [转卖]进行直接盈利或[编辑后售卖]进行间接盈利)。
2、本站所有内容均由合作方或网友上传,本站不对文档的完整性、权威性及其观点立场正确性做任何保证或承诺!文档内容仅供研究参考,付费前请自行鉴别。
3、如文档内容存在违规,或者侵犯商业秘密、侵犯著作权等,请点击“违规举报”。

碎片内容

附属工程技术交底表(作业指导书)

书海行舟+ 关注
实名认证
内容提供者

热爱教学事业,对互联网知识分享很感兴趣

确认删除?
VIP
微信客服
  • 扫码咨询
会员Q群
  • 会员专属群点击这里加入QQ群
客服邮箱
回到顶部