电脑桌面
添加小米粒文库到电脑桌面
安装后可以在桌面快捷访问

某安置房底板混凝土工程技术交底VIP专享VIP免费

某安置房底板混凝土工程技术交底_第1页
1/7
某安置房底板混凝土工程技术交底_第2页
2/7
某安置房底板混凝土工程技术交底_第3页
3/7
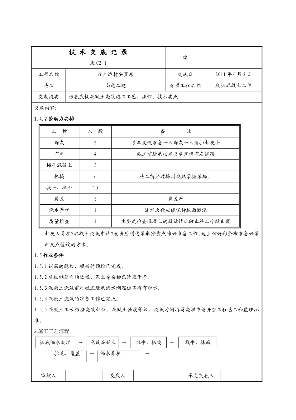
技术交底记录表C2-1编工程名称沈全运村安置房交底日2011年6月2日施工南通二建分项工程名称底板混凝土工程交底提要根底底板混凝土浇筑施工工艺、操作、技术要点交底内容:1.施工准备1.1技术准备1.1.1工长应认真学习技术交底对技术交底中存在疑问的应及时与技术人员进展沟通。1.1.2组织班组长、工人学习施工规定明确施工控制要点。1.1.3组织班组长、工人学习技术交底使操作人明确操作要点、重点注意部位及质量。1.1.4对施工人员〔振捣手、布灰人员〕进展上岗培训。1.2材料准备1.2.1混凝土由商品混凝土站提供。1.2.2木方〔汽车泵支设〕水桶〔抹面用〕、塑料薄膜等。1.3机具准备机具名称数量备注混凝土汽车泵一台臂长47米由混凝土站提供作好汽车泵的支设工作振动棒10条3条备用电源箱7个经检查完好铁锹、铁耙各7把摊平混凝土、厚度控制刮杠〔3米〕、5把板面找平标尺杆、棉线5把标高控制扫帚2把拉毛减少裂缝木抹子10把板面找平1.4人员准备1.4.1班组长:对班组长进展技术交底使之明确施工控制要点。审核人交底人承受交底人1、本表由施工填写交底与承受交底各存一份。2、当做分项工程施工技术交底时应填写“分项工程名称〞栏其它技术交底可不填写。技术交底记录表C2-1编工程名称沈全运村安置房交底日2011年6月2日施工南通二建分项工程名称底板混凝土工程交底提要根底底板混凝土浇筑施工工艺、操作、技术要点交底内容:1.4.2劳动力安排工种人数备注卸灰2泵车支设准备一人卸灰一人清扫卸灰斗布料4施工前进展技术交底掌握布灰道路摊平混凝土5振捣6施工前经过培训纯熟掌握振捣。找平、抹面10覆盖3覆盖严浇水养护1浇水次数应能保持板面潮湿质量检查1主要是检查混凝土的凝结情况防止施工冷缝出现卸灰人员在?混凝土浇筑申请?发出后到达泵车停靠点作好准备工作,地上铺好彩条布准备好泵车支点垫设的方木。1.5作业条件1.5.1钢筋的隐检、模板的预检已完成。1.5.2底板钢筋内的垃圾、泥土等杂物已清理干净。1.5.3混凝土浇筑前对板底进展洒水潮湿但不得有积水。1.5.4混凝土浇筑的准备工作已完成。1.5.5混凝土工长根据浇筑部位、混凝土强度等级、浇筑时间填写浇灌申请并经工程总工和监理批准。2.施工工艺流程板底洒水潮湿→浇筑混凝土→摊平、振捣→找平、抹面→审核人交底人承受交底人拉毛、覆盖→洒水养护1、本表由施工填写交底与承受交底各存一份。2、当做分项工程施工技术交底时应填写“分项工程名称〞栏其它技术交底可不填写。技术交底记录表C2-1编工程名称沈全运村安置房交底日2011年6月2日施工南通二建分项工程名称底板混凝土工程交底提要根底底板混凝土浇筑施工工艺、操作、技术要点交底内容:3.施工及技术要求3.1浇筑前应将基坑积水统一排进集水坑然后抽出;同时成立一个小组及时将混凝土泌水排出。3.2卸灰人员应注意凝土的塌落度塌落度控制在140-160mm不合格的做退回处理。3.3浇筑时采用“后退法施工并按〞1:6-1:10坡度分层遵循“一个坡度分层浇筑循序渐进、一次到顶的原那么。〞3.4浇筑时应先从一头开场浇筑但不得在同一处连续布料应在2-3米范围内程度挪动布料边浇筑边找平、抹面严禁随意布灰以防施工冷缝的出现。3.5浇筑电梯井、集水坑部位时应从两侧均匀下灰防止造成跑模、涨模现象。3.6浇筑时分层厚度不应超过500mm每浇筑一层必须充分振捣使其混凝土充分向四周流淌然后浇筑第二层且第二层混凝土应超前覆盖下层混凝土500mm以上。3.7根底导墙部位应在其相应部位底板浇筑20min后浇筑。3.8振捣棒挪动间隔不应超过400mm每次振捣应快插慢拔每点延续时间15-30s插入深度以进入下一层50mm为宜振捣程度视混凝土外表泛浆无气泡且不再显着下沉为宜。3.9电梯井、积水坑部位应从两侧同时振捣防止造成跑模、涨模现象且应充分振捣防止浇筑不满。3.10根底边缘部位振捣时不得紧靠砖墙胎模边缘以防胎模变形造成防水撕裂及跑模。3.11导墙部位应充分振捣直至墙根部有大量混凝土溢出且墙面混凝土不再下沉为止以防“烂根〞、“蜂窝、“狗洞的出现同时注意止水钢板的位置。〞〞3.12混凝土泵布灰时速度适中泵不应正对着基坑模板导墙模板或根底四周砖胎模以防止跑模及胎模变形撕裂防水层影响根底防水性能。3.13混凝土...

1、当您付费下载文档后,您只拥有了使用权限,并不意味着购买了版权,文档只能用于自身使用,不得用于其他商业用途(如 [转卖]进行直接盈利或[编辑后售卖]进行间接盈利)。
2、本站所有内容均由合作方或网友上传,本站不对文档的完整性、权威性及其观点立场正确性做任何保证或承诺!文档内容仅供研究参考,付费前请自行鉴别。
3、如文档内容存在违规,或者侵犯商业秘密、侵犯著作权等,请点击“违规举报”。

碎片内容

某安置房底板混凝土工程技术交底

确认删除?
VIP
微信客服
  • 扫码咨询
会员Q群
  • 会员专属群点击这里加入QQ群
客服邮箱
回到顶部