电脑桌面
添加小米粒文库到电脑桌面
安装后可以在桌面快捷访问

既有线挖孔灌注桩施工技术交底VIP免费

既有线挖孔灌注桩施工技术交底_第1页
1/7
既有线挖孔灌注桩施工技术交底_第2页
2/7
既有线挖孔灌注桩施工技术交底_第3页
3/7
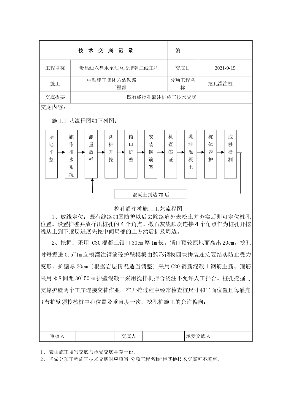
技术交底记录编工程名称贵昆线六盘水至沾益段增建二线工程交底日2021-9-15施工中铁建工集团六沾铁路工程部分项工程名称挖孔灌注桩交底提要既有线挖孔灌注桩施工技术交底交底内容:一、施工准备1、材料和主要机具设备准备:1.1、水泥:详细以实验室确定厂家为准。应有出厂证明及复试单当出厂超过三个月或已经受潮的水泥不得使用;1.2、砂:采用坚硬耐久的中砂或粗砂详细指标以实验室确定数据为准使用前过筛不得含有草根、泥块等杂物;1.3、粗骨料:采用坚硬耐久的砾石或碎石详细指标以实验室确定实验数据为准。1.4、钢筋:主要采用桩身钢筋HRB335Φ20、箍筋采用Q235φ8mm钢筋加工制作。2、平整场地现场四周设置集排水措施。施工出土道路应通畅。3、按施工图准确放线经复核无误并签证手续后方可开挖桩身土方。4、熟悉施工图进展技术平安学习。5、备好机具器材和井下排水、通风、照明设施并设置观测滑坡变形位移的标志制定井下作业和撤出人员的平安防护技术措施。6、对既有线平安防护知识进展学习。二、施工工艺审核人交底人承受交底人1、本表由施工填写交底与承受交底各存一份。2、当做分项工程施工技术交底时应填写"分项工程名称"栏其他技术交底可不填写。技术交底记录编工程名称贵昆线六盘水至沾益段增建二线工程交底日2021-9-15施工中铁建工集团六沾铁路工程部分项工程名称挖孔灌注桩交底提要既有线挖孔灌注桩施工技术交底交底内容:施工工艺流程图如下列图:1、放线定位:既有线路加固防护以后去除路肩外表松土并夯实后即可定位桩孔位置。设置护桩并放样出桩孔的4个角点。撒石灰线顺次连接4个角点作为桩孔开挖线从上到下逐层进展先挖中间局部的土方然后扩及周边。2、挖掘:采用C30混凝土锁口30cm厚1m长。锁口顶较原地面高出20cm。挖孔时每掘进0.5~1m立模灌注钢筋砼护壁模板由弧形钢模四块拼装连接要结实防止受力变形。护壁厚20cm〔根据岩层情况适当调整〕采用C20钢筋混凝土钢筋主筋、箍筋采用φ8间距30~50cm护壁混凝土采用搅拌机拌合浇注不允许人工拌合。桩孔挖掘与支撑护壁两个工序连接交替作业。在开挖过程中经常检查桩尺寸和平面位置且每灌完3节护壁须校核桩中心位置及垂直度一次。挖孔桩施工的允许偏向:审核人交底人承受交底人1、表由施工填写交底与承受交底各存一份。2、当做分项工程施工技术交底时应填写"分项工程名称"栏其他技术交底可不填写。场地平整施作排水系统测量放样跳桩开挖锁口护壁安装钢筋笼检查签证灌注混凝土桩体养护成桩检测混凝土到达70后挖孔灌注桩施工工艺流程图技术交底记录编工程名称贵昆线六盘水至沾益段增建二线工程交底日2021-9-15施工中铁建工集团六沾铁路工程部分项工程名称挖孔灌注桩交底提要既有线挖孔灌注桩施工技术交底交底内容:孔径为〔+100-40〕桩中心位移偏向50mm,垂直度允许偏向0.5。开挖时要经常检查孔内的二氧化碳浓度如超过0.3增设通风设备。在挖孔工作暂停时孔口加盖以策平安。本地段多为泥岩层孔内石方开挖采用风镐开挖出碴用卷扬机提升弃土集中堆放在各个开挖侧再运至弃碴场。开挖中对每米留置土样并做好记录以便进展地质确认。3、检查处理:挖孔到达设计标高后进展孔底处理。做到平整无松碴、污泥及沉碴等软层。嵌入岩层深度符合设计要求。开挖过程中经常检查理解地质情况。孔桩断面尺寸2×1m设计孔深12m。4、钢筋骨架的制作与安装:根据小鸡街框架桥施工条件挖孔灌注桩钢筋骨架在孔内绑扎。制作时先按设计做好加劲筋圈在孔内按设计要求放置主筋位置并标出加劲筋位置。焊接时使加劲筋上任一主筋位置与主筋中部的加劲筋位置对应并让其互相垂直然后焊接。照此将主筋逐一焊好后套入箍筋按设计位置布好并绑扎于主筋上点焊结实。主筋连接双面焊接连接加劲箍筋与主筋宜点焊当主筋较多时可绑扎和交织点焊。5、桩身混凝土灌注:桩身混凝土采用C30。灌注前应确保孔内杂物、积水已清理干净。严格控制混凝土的坍落度。混凝土采用串筒灌注串筒应对准中心灌注时串筒出料口离混凝土面不得大于2m。开场灌注时孔底积水不得超过5厘米。孔内混凝土必须一次灌注完毕严禁留有施工缝。灌注时不得使钢筋笼变形、移位振捣棒不得碰撞钢筋笼。混凝土浇筑到...

1、当您付费下载文档后,您只拥有了使用权限,并不意味着购买了版权,文档只能用于自身使用,不得用于其他商业用途(如 [转卖]进行直接盈利或[编辑后售卖]进行间接盈利)。
2、本站所有内容均由合作方或网友上传,本站不对文档的完整性、权威性及其观点立场正确性做任何保证或承诺!文档内容仅供研究参考,付费前请自行鉴别。
3、如文档内容存在违规,或者侵犯商业秘密、侵犯著作权等,请点击“违规举报”。

碎片内容

既有线挖孔灌注桩施工技术交底

您可能关注的文档

确认删除?
VIP
微信客服
  • 扫码咨询
会员Q群
  • 会员专属群点击这里加入QQ群
客服邮箱
回到顶部