电脑桌面
添加小米粒文库到电脑桌面
安装后可以在桌面快捷访问

框架结构钢筋绑扎技术交底记录VIP免费

框架结构钢筋绑扎技术交底记录_第1页
1/6
框架结构钢筋绑扎技术交底记录_第2页
2/6
框架结构钢筋绑扎技术交底记录_第3页
3/6
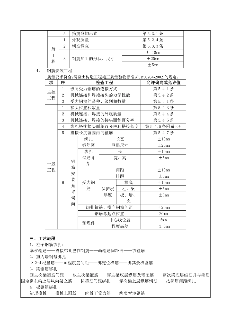
技术交底记录鲁JJ一005工程名称山东乳山平远国际城74#楼施工万通建立集团交底部位框架构造工序名称框架构造钢筋绑扎交底提要:框架构造钢筋绑扎的相关资料、机具准备、质量要求及施工工艺交底内容:框架构造钢筋绑扎一、施工准备(一)作业条件1、钢筋进场后应检查是否有出厂材质证明、做完复试并按施工平面图中指定的位置按规格、使用部位、编分别加垫木堆放。2、钢筋绑扎前应检查有无锈蚀除锈之后再运至绑扎部位。3、熟悉图纸、按设计要求检查已加工好的钢筋规格、形状、数量是否正确。4、做好抄平放线工作弹好程度标高线柱、墙外皮尺寸线。5、根据弹好的外皮尺寸线检查下层预留搭接钢筋的位置、数量、长度如不符合要求时应进展处理。绑扎前先按1:6整理调直下层伸出的搭接筋并将锈蚀、水泥砂浆等污垢去除干净。6、根据标高检查下层伸出搭接筋处的混凝土外表标高(柱顶、墙顶)是否符合图纸要求砼施工缝处要剔凿到露石子并清理干净。7、按要求搭好脚手架。(二)材质要求1、钢筋原材:应有供给商书钢筋出厂质量证明书、按规定作力学性能复试和见证取样试验。当加工过程生脆断等特殊情况还需作化学成分检验。钢筋应无老锈及油污。2、成型钢筋:必须符合配料单的规格、型、尺寸、形状、数量并应进展标识。成型钢筋必须进展覆盖防止雨淋生锈。3、铁丝:可采用20~22铁丝(火烧丝)或镀锌铁丝(铅丝)。铁丝切断长度要满足使用要求。4、垫块:用水泥砂浆制成50mm见方厚度同保护层垫块内预埋20~22火烧丝。或用塑料卡、拉筋、支撑筋。(三)工器具钢筋钩子、撬棍、扳子、绑扎架、钢丝刷子、手推车、粉笔、尺子等。1、二、质量要求2、钢筋原材料及钢筋加工工程3、质量要求符合?混凝土构造工程施工质量验收标准?(GB50204-2002)的规定。项序检查工程允许偏向或允许值主控工程1力学性能检验第5.2.1条2抗震用钢筋强度实测值第5.2.2条3化学成分等专项检验第5.2.3条4受力钢筋的弯钩和弯折第5.3.1条5箍筋弯钩形式第5.3.1条一般工程1外观质量第5.2.4条2钢筋调直第5.3.3条3钢筋加工的形状、尺寸±10mm±20mm±5mm4、钢筋安装工程质量要求符合?混凝土构造工程施工质量验收标准?(GB50204-2002)的规定。项序检查工程允许偏向或允许值主控工程1纵向受力钢筋的连接方式第5.4.1条2机械连接和焊接接头的力学性能第5.4.2条3受力钢筋的品种、级别和数量第5.5.1条一般工程1接头位置和数量第5.4.3条2机械连接、焊接的外观质量第5.4.4条3机械连接、焊接的接头面积百分率第5.4.5条4绑扎搭接接头面积百分率和搭接长度第5.4.6条附录B±5搭接长度范围内的箍筋第5.4.7条6钢筋安装允许偏向绑扎钢筋网长宽±10mm网眼尺寸±20mm绑扎钢筋骨架长±10mm宽、高±5mm受力钢筋间距±10mm排距±5mm保护层厚度根底±10mm柱、梁±5mm板、墙、壳±3mm绑扎箍筋、横向钢筋间距±20mm钢筋弯起点位置20mm预埋件中心线位置5mm程度高差+3,0mm三、工艺流程1、柱子钢筋绑扎:套柱箍筋——搭接绑扎竖向钢筋——画箍筋间距线——绑箍筋2、剪力墙钢帮绑扎立2-4根竖筋——画程度筋间距——绑定位横筋——绑其余横竖筋3、梁钢筋绑扎画主次梁箍筋间距——放主次梁箍筋——穿主梁底层纵筋及弯起筋——穿次梁底层纵筋并与箍筋固定穿主梁上层纵向架立筋——按箍筋间距绑扎——穿次梁上层纵筋钢筋——按箍筋间距绑扎4、板钢筋绑扎清理模板——模板上画线——绑板下受力筋——绑负弯矩钢筋5、楼梯钢筋绑扎画位置线——绑主筋——绑分部筋——绑踏步筋四、操作工艺(一)柱钢筋绑扎1、套柱箍筋:按图纸要求间距计算好每根柱箍筋数量先将箍筋套在下层伸出的搭接筋上然后立柱子钢筋在搭接长度内绑扣不少于3个绑扣要向柱中心。假如柱子主筋采用光圆钢筋搭接时角部弯钩应与模板成450中间钢筋的弯钩应与模板成900。2、搭接绑扎竖向受力筋:柱子主筋立起之后接头的搭接长度应符合设计要求如设计无要求时应按表1采用。项次钢筋类型混凝土强度等级C20C25C301I级钢筋35d30d25d2II级钢筋(月牙型)45d40d35d3III级钢筋(月牙型)55d50d45d注:a当Ⅰ、Ⅱ级钢筋d≥25mm时其搭接长度应按表中数值增加5d.b当螺纹钢筋直径≤25mm时其受拉钢筋的搭接长度按表中数值减少5d采用。c任何情况...

1、当您付费下载文档后,您只拥有了使用权限,并不意味着购买了版权,文档只能用于自身使用,不得用于其他商业用途(如 [转卖]进行直接盈利或[编辑后售卖]进行间接盈利)。
2、本站所有内容均由合作方或网友上传,本站不对文档的完整性、权威性及其观点立场正确性做任何保证或承诺!文档内容仅供研究参考,付费前请自行鉴别。
3、如文档内容存在违规,或者侵犯商业秘密、侵犯著作权等,请点击“违规举报”。

碎片内容

框架结构钢筋绑扎技术交底记录

您可能关注的文档

确认删除?
VIP
微信客服
  • 扫码咨询
会员Q群
  • 会员专属群点击这里加入QQ群
客服邮箱
回到顶部