电脑桌面
添加小米粒文库到电脑桌面
安装后可以在桌面快捷访问

电气、消防、给排水安装工程监理实施细则VIP专享VIP免费

电气、消防、给排水安装工程监理实施细则_第1页
1/19
电气、消防、给排水安装工程监理实施细则_第2页
2/19
电气、消防、给排水安装工程监理实施细则_第3页
3/19
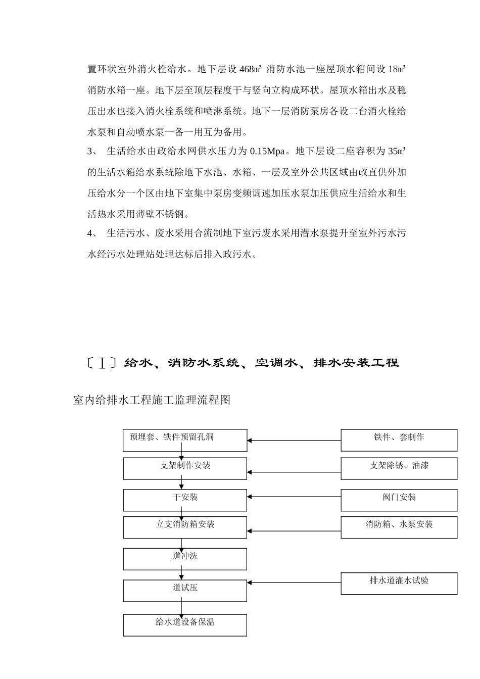
*******工程监理施行细那么监理施行细那么〔安装〕内容提要:专业工程特点监理工作流程监理工作控制要点及目的值监理工作及措施工程监理机构〔章〕:专业监理工程师:总监理工程师:日:江苏建立监制安装工程监理施行细那么工程特点:本工程安装部分为建筑电气、消防、给排水。1、本工程为多层民用建筑二级***室外消防水量为30L∕s。弱电设备、消防设备、应急照明、重要医疗设备等按一级负荷要求考虑均由两路电源供电并在末级配电箱自动切换客梯、诊断用X光机等按二级负荷考虑;其余负荷按三级要求供电;火灾及播送系统设置漏电火灾系统只不作用于切断电路;防雷接地利用屋面敷设镀锌圆钢作为防雷接闪器在进户后的供电线路加多级避雷器并采用信避雷器来保障网络、视频网络和数据数字信息网络中各种网络设备免遭雷击产生的感应过电压和瞬间浪涌电压的危害。2、消防给水系统:本工程政二路供水引一根DN150政给水沿消防车道设置环状室外消火栓给水。地下层设468m³消防水池一座屋顶水箱间设18m³消防水箱一座。地下层至顶层程度干与竖向立构成环状。屋顶水箱出水及稳压出水也接入消火栓系统和喷淋系统。地下一层消防泵房各设二台消火栓给水泵和自动喷水泵一备一用互为备用。3、生活给水由政给水网供水压力为0.15Mpa。地下层设二座容积为35m³的生活水箱给水系统除地下水池、水箱、一层及室外公共区域由政直供外加压给水分一个区由地下室集中泵房变频调速加压水泵加压供应生活给水和生活热水采用薄壁不锈钢。4、生活污水、废水采用合流制地下室污废水采用潜水泵提升至室外污水污水经污水处理站处理达标后排入政污水。〔Ⅰ〕给水、消防水系统、空调水、排水安装工程室内给排水工程施工监理流程图预埋套、铁件预留孔洞支架制作安装干安装立支消防箱安装道冲洗道试压给水道设备保温铁件、套制作支架除锈、油漆阀门安装消防箱、水泵安装排水道灌水试验注:按设计要求施工技术逐项检查验收。一、预留孔洞及预埋铁件工程1、控制目的在砼楼板、梁、墙上预留孔洞、槽和预埋件时施工方应有专人按设计图将道及设备的位置、标高尺寸测定标好孔洞将预制好的模盒、预埋铁件在绑扎钢筋前按标记固定牢模盒内塞入纸团、木屑等物。在浇注砼过程中应有专人配合校对以免模盒、埋件移位从而使施工质量达不到优良。2、关键控制点〔1〕由于穿楼板的套应在适当部位焊好铁架防止其倾斜套上端应高出地面20mm下端与楼面底面平。预埋上下层套时中心线垂直孔洞中心坐标允许偏向为10mm。凡有道煤气的房间所有套与道的缝隙均应按设计要求做填料严处理。〔2〕通风道预留洞的尺寸应比风实际截面每边尺寸大100mm孔洞中心允许偏向20mm。〔3〕配段经可靠接地焊接地线时钢不得有穿孔现象。焊接长度不得小于接地线卫生设备安装单机试车系统试运行开工验收卫生设备盛水试验长度的6倍。焊接处应刷防锈漆。3、控制措施监理对照施工图加强现场巡查核对催促施工方按如下几点施行:〔1〕埋入地下或潮湿场所的电线须用厚壁钢埋入砼内的电线可用薄壁钢。〔2〕钢下料应根据实际需要长度锯断锯口锉平内口应光滑。〔3〕在砖墙内配暗应在砌墙时配合土建做好留洞、留槽、埋的配合工作。剔槽时选用专用机械进展槽宽应大于外径1.2倍各种暗式箱盒应根据设计标高找正并用水泥砂浆固定然后进展配。箱口与抹灰外表平齐。〔4〕在现浇砼内配应配合土建子预埋在底筋上部。所有预埋、卡具和箱盒等应固定牢防止浇砼捣固时受震移位。箱盒口必须紧贴模板并用粗纸等物塞好以防砂浆进入。〔5〕配需穿过现浇砼时应预埋比子外径略大的套套两端伸出模板各50mm应将口封堵以防止砂浆进入内如直埋短其凸出两端必须预先套好丝扣安上箍保护丝扣以便接收。〔6〕暗配弯曲半径不应小于外径6倍埋设于地下或现浇砼楼板时不应小于外径的10倍配超过以下长度时中间应加装线盒:①45m无弯曲;②30m一个弯;③20m两个弯;④12m三个弯。〔7〕排水预留洞离墙间隔须符合设计要求。二、室内给水道安装1、控制目的核对设计图纸催促施工方按现行有关给水、排水、消防和卫生等施工质量验收施工工程到达优良。2、关键控制点〔1〕对进场的镀锌钢、薄壁不锈钢合格证、质保书、检测等一...

1、当您付费下载文档后,您只拥有了使用权限,并不意味着购买了版权,文档只能用于自身使用,不得用于其他商业用途(如 [转卖]进行直接盈利或[编辑后售卖]进行间接盈利)。
2、本站所有内容均由合作方或网友上传,本站不对文档的完整性、权威性及其观点立场正确性做任何保证或承诺!文档内容仅供研究参考,付费前请自行鉴别。
3、如文档内容存在违规,或者侵犯商业秘密、侵犯著作权等,请点击“违规举报”。

碎片内容

电气、消防、给排水安装工程监理实施细则

确认删除?
VIP
微信客服
  • 扫码咨询
会员Q群
  • 会员专属群点击这里加入QQ群
客服邮箱
回到顶部