电脑桌面
添加小米粒文库到电脑桌面
安装后可以在桌面快捷访问

龙里县金龙西路夹山坡隧道及延伸段工程建设监理工作月报VIP免费

龙里县金龙西路夹山坡隧道及延伸段工程建设监理工作月报_第1页
1/4
龙里县金龙西路夹山坡隧道及延伸段工程建设监理工作月报_第2页
2/4
龙里县金龙西路夹山坡隧道及延伸段工程建设监理工作月报_第3页
3/4
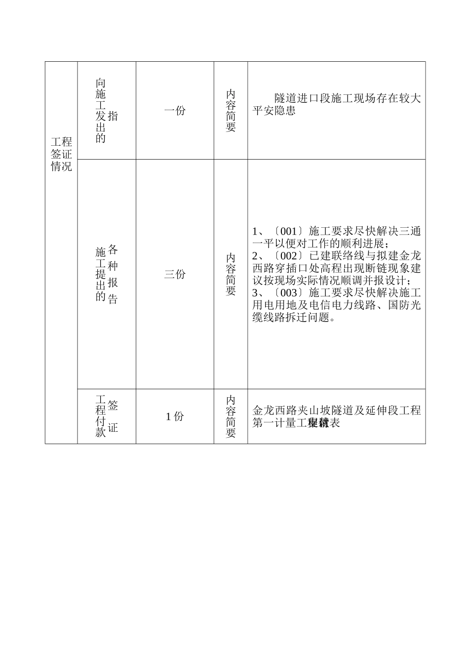
龙里金龙西路夹山坡隧道及延伸段工程建设监理工作月报第012010年4月6日~2010年4月30日内容提要:本月工程形象进度完成情况工程签证情况本月工程情况评述本月监理工作小结下月监理工作方案施工现场图片监理单位:贵州建工监理咨询总监理工程师:贵州建立监理协会印制黔监C—4—2工程名称龙里金龙西路夹山坡隧道及延伸段工程设计贵建筑设计院建立龙里城公用理施工贵州化工建立形象进度完成情况方案完成1、完成隧道施工出口处各种临时设施建立;2、K0+020~K0+100段路基土石方开挖总量的80约10000m3;路基边沟100m;路基边坡防护左右里程各80m2;3、隧道进口、出口天沟开挖砌筑全部完成;隧道进口段洞口土石方开挖30;4、K0+580~600、K0+720~760段土石方开挖约3000m3。实际完成1、完成隧道施工出口处各种临时设施建立;2、K0+020~K0+100段路基土石方开挖量约9500m3;3、路基边沟100m;路基边坡防护80m2;隧道进口、出口天沟全部完成;隧道进口段土石方开挖30;4、K0+580~600、K0+720~760段土石方开挖约3000m3。原因分析1、血站围墙处边坡设计一直未出详细施工方案;2、电力、拆迁问题、三通一平未完全处理造成工方案滞后。例会纪要专题一份内容简要设计院进展了图纸技术交底建立、施工、监理对图纸提出了相关问题及设计院答复签证工程质量无内容简要无工程签证情况指向施工发出的一份内容简要隧道进口段施工现场存在较大平安隐患各种报告施工提出的三份内容简要1、〔001〕施工要求尽快解决三通一平以便对工作的顺利进展;2、〔002〕已建联络线与拟建金龙西路穿插口处高程出现断链现象建议按现场实际情况顺调并报设计;3、〔003〕施工要求尽快解决施工用电用地及电信电力线路、国防光缆线路拆迁问题。签证工程付款1份内容简要金龙西路夹山坡隧道及延伸段工程第一计量工程款支付申请表本月工程情况评述:1、施工自2010年4月8日破土开工以来投入了1.2m3挖机2台、装载机1台、15m3以上的重型汽车六辆及空压机钻孔等设备。在工程经理、总工及其他专业技术人员的正确指挥下工程进展较快其中受征地拆迁〔人为因素〕、三通一平〔特备是电〕对工程进展带来了诸多不利因素导致隧道施工滞后;2、道路部分部项工程报验上还未整段完成因此部还未报验但是质量上总体较好。3、K0+100隧道进口处右侧边坡因血站围墙原因需要变更处理我方已和施工共同测设原地面资料报业主等业主批示设计出详细变更施工图;4、K0+600—K+700段的挖方路基换填设计图没有详细换填深度及工程量邀请业主、地勘到现场进展确认。本月监理工作小结:1、进场后复测施工导线控制点〔坐标、高程〕复测恢复道路中线;2、参加施工图纸会审并整理图纸会审纪要审查施工施工组织设计、专项施工方案、委托试验资质、施工人员资质、特种作业人员资质、质量平安理体系报审等前开工准备工作;3、每天对现场施工地段巡视;本月监理人员:凌海、罗兵、刘强下月监理工作方案:1、开工地例会3次审查施工进度施行情况及下进度安排解决施工中出现的问题。2、对隧道施工工序进展巡视、旁站。3、对隧道施工原材料试验作见证取样。4、对爆破施工作业区的平安问题重点检查。

1、当您付费下载文档后,您只拥有了使用权限,并不意味着购买了版权,文档只能用于自身使用,不得用于其他商业用途(如 [转卖]进行直接盈利或[编辑后售卖]进行间接盈利)。
2、本站所有内容均由合作方或网友上传,本站不对文档的完整性、权威性及其观点立场正确性做任何保证或承诺!文档内容仅供研究参考,付费前请自行鉴别。
3、如文档内容存在违规,或者侵犯商业秘密、侵犯著作权等,请点击“违规举报”。

碎片内容

龙里县金龙西路夹山坡隧道及延伸段工程建设监理工作月报

确认删除?
VIP
微信客服
  • 扫码咨询
会员Q群
  • 会员专属群点击这里加入QQ群
客服邮箱
回到顶部