电脑桌面
添加小米粒文库到电脑桌面
安装后可以在桌面快捷访问

拌和机工程施工安全技术交底(表格)VIP免费

拌和机工程施工安全技术交底(表格)_第1页
1/2
拌和机工程施工安全技术交底(表格)_第2页
2/2
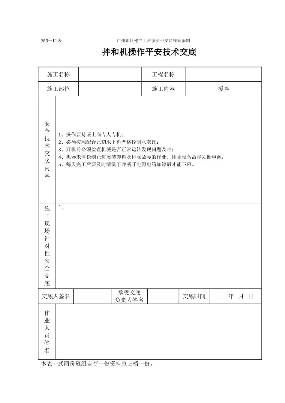
安3—12表广州地区建立工程质量平安监视站编制拌和机操作平安技术交底施工名称工程名称施工部位施工内容搅拌安全技术交底内容1、操作要持证上岗专人专机;2、必须按照配合比切求下料严格控制水灰比;3、开机前必须检查机械是否正常运转发现问题及时;4、机器未停稳制止进展装卸料及排除故障的作业。排除设备故障须断电源;5、每天完工后要及时清洗干净断开电源电箱加锁后才能下班。施工现场针对性安全交底1、交底人签名承受交底负责人签名交底时间年月日作业人员签名本表一式两份班组自存一份资料室归档一份。

1、当您付费下载文档后,您只拥有了使用权限,并不意味着购买了版权,文档只能用于自身使用,不得用于其他商业用途(如 [转卖]进行直接盈利或[编辑后售卖]进行间接盈利)。
2、本站所有内容均由合作方或网友上传,本站不对文档的完整性、权威性及其观点立场正确性做任何保证或承诺!文档内容仅供研究参考,付费前请自行鉴别。
3、如文档内容存在违规,或者侵犯商业秘密、侵犯著作权等,请点击“违规举报”。

碎片内容

拌和机工程施工安全技术交底(表格)

书海行舟+ 关注
实名认证
内容提供者

热爱教学事业,对互联网知识分享很感兴趣

确认删除?
VIP
微信客服
  • 扫码咨询
会员Q群
  • 会员专属群点击这里加入QQ群
客服邮箱
回到顶部