电脑桌面
添加小米粒文库到电脑桌面
安装后可以在桌面快捷访问

立柱桩(钻孔灌注桩)工程分项工程技术质量交底VIP免费

立柱桩(钻孔灌注桩)工程分项工程技术质量交底_第1页
1/5
立柱桩(钻孔灌注桩)工程分项工程技术质量交底_第2页
2/5
立柱桩(钻孔灌注桩)工程分项工程技术质量交底_第3页
3/5
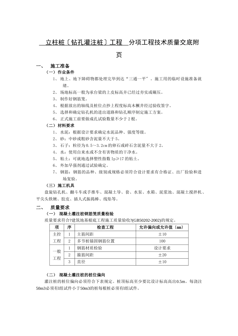
立柱桩〔钻孔灌注桩〕工程分项工程技术质量交底附页一、施工准备(一)作业条件1、地上、地下障碍物都处理完毕到达“三通一平〞。施工用的临时设施准备就绪。2、场地标高一般为承台梁的上皮标高并已经过夯实或碾压。3、制作好钢筋笼。4、根据放出的轴线及桩位点抄上程度标高木橛井经过验收签字。5、选择和确定钻孔机的进出道路和钻孔顺序制定施工方案。6、正式施工前要做成孔试验数量不少于2根。(二)材料要求1、水泥:根据设计要求确定水泥品种、强度等级。2、砂:中砂或粗砂含泥量不大于5。3、石子:粒径为0.5~3.2cm的卵石或碎石含泥量不大于2。4、水:使用自来水或不含有害物质的干净水。5、粘土:可就地选择塑性指数Ip≥17的粘土。6、外加早强剂通过试验确定。7、钢筋:钢筋的品种、级别或规格必须符合设计要求有合格证、出厂捡验和进场复验。(三)施工机具盘旋钻孔机、翻斗车或手推车、混凝土导、套、水泵、水箱、泥浆池、混凝土搅拌机、平尖头铁锹、胶皮、插人式振捣棒、线坠等。二、质量要求(一)混凝土灌注桩钢筋笼质量检验质量要求符合?建筑地基根底工程施工质量验收?(GB50202-2002)的规定。项序检查工程允许偏向或允许值〔mm〕主控工程1主筋间距±102多节桩锚固钢筋位置100一般工程1钢筋材质检验设计要求2箍筋间距±203直径±10(二)混凝土灌注桩的桩位偏向灌注桩的桩位偏向必须符合下表规定。桩顶标高至少要比设计标高高出0.5m。每浇注50m3必须有l组试件小于50m3的桩每根桩必须有l组试件。序成孔桩径允许偏向〔mm〕垂直度允许偏向〔mm〕桩位允许偏向值〔mm〕1~3根单排桩基垂直于中心线方向和群桩根底的边桩条形桩基沿中心线方向和群桩根底的中间桩1泥浆护壁钻孔桩D≤1000mm±50<1D/6且不大于100D/4且不大于150D>1000mm±50100+0.01H150+0.01H2套成孔灌注桩D≤500mm-20<170150D>500mm1001503干成孔灌注桩-20<1701504人工挖孔桩混凝土护壁+50<0.550150钢套护壁+50<1100200注:1.桩径允许偏向的负值是指个别断面。2.采用复打、反插法施工的桩其桩径允许偏向不受上表限制。3.H为施工现场地面标高与桩顶设计标高的间隔D为设计桩径。(三)混凝土灌注桩质量质量要求符合?建筑地基根底工程施工质量验收?(GB50202-2002)的规定。项序检查工程允许偏向或允许值主控工程1桩位见上表灌注桩的桩位允许偏向2孔深〔mm〕+3003桩体质量检验按基桩检测技术4混凝土强度设计要求5承载力按基桩检测技术一般工程1垂直度见上表灌注桩的桩位允许偏向2桩径见上表灌注桩的桩位允许偏向3泥浆比重〔粘土或砂性土中〕1.15~1.204泥浆面标高〔高于地下水位〕〔m〕0.5~1.05沉渣厚度:端承桩〔mm〕摩擦桩〔mm〕≤50≤1506混凝土坍落度:水下灌注〔mm〕干施工〔mm〕160~22070~1007钢筋笼安装深度〔mm〕±1008混凝土充盈系数>19桩顶标高〔mm〕+30,-50三、工艺流程钻孔机就位→钻孔→注泥浆→下套→继续钻孔→排渣→清孔→吊放钢筋笼→射水清底→浇筑混凝土→拔出导→插桩顶钢筋。四、操作工艺(一)泥浆的制备和处理1、除能自行造浆的土层外泥浆制备要选用高塑性粘土或膨润土。拌制泥浆要根据施工机械、工艺及土层进展配合比设计。2、泥浆护壁要符合以下规定(1)施工间护筒内的泥浆面要高出地下水位1.0m以上在受水位涨落影响时泥浆面要高出水位1.5m以上。(2)在清孔过程中要不断置换泥浆直至浇筑混凝±。(3)浇筑混凝土前孔底500mm以内的泥浆比重要小于1.25;含砂率≤8;粘度28s。(4)在易产生泥浆渗漏的土层中要采取维持孔壁稳定的措施。3、废弃的泥浆、渣要按环境保护的有关规定处理。(二)钻孔机就位钻孔机就位时必须保持平稳不发生倾斜、位移为准确控制钻孔深度要在机架上或机上作出控制的标尺以便在施工中进展观测、记录。(三)钻孔及注泥浆调直机架挺杆对好桩位(用对位圈)开动机器钻进出土到达一定深度(视土质和地下水情况)钻孔孔内注入事先调制好的泥浆然后继续进钻。(四)下套(护筒)1、钻孔深度到达5m左右时提钻下套。2、套内径应大于钻头100mm。3、套位置要埋设正确和稳定套与孔壁之间要用粘土填实套中心与桩孔中心线偏向不大于50mm。4、套埋设深度:在粘性土中不小于lm...

1、当您付费下载文档后,您只拥有了使用权限,并不意味着购买了版权,文档只能用于自身使用,不得用于其他商业用途(如 [转卖]进行直接盈利或[编辑后售卖]进行间接盈利)。
2、本站所有内容均由合作方或网友上传,本站不对文档的完整性、权威性及其观点立场正确性做任何保证或承诺!文档内容仅供研究参考,付费前请自行鉴别。
3、如文档内容存在违规,或者侵犯商业秘密、侵犯著作权等,请点击“违规举报”。

碎片内容

立柱桩(钻孔灌注桩)工程分项工程技术质量交底

书海行舟+ 关注
实名认证
内容提供者

热爱教学事业,对互联网知识分享很感兴趣

确认删除?
VIP
微信客服
  • 扫码咨询
会员Q群
  • 会员专属群点击这里加入QQ群
客服邮箱
回到顶部