电脑桌面
添加小米粒文库到电脑桌面
安装后可以在桌面快捷访问

抹水泥砂浆技术交底VIP专享VIP免费

抹水泥砂浆技术交底_第1页
1/5
抹水泥砂浆技术交底_第2页
2/5
抹水泥砂浆技术交底_第3页
3/5
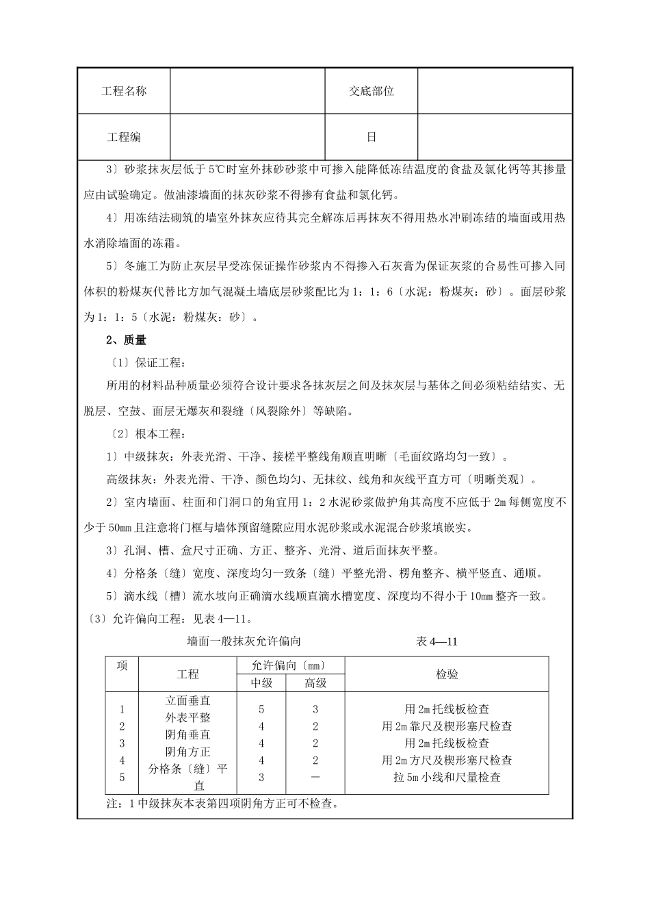
工程名称交底部位工程编日交底内容:抹水泥砂浆1、操作工艺工艺流程:门窗口四周堵缝〔或外墙板竖横缝处理〕→墙面清理粉尘、污垢→浇水潮湿墙面→吊垂直找方抹灰饼冲筋、找规矩→抹底灰→粘分格条〔先弹线〕→抹面层水泥砂浆。〔1〕基层为混凝土外墙板:1〕基层处理:假设混凝土外表很光滑应对其外表进展“毛化处理〞其有两种:一是将其光滑外表用钻子剔毛剔去光面使其变粗糙不平。另一是将光滑的外表刷洗干净并用10火碱除去外表的油污并将碱液冲洗干净晾干采取机械喷涂或用扫帚甩上一层1:1稀粥状水泥砂浆〔内掺20107胶水拌制〕使之凝固在光滑的基层外表用手掰不动为好。2〕吊垂直、套方找规矩:按墙上已弹的基准线分别在门口角、垛、墙面等处吊垂直套方抹灰饼。并按灰饼冲筋。3〕抹底层砂浆:刷掺水重10的107胶水泥浆一道紧跟抹1:3水泥砂浆每遍厚度5~7mm应分层分遍与所抹筋齐平并用大刮平找直木抹子挫毛。4)抹面层砂浆:底层砂浆抹好后第二天即可抹面层砂浆首先应将墙面洇湿按图示尺寸弹分格线粘分格条滴水槽抹面层砂浆。面层砂浆应采用1:2.5水泥砂浆或1:0.5:3.5水泥混合砂浆。抹时先薄薄地刮一层灰使其与底灰粘牢紧跟抹第二道灰与分格条抹平并用杠横竖刮平木抹子挫平铁抹子溜光压实。待外表无明水后用刷子蘸水按垂直于地面的同一方向轻刷一遍以保证面层抹面的颜色一致防止和减少收缩裂缝。及时将分格条起出等灰层干后用素水泥膏将缝子勾好。对于难起的分格条应待灰层干透后再起条防止起坏边棱。如对抹灰工序的安排是先从上往下打底底灰抹完后架子再反上去再从上往下抹面层砂浆时应注意先检查底层灰是否有空鼓现象如有空裂现象应剔凿反修后再做面层另外应注意底层砂浆上的尘土污垢等应先清净浇水潮湿后方可进展面层抹灰。5〕滴水线〔槽〕:在檐口、窗台、窗楣、雨篷、台、压顶和突出面的凸线等上面应做出流水坡度下面应做滴水线〔槽〕。流水坡度及滴水线〔槽〕距外外表不小于40mm滴水线〔又称鹰嘴〕应保证其坡向正确。6〕养护:水泥砂浆抹灰层应在潮湿的环境下养护。工程名称交底部位工程编日〔2〕基层为加气混凝土板:1〕基层处理:用扫帚将板面上的粉尘扫净浇水将板洇透使水浸入加气板达10mm厚为宜。对缺楞掉角的板和板的接缝处高差较大时可用1:1:6混合砂浆用掺20107胶水拌合均匀分层抹平每遍厚5~7mm待灰层凝固后用水潮湿用上述同配比的细砂浆〔砂子用窗纱过筛〕用机械喷或用扫帚甩在加气混凝土墙上。第二天浇水养护至直砂浆疙瘩凝固用手掰不动为止。2〕吊垂直、套方找规矩:同水泥砂浆面层。3〕抹底层砂浆:先刷水重10107胶水泥浆一道随刷随抹底层混合砂浆配合比1:1:6分遍抹平木杠平木抹子搓毛终凝后开场养护。假设砂浆中掺入粉煤灰那么上述配比可以改为〔1:0.5:0.5:6即为水泥:石灰:粉煤灰:砂〕。4〕弹线、粘分格条、滴水槽、抹面层砂浆:首先应按分格尺寸弹线分格粘分格条注意分格竖条粘贴位置应在所弹立线的一侧。防止左右乱粘条粘好后即可抹面层砂浆面层混合砂浆配比为1:1:5或〔1:0.5:0.5:5〕为掺粉煤灰的混合砂浆配合比〕。分两次抹与分格条抹平再用横竖刮平木抹子搓毛铁抹子压实压光待外表无水后用水刷子蘸水按垂直于地面方向轻刷一遍使其面层颜色均匀一致。5〕滴水线〔槽〕:做法及养护要求同上。〔3〕基层为砖墙:1〕基层处理:将墙面上剩余砂浆、污垢、灰尘等清理干净并用水浇墙将砖缝中的尘土冲掉并将墙面潮湿。2〕吊垂直、套方、找规矩、抹灰饼同上。3〕冲筋抹底层砂浆常温时可采用1:0.5:4混合砂浆:冬与所冲筋抹平用大横竖刮平木抹子搓毛终凝后浇水养护。4〕弹线按图纸尺寸分块并粘分格条后抹面层砂浆。操作同前面层砂浆的配合比常温时可采用1:3.5混合砂浆冬施工应采用1:2.5水泥砂浆。5〕滴水线〔槽〕施工作法及灰层养护同上。〔4〕冬雨施工:一般只在初冬间施工严冬阶段不宜施工。1〕冬抹灰砂浆应采用热水拌合并采取保温措施涂抹时砂浆温度不宜低于5℃。〔2〕砂浆抹灰层硬化初不得受冻。工程名称交底部位工程编日3〕砂浆抹灰层低于5℃时室外抹砂砂浆中可掺入能降低冻结温度的食盐及氯化钙等其掺量应由试验确定。做油漆墙面的抹灰砂浆不...

1、当您付费下载文档后,您只拥有了使用权限,并不意味着购买了版权,文档只能用于自身使用,不得用于其他商业用途(如 [转卖]进行直接盈利或[编辑后售卖]进行间接盈利)。
2、本站所有内容均由合作方或网友上传,本站不对文档的完整性、权威性及其观点立场正确性做任何保证或承诺!文档内容仅供研究参考,付费前请自行鉴别。
3、如文档内容存在违规,或者侵犯商业秘密、侵犯著作权等,请点击“违规举报”。

碎片内容

抹水泥砂浆技术交底

确认删除?
VIP
微信客服
  • 扫码咨询
会员Q群
  • 会员专属群点击这里加入QQ群
客服邮箱
回到顶部