电脑桌面
添加小米粒文库到电脑桌面
安装后可以在桌面快捷访问

一体机市场现状与未来发展方向分析VIP专享VIP免费

一体机市场现状与未来发展方向分析_第1页
1/6
一体机市场现状与未来发展方向分析_第2页
2/6
一体机市场现状与未来发展方向分析_第3页
3/6
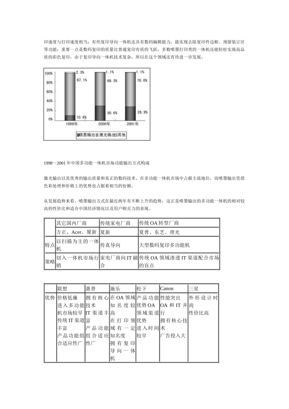
标题:一体机市场现状及未来发展方向分析资料信息:一体机是什么呢?它就是集成了打印、复印、扫描、传真里两种或两种以上功能的办公设备。因为一体机除了在速度、分辨率等性能上和单一设备不相上下之外,最主要的是在功能集成、外观体积等品质上要优于单一功能的办公设备,它倡导了符合当今集成化,简约化的办公潮流。简言之,一体机就是一个“N”(N≥2),N的结果将是“远远大于1”!信息化时代产品的更新换代之快可用“一日千里”来形容,技术进步与市场需求互为动力,为我们平凡的生活谱写了美丽的乐章。近年来大规模出现的“一体机”就是这些乐章的一个重要音符。随着办公设备向自动化、数字化、集成化方向发展,用户们为了进一步完善办公环境,开始使用代表这种发展方向的一体机设备。由于其具有操作简捷、工作效率高等优势,很快便赢得了我们办公者的青睐,赢得了部分办公设备市场。从技术方式上来看,一体机可以分为碳带热转印一体机、喷墨一体机和激光一体机。从它们的市场地位而言,一体机可分成激光型、喷墨型两大类。喷墨一体机凭借色彩处理和价格优势占据了相当的市场份额。激光一体机则凭借其优秀的输出质量和数码技术,在一体机市场中占据主流地位。随着人们消费能力的提高,办公需求的增加以及激光打印技术的进一步发展,激光一体机很大程度上将成为未来一体机市场的主导产品。1998~2001年中国多功能一体机市场功能组合方式构成传真、打印和复印的功能组合是目前市场的主流组合形式,而全方位集成的产品也有一定的规模。实际上,不管是喷墨一体机还是激光一体机,它们并不是多个设备的简单叠加,而是采用了完善的集成技术,将复印、打印、扫描、传真等众多功能有机集于一身,既节省空间,又经济高效。虽说这些功能可以同时工作,但每款一体机还是有不同的主导功能,有的以打印为主,有的以扫描为主,有的以复印为主,有的以传真为主等,这样就形成了不同导向的一体机市场环境。而现在不论在办公室还是家庭,最常用的还是打印和复印功能。不少厂商推出的一体机大多是由传真机或打印机脱胎换骨而成,此种机型在传真或打印方面功能突出,而在复印方面表现平平。多功能一体机的复印功能是数码复印,同普通复印机相比有许多优势。它利用缓冲技术,可实现一次扫描、多次拷贝,使复印速度与打印速度相当;有些复印导向一体机还具有数码编辑能力,能实现去除复印件边框、预留装订区等功能;重要一点是数码复印的质量比普通复印有质的飞跃,多数喷墨打印类的一体机还能轻松实现高品质的彩色复印。由于复印导向一体机技术复杂,所以在这个领域还有待进一步发展。1998~2001年中国多功能一体机市场功能输出方式构成激光输出以其优秀的输出质量和真正的数码技术,在多功能一体机市场中占据主流地位,而喷墨输出凭借色彩处理和价格上的优势也占据着相当的份额。从发展趋势来看,喷墨输出方式在最近两年有不断上升的趋势,这正是喷墨输出的多功能一体机的相对较高的性价比和适合中国经济情况以及用户购买力的表现。其它国内厂商传统家电厂商传统OA转型厂商方正、Acer、厦新夏新夏普、东芝、理光特点以扫描为主的一体机传真导向大型数码复印多功能机策略切入一体机市场行销家电厂商向IT融合传统OA领域渗透IT渠道配合市场的盲点联想惠普施乐松下Canon三星优势价格低廉进入多功能机市场较早传统IT渠道丰富产品功能组合适应性广拥有核心技术IT渠道丰富产品功能组合适应性广在OA领域知名度较高在打印领域有一定知名度拥有复印导向一体机产品功能优势OA领域渠道优势进入时间较早性能突出OA和IT并行拥有核心技术广告投入大外形设计时尚性价比高劣势在OA领域无品牌优势进入OA领域较晚多功能性不够丰富该类产品不是其主推产品市场推广方式陈旧市场力度较小产品线相对不完整过于依附OA渠道技术优势不明显特点传真导向为主质量可靠、功能完善后续服务周到打印、复印一体机产品为主售后服务维修系统完整其一体机产品通过相关插件扩充功能复印导向的产品迅速进入多功能领域,发展较快策略打印一体机为辅品牌化本地化、本土化网络化性价比化品牌化本地化、本土化网络化性价比化完善一体机的整体...

1、当您付费下载文档后,您只拥有了使用权限,并不意味着购买了版权,文档只能用于自身使用,不得用于其他商业用途(如 [转卖]进行直接盈利或[编辑后售卖]进行间接盈利)。
2、本站所有内容均由合作方或网友上传,本站不对文档的完整性、权威性及其观点立场正确性做任何保证或承诺!文档内容仅供研究参考,付费前请自行鉴别。
3、如文档内容存在违规,或者侵犯商业秘密、侵犯著作权等,请点击“违规举报”。

碎片内容

一体机市场现状与未来发展方向分析

确认删除?
VIP
微信客服
  • 扫码咨询
会员Q群
  • 会员专属群点击这里加入QQ群
客服邮箱
回到顶部