电脑桌面
添加小米粒文库到电脑桌面
安装后可以在桌面快捷访问

安装工程计量与计价实训教程(连载)VIP免费

安装工程计量与计价实训教程(连载)_第1页
1/92
安装工程计量与计价实训教程(连载)_第2页
2/92
安装工程计量与计价实训教程(连载)_第3页
3/92
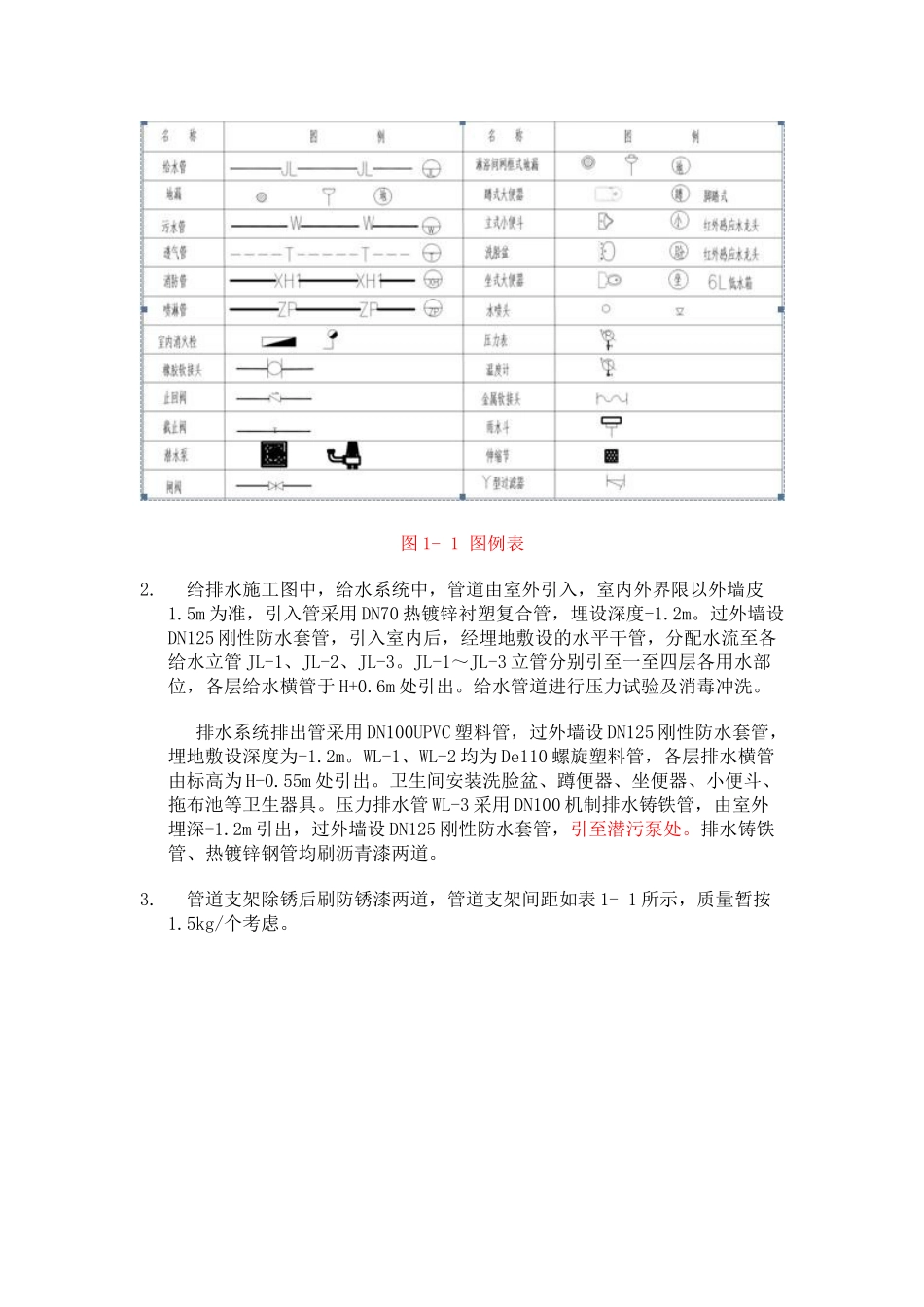
安装工程计量与计价实训教程(连载三)第一章给排水专业工程工程量计算实训【能力目标】1.能够熟练识读给排水专业工程施工图。2.能够依据图纸手工计算给排水专业工程量。3.能够依据图纸使用软件计算给排水专业工程量。【知识目标】1.了解给排水的系统原理。2.了解给排水工程常用材料和工程项目组成。3.熟悉给排水系统中的相关图例。4.掌握比例尺应用原理。5.掌握给排水工程量清单的编制步骤、内容、计算规则及其格式。1.1任务一给排水专业工程图纸及业务分析1.1.1任务说明按照办公大厦给排水施工图,完成以下工作:1.识读给排水工程整体施工图,请核查图纸是否齐全,其中图纸包括有设计说明(详见图纸水施-02、水施-03、水施-04)、材料表(详见图纸水施-04)、平面图(详见图纸水施-08~水施-13)、系统图(详见图纸水施-05、水施-06)、详图(详见图纸水施-07)。2.查看给排水工程的分类及系统走向,确定室内外管道界限的划分,给排水工程管道材质的种类(详见图纸水施-04、水施-08);弄清给水引入管和污水排出管的平面走向、位置(详见图纸水施-07);分别查明给水干管、排水干管、立管、横管、支管的平面位置与走向,确定管道是否需要进行水压试验,消毒冲洗及管道刷油防腐(详见图纸水施-05、水施-06、水施-07)。3.查找给排水工程中管道支架布置方式及刷油防腐方式。4.确定给排水工程卫生器具、阀门及泵的种类,查明卫生器具、阀门和泵的类型、数量、安装位置(详见图纸水施-03、水施-04、水施-07)。5.按照现行工程量清单计价规范,结合给排水专业工程图纸对给排水管道、管道支架、阀门及卫生器具清单列项并对清单项目编码、项目名称、项目特征、计量单位、计算规则、工作内容进行详细描述。1.1.2任务分析1.给排水专业工程,图纸识读过程中,给排水管道、卫生器具、阀门及泵在材料表中的图例是如何表示的(详见图纸水施-04)?平面图(详见图纸水施-08~水施-13)、系统图(详见图纸水施-05、水施-06)、详图(详见图纸水施-07)是如何对应的?2.给排水工程是如何分类的(详见图纸水施-02)?室内外管道界限应如何划分(详见图纸水施-08)?给水排水管道穿越建筑物是否设置保护套管,何处设置,具体要求是怎样的(详见图纸水施-08)?给排水专业工程中管道采用什么敷设方式(详见图纸水施-03)?给排水管道分别采用什么材质、什么连接方式(详见图纸水施-03)?给排水管道安装高度如何确定(详见图纸水施-05)?管道采用哪种形式的压力试验及消毒冲洗方式(详见图纸水施-2、水施-03、水施-04)?管道刷油防腐的方法?3.给排水工程中,管道支架形式、设置要求、刷油防腐是如何规定的(详见图纸水施-2、水施-03、水施-04)?4.给排水工程中卫生器具、阀门、泵有哪些种类(详见图纸水施-2、水施-03、水施-04)?5.给排水工程中清单项目编码如何表示?管道清单、管道支架、套管、阀门、卫生器具分别包含什么工作内容,以什么为计量单位,项目特征如何描述,及其工程量是如何计算的?1.1.3任务实施1.识读给排水施工图,将平面图与系统图对照起来看,水平管道在平面图中体现,在平面图中立管用圆圈表示,相应立管信息在系统中可以看到,其标识包括标高、管径等,从干管引至各楼层横管与大样图相连接,大样图包括与卫生器具连接的水平管和立管。给排水管道、卫生器具、阀门及泵在材料表中图例表示方法如图1-1所示。图1-1图例表2.给排水施工图中,给水系统中,管道由室外引入,室内外界限以外墙皮1.5m为准,引入管采用DN70热镀锌衬塑复合管,埋设深度-1.2m。过外墙设DN125刚性防水套管,引入室内后,经埋地敷设的水平干管,分配水流至各给水立管JL-1、JL-2、JL-3。JL-1~JL-3立管分别引至一至四层各用水部位,各层给水横管于H+0.6m处引出。给水管道进行压力试验及消毒冲洗。排水系统排出管采用DN100UPVC塑料管,过外墙设DN125刚性防水套管,埋地敷设深度为-1.2m。WL-1、WL-2均为De110螺旋塑料管,各层排水横管由标高为H-0.55m处引出。卫生间安装洗脸盆、蹲便器、坐便器、小便斗、拖布池等卫生器具。压力排水管WL-3采用DN100机制排水铸铁管,由室外埋深-1.2m引出,过外墙设DN125刚性防...

1、当您付费下载文档后,您只拥有了使用权限,并不意味着购买了版权,文档只能用于自身使用,不得用于其他商业用途(如 [转卖]进行直接盈利或[编辑后售卖]进行间接盈利)。
2、本站所有内容均由合作方或网友上传,本站不对文档的完整性、权威性及其观点立场正确性做任何保证或承诺!文档内容仅供研究参考,付费前请自行鉴别。
3、如文档内容存在违规,或者侵犯商业秘密、侵犯著作权等,请点击“违规举报”。

碎片内容

安装工程计量与计价实训教程(连载)

确认删除?
VIP
微信客服
  • 扫码咨询
会员Q群
  • 会员专属群点击这里加入QQ群
客服邮箱
回到顶部