电脑桌面
添加小米粒文库到电脑桌面
安装后可以在桌面快捷访问

住院部综合业务楼高大模板工程专项施工方案VIP免费

住院部综合业务楼高大模板工程专项施工方案_第1页
1/186
住院部综合业务楼高大模板工程专项施工方案_第2页
2/186
住院部综合业务楼高大模板工程专项施工方案_第3页
3/186
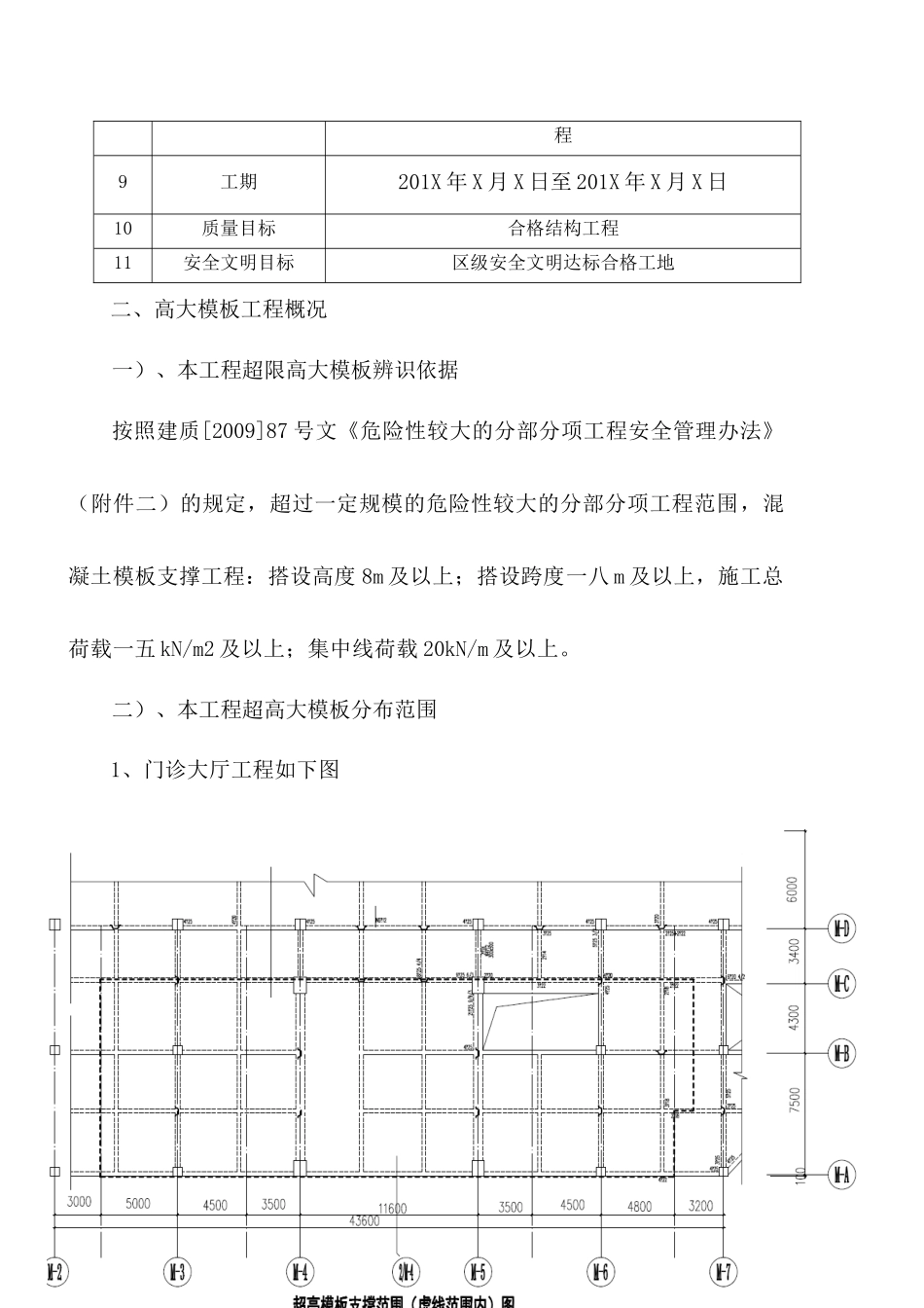
第一章工程概况第一节工程概况一、工程概况1、XXX人民医院住院部综合业务楼工程,位于XXX,总建筑面积约XXXm²。高支模分布于门诊大厅建筑。大厅超高建筑面约为XXXm²,高度XXXm;房屋总高度:XXXm,建筑层数:地上XF层、地下一层(高支模为地上单层,地下一层),结构形式:框架结构。门诊大厅为单层,屋顶与主楼第三层楼面相连平齐,第二层除正面只设计有梁外,其它三面都设计有现浇梁板,一层建筑面积约XXXm2,层高4.5m;二层建筑面积XXXm2层高为XXX米;门诊大厅最大高度为XXXm。2、参建各方主体及建设目标序号项目内容1工程名称XXX人民医院住院部综合业务楼工程2工程地址XXX3项目业主XXX4设计单位XXX5勘察单位XXX6监理单位XXX7施工总承包单位XXX8合同承包范围施工图纸范围内的整个土建、安装、消防、外墙装饰工程9工期201X年X月X日至201X年X月X日10质量目标合格结构工程11安全文明目标区级安全文明达标合格工地二、高大模板工程概况一)、本工程超限高大模板辨识依据按照建质[2009]87号文《危险性较大的分部分项工程安全管理办法》(附件二)的规定,超过一定规模的危险性较大的分部分项工程范围,混凝土模板支撑工程:搭设高度8m及以上;搭设跨度一八m及以上,施工总荷载一五kN/m2及以上;集中线荷载20kN/m及以上。二)、本工程超高大模板分布范围1、门诊大厅工程如下图三)、超限模板支架构件统计一览表1、门诊大厅模板支架构件统计一览表序号构件名称断面尺寸mm最大跨度m支架底至构件顶高度m构件位置超限内容构件数量1框支梁600×100010.38.7M-4、M-5\A-C轴支撑高度2根2主、次梁300×800、300×700、250×650、250×600118.78.78.7M-2~M-7\A~C轴支撑高度10根3板1208.7M-2~M-7\A~C轴支撑高度487.3m2注:支撑架基础为:一八0厚C35混凝土四)、门诊大厅结构平面图三、本工程的高大模板支撑体系特点:一)、门诊大厅高支模工程1、特点1)、超限模板支撑面积较小:约341㎡;2)、跨度:两根框支主梁梁跨度为10.30m;3)、支撑高度较高:支架基础面至构件顶面高度为8.70m4)、梁断面尺寸一般:600×1000mm和300×800、300×700、250×650、250×600mm。5)、一次性混凝土浇筑梁较大:本楼层高大模板支撑部分的混凝土量约为120m3.本工程采用商品混凝土,浇捣时采用一台汽车泵进行混凝土输送6)、支架搭设及模板安装工程量:模板支架搭设量约为3000m3,模板工程梁约为784.3m2。2、特点1)、支撑高度较高:支架基础顶至梁板构件顶高度为8.7m。梁断面尺寸一般(600×1000),线性荷载一般大(未超标),支架立杆设计间距一般,施工支架搭设质量好保证。梁不高,混凝土浇筑时侧向稳定性较好(钢管脚手架与一、二钢管脚手架整体相连)。2)、一次性混凝土浇筑量不大,商品混凝土的供应及运输能保证。3)、施工处于秋冬天阴雨季,天气情况难度不大。4)、周转及摊销材料需求集中,且数量不大。其中模板支架钢管需用17000m,扣件10000件,顶托5000件,一五厚九夹板900m2.5)、模板支架搭设脚手架工人需求量约为10-一五人。6)、梁板模板工需求10-一五人。第二节施工平面布置1、施工平面布置图见附图第三节施工要求1、施工前应编制高大模板工程安全专项施工方案,组织专家论审查。并根据论证审查报告修改完善安全专项施工方案,经施工企业技术负责人、总监理工程师及建设单位项目负责人签字后,方可实施.2、高大模板安全专项施工方案,经总监理工程师批准后,报送安全监督站完善相关手续。3、高大模板工程搭设完毕后,组织施工、监理、设计单位进行验收。4、高大模板工程验收合格后,应填写《高大模板工程专项验收记录表》,方可进入下一道工序施工。5、高大模板工程专项施工方案中应包括混凝土浇筑方案。6、确保模板在使用周期内安全、稳定、牢靠。7、模板在搭设及拆除过程中要符合工程施工进度要求。8、模板施工前对施工人员进行技术交底,严禁盲目施工。第四节技术保证条件一、安全管理网络二、技术保证条件1、严格按照《危险性较大的分部分项工程安全管理办法》(建质[2009]87号)、《建设工程高大模板支撑系统施工安全监督管理导则》(建质[2009]254号)文件规定编制高大模板工程安全专项施工方...

1、当您付费下载文档后,您只拥有了使用权限,并不意味着购买了版权,文档只能用于自身使用,不得用于其他商业用途(如 [转卖]进行直接盈利或[编辑后售卖]进行间接盈利)。
2、本站所有内容均由合作方或网友上传,本站不对文档的完整性、权威性及其观点立场正确性做任何保证或承诺!文档内容仅供研究参考,付费前请自行鉴别。
3、如文档内容存在违规,或者侵犯商业秘密、侵犯著作权等,请点击“违规举报”。

碎片内容

住院部综合业务楼高大模板工程专项施工方案

确认删除?
VIP
微信客服
  • 扫码咨询
会员Q群
  • 会员专属群点击这里加入QQ群
客服邮箱
回到顶部