电脑桌面
添加小米粒文库到电脑桌面
安装后可以在桌面快捷访问

人工挖孔桩隐蔽验收记录(兴县劳动就业服务中心就业训练中心建设项目10)VIP免费

人工挖孔桩隐蔽验收记录(兴县劳动就业服务中心就业训练中心建设项目10)_第1页
1/38
人工挖孔桩隐蔽验收记录(兴县劳动就业服务中心就业训练中心建设项目10)_第2页
2/38
人工挖孔桩隐蔽验收记录(兴县劳动就业服务中心就业训练中心建设项目10)_第3页
3/38
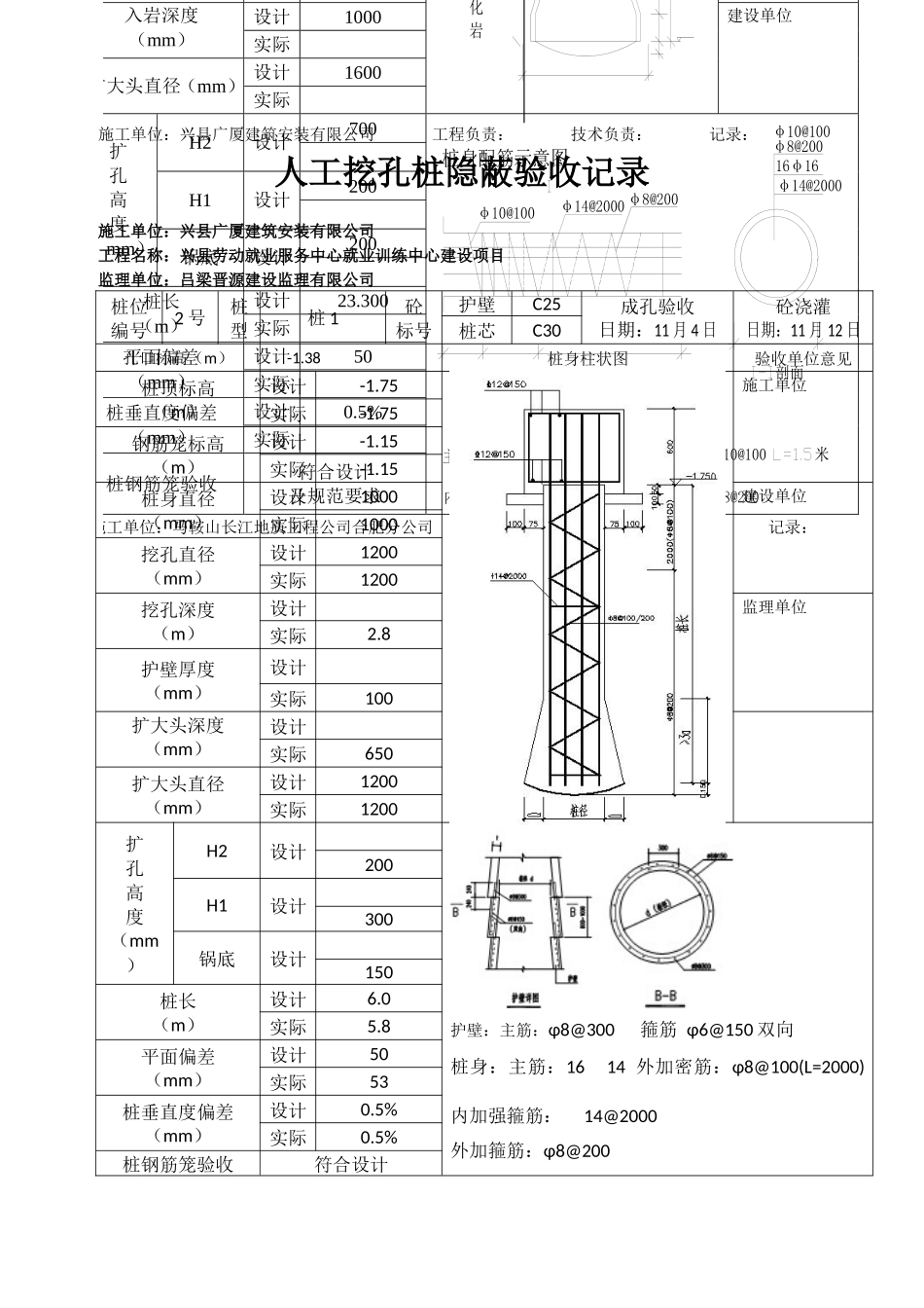
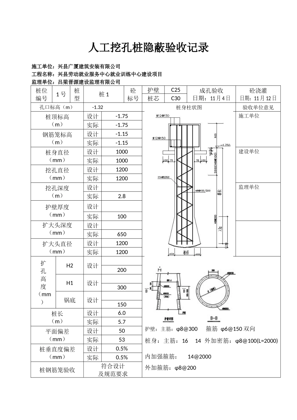
人工挖孔桩隐蔽验收记录施工单位:兴县广厦建筑安装有限公司工程名称:兴县劳动就业服务中心就业训练中心建设项目监理单位:吕梁晋源建设监理有限公司桩位编号1号桩型桩1砼标号护壁C25成孔验收日期:11月4日砼浇灌日期:11月12日桩芯C30孔口标高(m)-1.32桩身柱状图验收单位意见桩顶标高(m)设计-1.75施工单位实际-1.75钢筋笼标高(m)设计-1.15实际-1.15桩身直径(mm)设计1000建设单位实际1000挖孔直径(mm)设计1200实际1200挖孔深度(m)设计监理单位实际2.8护壁厚度(mm)设计实际100扩大头深度(mm)设计实际650扩大头直径(mm)设计1200实际1200扩孔高度(mm)H2设计护壁:主筋:φ8@300箍筋φ6@150双向桩身:主筋:1614外加密筋:φ8@100(L=2000)内加强箍筋:14@2000外加箍筋:φ8@200200H1设计300锅底设计150桩长(m)设计6.0实际5.7平面偏差(mm)设计50实际53桩垂直度偏差(mm)设计0.5%实际0.5%桩钢筋笼验收符合设计及规范要求施工单位:兴县广厦建筑安装有限公司工程负责:技术负责:记录:人工挖孔桩隐蔽验收记录施工单位:兴县广厦建筑安装有限公司工程名称:兴县劳动就业服务中心就业训练中心建设项目监理单位:吕梁晋源建设监理有限公司桩位编号2号桩型桩1砼标号护壁C25成孔验收日期:11月4日砼浇灌日期:11月12日桩芯C30孔口标高(m)-1.38桩身柱状图验收单位意见桩顶标高(m)设计-1.75施工单位实际-1.75钢筋笼标高(m)设计-1.15实际-1.15桩身直径(mm)设计1000建设单位实际1000挖孔直径(mm)设计1200实际1200挖孔深度(m)设计监理单位实际2.8护壁厚度(mm)设计实际100扩大头深度(mm)设计实际650扩大头直径(mm)设计1200实际1200扩孔高度(mm)H2设计护壁:主筋:φ8@300箍筋φ6@150双向桩身:主筋:1614外加密筋:φ8@100(L=2000)内加强箍筋:14@2000外加箍筋:φ8@200200H1设计300锅底设计150桩长(m)设计6.0实际5.8平面偏差(mm)设计50实际53桩垂直度偏差(mm)设计0.5%实际0.5%桩钢筋笼验收符合设计人工挖孔桩隐蔽验收记录建设单位:合肥乐富强房地产有限公司工程名称:御龙湾小区11#楼桩基工程监理单位:中外建天利(北京)监理工程咨询公司护壁C35桩位编号1#桩型ZH1.0-K1.6砼标号桩芯C35成孔验收日期:月日砼浇灌日期:月日孔口标高(m)-4.355桩身柱状图验收单位答注设计-7.200桩顶标高(m)实际设计-6.480钢筋笼标高(m)实际地质勘查单位设计1000桩身直径(mm)实际设计1300挖孔直径(mm)实际设计单位设计26.145挖孔深度(m)实际设计150/100护壁厚度(mm)实际监理单位设计1000入岩深度(mm)实际设计1600扩大头直径(mm)实际建设单位700H2设计200H1设计200扩孔高度(mm)锅底设计设计23.300桩长(m)实际设计50平面偏差(mm)实际设计0.5%桩垂直度偏差(mm)实际桩钢筋笼验收符合设计及规范要求施工单位:马鞍山长江地质工程公司合肥分公司工程负责:技术负责:记录:桩身配筋示意图主筋:16φ16外加密筋:φ10@100米外加筋箍:φ8@200内加筋箍:φ14@2000剖面φ8@200φ10@10016φ16φ14@2000φ10@100φ8@200φ14@2000土层厚度粘土层强风化岩中风化岩及规范要求施工单位:兴县广厦建筑安装有限公司工程负责:技术负责:记录:人工挖孔桩隐蔽验收记录施工单位:兴县广厦建筑安装有限公司工程名称:兴县劳动就业服务中心就业训练中心建设项目监理单位:吕梁晋源建设监理有限公司桩位编号3号桩型桩1砼标号护壁C25成孔验收日期:11月4日砼浇灌日期:11月12日桩芯C30孔口标高(m)-1.25桩身柱状图验收单位意见桩顶标高(m)设计-1.75施工单位实际-1.75钢筋笼标高(m)设计-1.15实际-1.15桩身直径(mm)设计1000建设单位实际1000挖孔直径(mm)设计1200实际1200挖孔深度(m)设计监理单位实际2.8护壁厚度(mm)设计实际100扩大头深度(mm)设计实际650扩大头直径(mm)设计1200实际1200扩孔高度(mm)H2设计护壁:主筋:φ8@300箍筋φ6@150双向桩身:主筋:1614外加密筋:φ8@100(L=2000)内加强箍筋:14@2000200H1设计300锅底设计150桩长(m)设计6.0实际6.1平面偏差(mm)设计50实际53桩垂直度偏差(mm)设计0.5%实际0.5%人工...

1、当您付费下载文档后,您只拥有了使用权限,并不意味着购买了版权,文档只能用于自身使用,不得用于其他商业用途(如 [转卖]进行直接盈利或[编辑后售卖]进行间接盈利)。
2、本站所有内容均由合作方或网友上传,本站不对文档的完整性、权威性及其观点立场正确性做任何保证或承诺!文档内容仅供研究参考,付费前请自行鉴别。
3、如文档内容存在违规,或者侵犯商业秘密、侵犯著作权等,请点击“违规举报”。

碎片内容

人工挖孔桩隐蔽验收记录(兴县劳动就业服务中心就业训练中心建设项目10)

您可能关注的文档

确认删除?
VIP
微信客服
  • 扫码咨询
会员Q群
  • 会员专属群点击这里加入QQ群
客服邮箱
回到顶部