电脑桌面
添加小米粒文库到电脑桌面
安装后可以在桌面快捷访问

行政强制常用执法文书参考样式VIP免费

行政强制常用执法文书参考样式_第1页
1/26
行政强制常用执法文书参考样式_第2页
2/26
行政强制常用执法文书参考样式_第3页
3/26
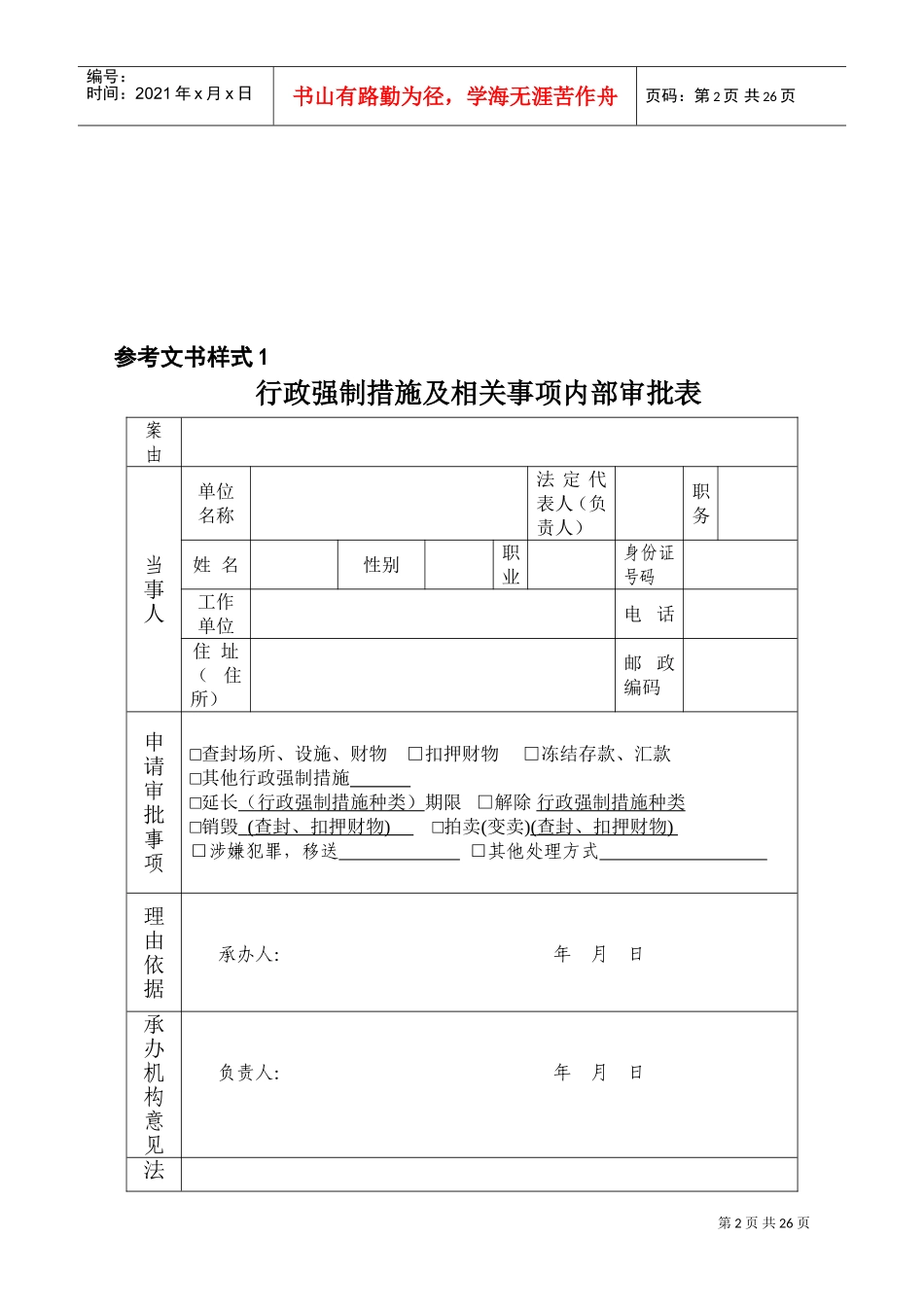
第1页共26页编号:时间:2021年x月x日书山有路勤为径,学海无涯苦作舟页码:第1页共26页浙江省行政强制常用执法文书参考样式目录1.行政强制措施及相关事项内部审批表2.行政强制措施现场笔录3.查封(扣押)决定书4.查封(扣押)物品清单5.延长查封(扣押)期限决定书6.检测、检验、检疫、技术鉴定期限告知书7.解除查封(扣押)决定书8.冻结存款(汇款)决定书9.延长冻结存款(汇款)期限决定书10.解除冻结存款(汇款)决定书11.冻结存款(汇款)通知书12.延长冻结存款(汇款)期限通知书13.解除冻结存款(汇款)通知书14.行政强制措施决定书15.解除行政强制措施决定书16.行政强制措施物品移送告知书17.催告书18.行政强制执行及相关事项内部审批表19.行政强制执行决定书20.行政强制拆除公告21.划拨存款(汇款)通知书22.划拨存款(汇款)决定书23.代履行决定书24.立即代履行事后通知书25.行政强制执行现场笔录26.中止强制执行通知书27.终结强制执行通知书28.恢复强制执行通知书29.执行协议30.强制执行申请书31.送达回证第2页共26页编号:时间:2021年x月x日书山有路勤为径,学海无涯苦作舟页码:第2页共26页参考文书样式1行政强制措施及相关事项内部审批表案由当事人单位名称法定代表人(负责人)职务姓名性别职业身份证号码工作单位电话住址(住所)邮政编码申请审批事项□查封场所、设施、财物□扣押财物□冻结存款、汇款□其他行政强制措施□延长(行政强制措施种类)期限□解除行政强制措施种类□销毁(查封、扣押财物)□拍卖(变卖)(查封、扣押财物)□涉嫌犯罪,移送□其他处理方式理由依据承办人:年月日承办机构意见负责人:年月日法第3页共26页编号:时间:2021年x月x日书山有路勤为径,学海无涯苦作舟页码:第3页共26页制机构意见(注:申请事项是否需要法制机构出具意见由各单位依法自行确定)审核人:年月日行政机关负责人意见审批人:年月日备注参考文书样式2(行政机关或授权组织全称)行政强制措施现场笔录时间:年月日时分至时分。地点:记录人:行政执法人员及执法证件号码:、当事人姓名(名称):法定代表人或负责人:住所(住址):联系电话:见证人:身份证(或其他有效证件)号码:单位或者住址:联系电话:现场情况及告知事项:(参加人员情况,行政执法人员出示证件、表明身份的记录,标第4页共26页编号:时间:2021年x月x日书山有路勤为径,学海无涯苦作舟页码:第4页共26页的物情况,通知当事人到场及当事人是否到场情况,当场告知对当事人采取行政强制措施的理由、依据以及当事人依法享有的权利、救济途径和义务等)当事人的陈述、申辩:现场处理情况:(现场处理经过,对当事人陈述、申辩意见的裁量理由,实施行政强制措施的过程、采取的方式方法及结果等内容)(现场笔录写不下时可用续页)当事人(签名或者盖章):年月日见证人(签名或者盖章):年月日行政执法人员(签名或者盖章):、年月日第页共页参考文书样式3(行政机关或授权组织全称)查封(扣押)决定书强查(扣)决字〔〕第号当事人:(姓名或名称)地址:经查,你(单位)涉嫌,依据(《××法》第×条、第×款、第×项)之规定,决定对你(单位)的(场所、设施、财物的名称、数量等)予以查封(扣押)。查封(扣押)期限为日,自年月日起至年月日止。如因检测、检验、检疫或者技术鉴定需要顺延期限的,或因情况复杂依法需要延长期限的,本机关将另行书面告知。在查封(扣押)期限内,你(单位)不得(使用、销售、转移、损毁、隐匿等)该(场所、设施、财物名称)。查封(扣押)物品存放(在)地点:。如不服本决定,你(单位)可以在收到本决定书之日起六十日内向×××人民政府或(上一级行政机关名称)申请行政复议;也可以在三个月内直接向×××人民法院提起行政诉讼。附件:查封(扣押)物品清单(行政机关或授权组织的名称及印章)年月日注:本决定书一份交当事人,一份存档;如由第三人保管,增加一份给第三人。第5页共26页编号:时间:2021年x月x日书山有路勤为径,学海无涯苦作舟页码:第5页共26页参考文书样式4(行政机关或授权组织全称)查封(扣押)物品清单第页共页行政强制措...

1、当您付费下载文档后,您只拥有了使用权限,并不意味着购买了版权,文档只能用于自身使用,不得用于其他商业用途(如 [转卖]进行直接盈利或[编辑后售卖]进行间接盈利)。
2、本站所有内容均由合作方或网友上传,本站不对文档的完整性、权威性及其观点立场正确性做任何保证或承诺!文档内容仅供研究参考,付费前请自行鉴别。
3、如文档内容存在违规,或者侵犯商业秘密、侵犯著作权等,请点击“违规举报”。

碎片内容

行政强制常用执法文书参考样式

确认删除?
VIP
微信客服
  • 扫码咨询
会员Q群
  • 会员专属群点击这里加入QQ群
客服邮箱
回到顶部