电脑桌面
添加小米粒文库到电脑桌面
安装后可以在桌面快捷访问

市场调查与预测复习题VIP免费

市场调查与预测复习题_第1页
1/6
市场调查与预测复习题_第2页
2/6
市场调查与预测复习题_第3页
3/6
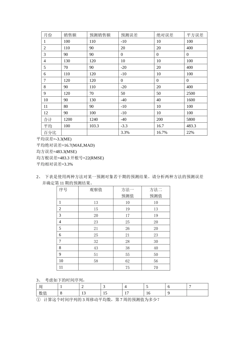
《市场调查与预测》复习题一、问答1、什么是市场调查2、什么是市场预测3、市场调查与市场预测的关系4、简述市场调查、市场预测与决策的关系。5、市场调查与预测有什么作用,进行市场调查与预测有什么意义?6、市场调查应遵循的基本原则7、市场调查有哪些类型?8、什么是探测性调查、描述性调查、因果性调查,它们之间有什么异同?9、简述市场调查的内容。10、市场调查应遵循的程序?11、在市场调研工作中,如何确定市场调研的主题?12、市场调查的方法有哪些,各有什么优缺点?13、询问调查法有哪些具体形式,各有什么优缺点?14、调查表的基本格式?15、调查表设计中应注意的问题?16、什么是抽样误差?17、如何确定样本规模?18、市场预测的基本原理有哪些?19、如果要预测2005年全国的运输周转量,请问应该按什么步骤做哪些工作?20、预测工作应遵循什么步骤?21、常用预测方法有哪几种?论述各种方法的优缺点和适用范围。22、常用预测方法有定性预测方法、时间序列预测法、回归分析预测法,请说出各种方法的优缺点和适用范围。23、什么是梯减法?如何使用梯减法进行预测?24、集体推断预测法有哪些组织形式,各有什么特点?25、专家会议法有哪些会议形式?各有什么特点?26、什么是专家小组法?它有什么特点?27、时间序列一般由哪几种基本模式构成?分析时间序列模式有何作用?如何分析时间序列的模式?28、说明时间序列预测法的预测思路。29、什么是回归分析预测法?说明回归分析预测法的工作步骤。30、请问在预测工作中,如何选择预测方法?31、如何选用趋势外推模型?32、什么是指数平滑法?说明其加权性质和特点。33、回归分析预测法的显著性检验有哪些?34、什么是定性预测方法,它有哪些特点?35、因变量Y的总变差、回归变差和剩余变差各指什么?有什么含义?二、计算1、下表是某销售公司月销售额数据及使用某种方法的预测数据,请计算该方法产生的平均误差、平均绝对误差、均方误差、均方根误差。月份销售额预测销售额预测误差绝对误差平方误差1100110-10101002110902020400390900004130120101010057090-20204006110120-10101007120120000890110-2020400912070505025001090130-40401600118090-10101001290100-1010100合计12001240-402005800平均100103.3-3.316.7483.3百分比3.3%16.7%22%平均误差=-3.3(ME)平均绝对误差=16.7(MAE,MAD)均方误差=483.3(MSE)均方根误差=483.3开根号=22(RMSE)平均相对误差=3.3%2、下表是使用两种方法对某一预测对象若干期的预测结果。请分析两种方法的预测误差并确定第11期的预测结果。序号观察值方法一预测值方法二预测值113101021519133201719423252052126206252123732283084338409515550105862561175703、考虑如下的时间序列,周1234567数值8131517169①计算这个时间序列的3周移动平均数,第7周的预测值为多少?②计算3周移动平均数的均方误差③用α=0.2,计算这个时间序列的指数平滑值,第7周的预测值为多少?④比较3周的移动平均预测值和用α=0.2的指数平滑预测值,那种方法提供更合适的预测?⑤用α=0.4计算指数平滑值。平滑系数0.2和0.4那个提供更合适的预测?解释原因4、如下是汽油销售量时间序列,请分别使用n=3的移动平均法和α=0.2的指数平滑法预测第13期的汽油销售量;计算两种方法所产生的均方误差;请问那种方法提供的预测结果更合适?周12345678910111213销售量1721192318162018222015225、加权移动平均考虑上表中的汽油销售量时间序列。①用权数1/2、1/3、1/6分别为最近时期、中间时期、最远时期观测值的权数,计算这个时间序列的3周加权移动平均数预测值。②计算3周加权移动平均数预测值的均方误差,你认为3周移动平均数和3周加权移动平均数那个更好?6、某地区国民生产总值历年的统计资料如下表。请用二次移动平均法预测第10年度这一地区的国民生产总值(设移动期数为3,只算点估计值)。年份编号国民生产总值(千亿元)13.624.034.244.554.865.275.685.896.27、delta航空公司10年间的总收入(单位:百万美元)如下年总收入124282295133533436185361664264747388446095318106915a.建立这个时间序列的线性趋势方程,对delta航...

1、当您付费下载文档后,您只拥有了使用权限,并不意味着购买了版权,文档只能用于自身使用,不得用于其他商业用途(如 [转卖]进行直接盈利或[编辑后售卖]进行间接盈利)。
2、本站所有内容均由合作方或网友上传,本站不对文档的完整性、权威性及其观点立场正确性做任何保证或承诺!文档内容仅供研究参考,付费前请自行鉴别。
3、如文档内容存在违规,或者侵犯商业秘密、侵犯著作权等,请点击“违规举报”。

碎片内容

市场调查与预测复习题

确认删除?
VIP
微信客服
  • 扫码咨询
会员Q群
  • 会员专属群点击这里加入QQ群
客服邮箱
回到顶部