电脑桌面
添加小米粒文库到电脑桌面
安装后可以在桌面快捷访问

管线工程管理岗位说明书VIP免费

管线工程管理岗位说明书_第1页
1/2
管线工程管理岗位说明书_第2页
2/2
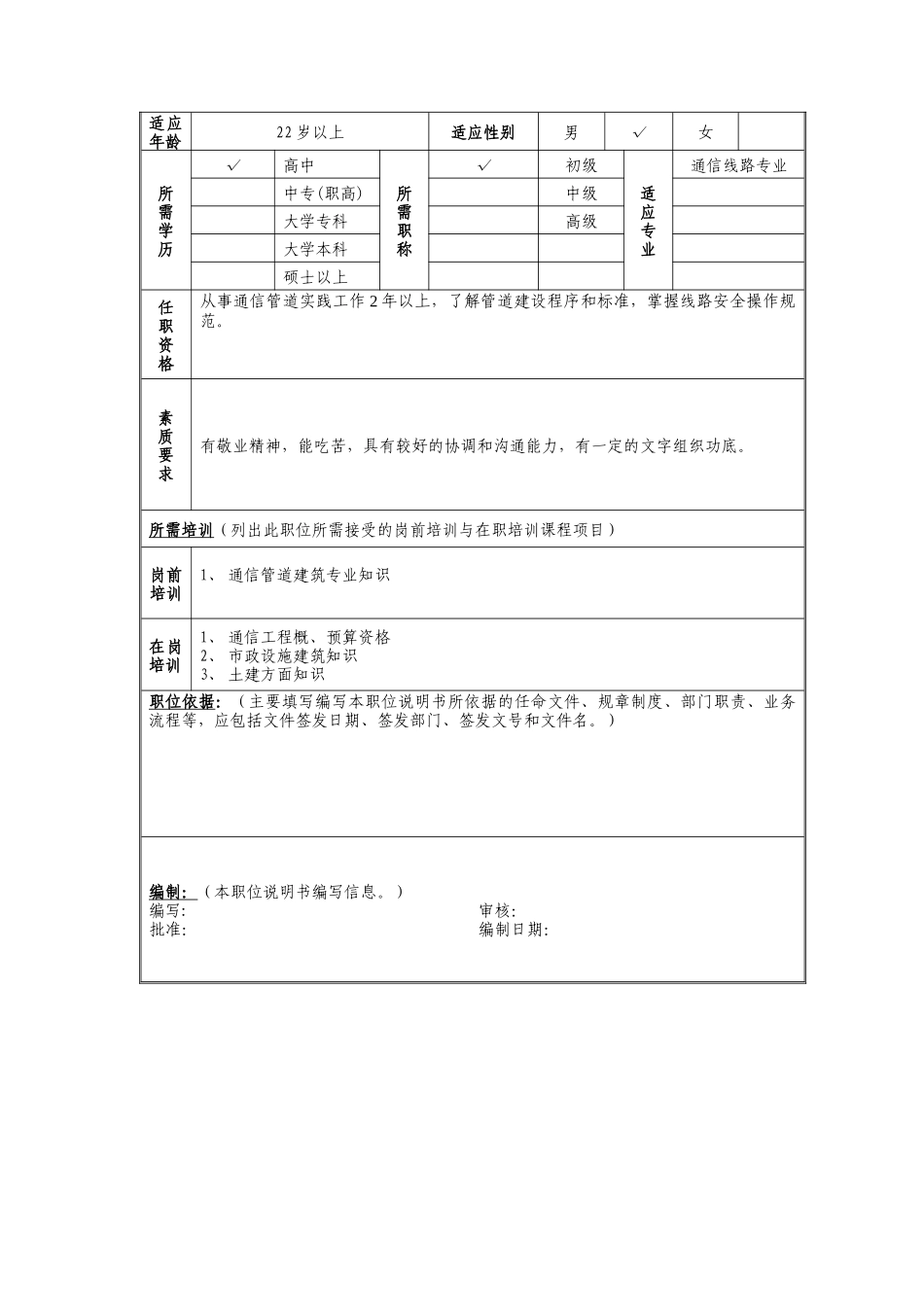
管线工程管理职位说明书职位编码:职位标识:职位名称:管线工程管理所属单位:部门:基础网络部所属职类职种:工作地点:职位设立日期:职位目的:负责绍兴分公司管道、杆线工程管理工作,规范公司基础网络建设。工作关系:直接上级:基础网络经理同僚:传输工程审核管道维护管理综合管理直接下属:主要职责:重要性应负职责衡量标准1标准制订。根据工程建设的规范和管理条款,结合分公司实际,拟订杆线工程建设技术标准和管理办法;具有可操作性2工程立项。依据省分批复的初步设计,对工程进行拆分,编报单位工程并制定阶段实施计划,对建设投资和规模进行控制。合理、有序3施工图预审。对管道施工图预算进行合理性审查;对投资较大的工程召集会审;组织施工力量;分发预算文本。一周内处理完毕4工程勘察和立项。依据业务部门的需求,做好接入勘察和方案制定;编报单位工程,参与数据成片接入规划。合理、可行5材料申领。了解材料库存信息,申报采购需求;核对施工单位材料申领单。及时6进度控制。按总体进度要求,做好阶段控制;了解工程实时进展,编报工程进度表;调节工程建设程序;调配施工力量;参与施工协调。符合总体进度要求7质量控制。抽检工程实体;了解材料质量,提出反馈意见;发送工程质量整改单;考核监理工作;评估施工单位;撰写质量分析报告。质量符合要求8竣工管理。组织工程验收;评价工程质量,编写专业试运行和竣工验收报告;编报固定资产。按时完成任职要求:(列出此职位最低需要的基本要求、任职资格和素质等。)适应年龄22岁以上适应性别男√女所需学历√高中所需职称√初级适应专业通信线路专业中专(职高)中级大学专科高级大学本科硕士以上任职资格从事通信管道实践工作2年以上,了解管道建设程序和标准,掌握线路安全操作规范。素质要求有敬业精神,能吃苦,具有较好的协调和沟通能力,有一定的文字组织功底。所需培训(列出此职位所需接受的岗前培训与在职培训课程项目)岗前培训1、通信管道建筑专业知识在岗培训1、通信工程概、预算资格2、市政设施建筑知识3、土建方面知识职位依据:(主要填写编写本职位说明书所依据的任命文件、规章制度、部门职责、业务流程等,应包括文件签发日期、签发部门、签发文号和文件名。)编制:(本职位说明书编写信息。)编写:批准:审核:编制日期:

1、当您付费下载文档后,您只拥有了使用权限,并不意味着购买了版权,文档只能用于自身使用,不得用于其他商业用途(如 [转卖]进行直接盈利或[编辑后售卖]进行间接盈利)。
2、本站所有内容均由合作方或网友上传,本站不对文档的完整性、权威性及其观点立场正确性做任何保证或承诺!文档内容仅供研究参考,付费前请自行鉴别。
3、如文档内容存在违规,或者侵犯商业秘密、侵犯著作权等,请点击“违规举报”。

碎片内容

管线工程管理岗位说明书

确认删除?
VIP
微信客服
  • 扫码咨询
会员Q群
  • 会员专属群点击这里加入QQ群
客服邮箱
回到顶部