电脑桌面
添加小米粒文库到电脑桌面
安装后可以在桌面快捷访问

模板工程施工方案培训资料(doc 40页)VIP免费

模板工程施工方案培训资料(doc 40页)_第1页
1/45
模板工程施工方案培训资料(doc 40页)_第2页
2/45
模板工程施工方案培训资料(doc 40页)_第3页
3/45
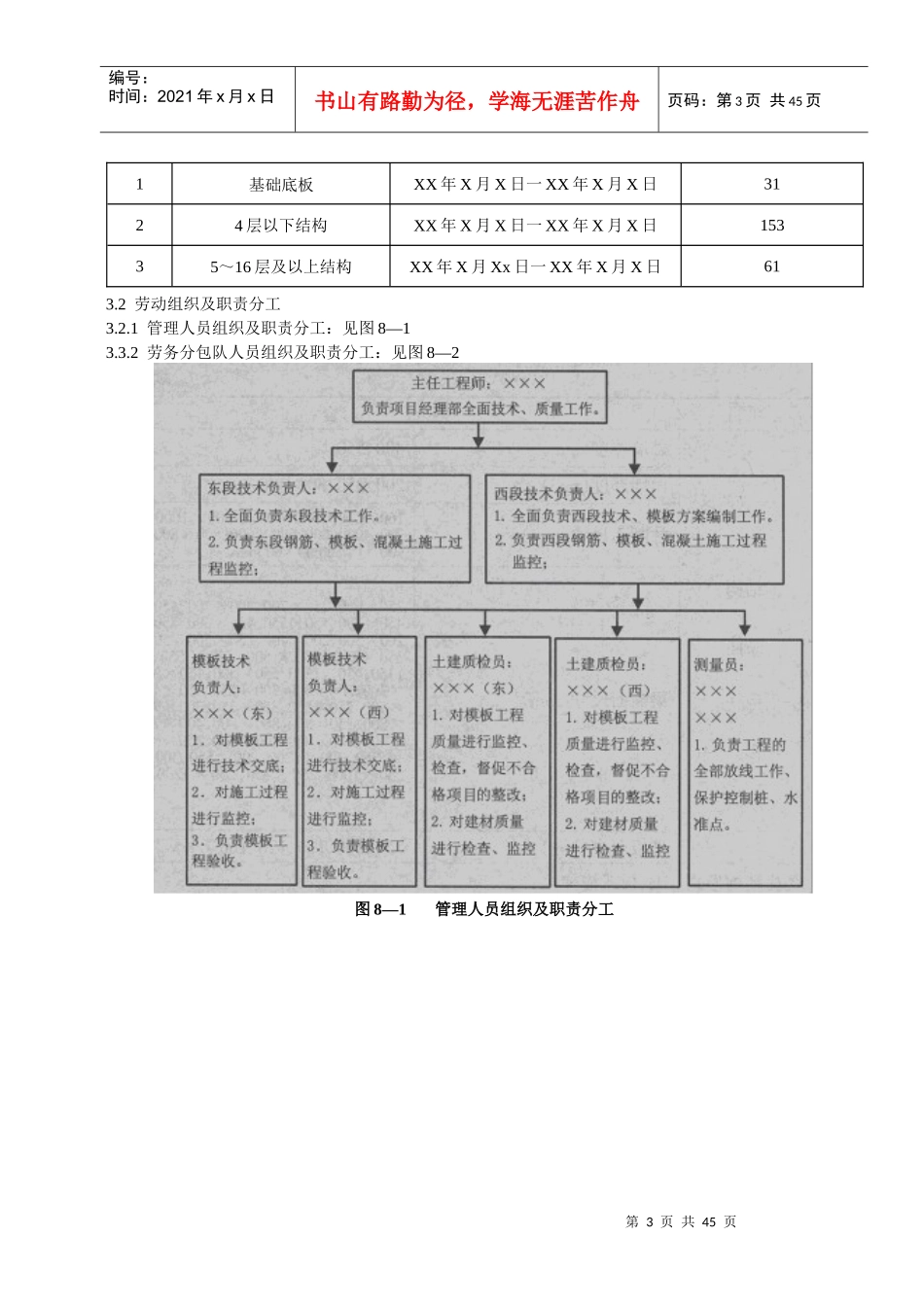
第1页共45页编号:时间:2021年x月x日书山有路勤为径,学海无涯苦作舟页码:第1页共45页模板工程施工方案1.编制依据主要依据施工图纸、施工组织设计、规范和规程,具体见表8—1表8—1模板编制的主要依据序号名称编号备注1北京xx工程施工图纸建施7~17,建施33~63工程号:602北京xx建筑设计院设计结施4~12,结施14,17,18,20,23,24,27,28、结施30~36,38,40~42,44,45~02北京xx工程施工组织设计编制人:xxx、xxx3规程、规范混凝土结构工程施工质量验收规范钢结构设计规范高层建筑混凝土结构技术规程GB50204—2002GB50017—2003JGJ3—20022.工程概况2.1设计概况表见表8—2表8—2设计概况表序号项目内容1建筑面积(m2)总建筑面积82340地下室面积26500占地面积19470.19标准层面积30002层数(层)地上16层地下3层3层高(m)地下3层3.4首层5.0地下2层3.42~4层4.2地下1层4.65~12,14层3.513层3.815层3.4516层3.654结构形式基础结构形式板式筏形基础,板厚80mm、1200mm主体结构形式框架剪力墙结构第2页共45页第1页共45页编号:时间:2021年x月x日书山有路勤为径,学海无涯苦作舟页码:第2页共45页5地下防水棍凝土自防水1.21VIPa防水混凝土柔性防水SBS(Ⅱ+Ⅲ)改性沥青防水卷材续表序号项目内容6结构断面尺寸外墙厚度(mm)400,550内墙厚度(mm)200,250,300,400柱断面尺寸(mm)1600×900、900×900、1000×1000、600×700、400×600、600×600、800×800、700×900、D=500、D=600mm梁断面尺寸(mm)250×650、250×700、300×700、450×800、450×500、450×550、450×600、750×500、200×500、200×400、250×500、250×600、350×500、750×800、550×550、450×1350、450×1300、550×500、150×300、250×300、300×500、300×550、450×450、500×500、250×550、350×750、300×700、750×800、350×800、850×800、400×700、200×400、260×850、200×600、250×800、350×1350、300×1200、200×550、300×500、250×1000、250×850、250×1200、250×400楼板厚度(mm)250、200、150、120、1007楼梯结构形式梁、板式楼梯8坡道结构形式剪力墙9施工缝设置底板按后浇带划分浇筑。柱施工缝留在梁下皮以上1cm。墙施工缝留在板(梁)下皮以上1cm。楼梯施工缝留在楼梯所在楼层休息平台上跑(去上一层)楼梯踏步及临侧墙宽度范围之内,另一方向为休息平台宽度的1/3处2.2结构平面图《地下3层结构平面图》、《标准层结构平面图》(图略)。3.施工安排3.1施工部位及工期安排根据施工进度计划,施工部位及工期安排见表8—3。表8—3施工部位及工期安排序号施工部位完成时间工期(天)第3页共45页第2页共45页编号:时间:2021年x月x日书山有路勤为径,学海无涯苦作舟页码:第3页共45页1基础底板XX年X月X日一XX年X月X日3124层以下结构XX年X月X日一XX年X月X日15335~16层及以上结构XX年X月Xx日一XX年X月X日613.2劳动组织及职责分工3.2.1管理人员组织及职责分工:见图8—13.3.2劳务分包队人员组织及职责分工:见图8—2图8—1管理人员组织及职责分工第4页共45页第3页共45页编号:时间:2021年x月x日书山有路勤为径,学海无涯苦作舟页码:第4页共45页图8—2劳务分包队人员组织及职责分工3.2.3工人分工及数量:根据施工进度计划及施工流水段划分进行劳动力安排,主要劳动力分工及数量:见表8—4:表8—4劳动力准备一览表序号施工部位工种基础工程主体工程墙体顶板、梁柱墙体顶板梁柱1木工1008060601401002电气焊工883电工444.施工准备4.1技术准备项目总工组织项目经理部技术、生产人员熟悉图纸,认真学习掌握施工图的内容、要求和特点,同时针对有关施工技术和图纸存在的疑点做好记录,通过会审,对图纸中存在的问题,与设计、建设、监理共同协商解决,取得一致意见后,办理图纸会审记录,作为施工图的变更依据和施工操作依据。熟悉各部位截面尺寸、标高,制定模板初步设计方案。4.2机具准备主要机具及工具准备详见表8—5表8—5机具及工具准备一览表名称规格功率数量第5页共45页第4页共45页编号:时间:2021年x月x日书山有路勤为径,学海无涯苦作舟页码:第5页共45页锤子重量0.25、0.5kg500个单头...

1、当您付费下载文档后,您只拥有了使用权限,并不意味着购买了版权,文档只能用于自身使用,不得用于其他商业用途(如 [转卖]进行直接盈利或[编辑后售卖]进行间接盈利)。
2、本站所有内容均由合作方或网友上传,本站不对文档的完整性、权威性及其观点立场正确性做任何保证或承诺!文档内容仅供研究参考,付费前请自行鉴别。
3、如文档内容存在违规,或者侵犯商业秘密、侵犯著作权等,请点击“违规举报”。

碎片内容

模板工程施工方案培训资料(doc 40页)

您可能关注的文档

中小学教育精品资料+ 关注
实名认证
内容提供者

中小学教育资料,优质文档创作者

确认删除?
VIP
微信客服
  • 扫码咨询
会员Q群
  • 会员专属群点击这里加入QQ群
客服邮箱
回到顶部