电脑桌面
添加小米粒文库到电脑桌面
安装后可以在桌面快捷访问

北京某大厦精装饰工程发光石墙施工方案VIP免费

北京某大厦精装饰工程发光石墙施工方案_第1页
1/10
北京某大厦精装饰工程发光石墙施工方案_第2页
2/10
北京某大厦精装饰工程发光石墙施工方案_第3页
3/10
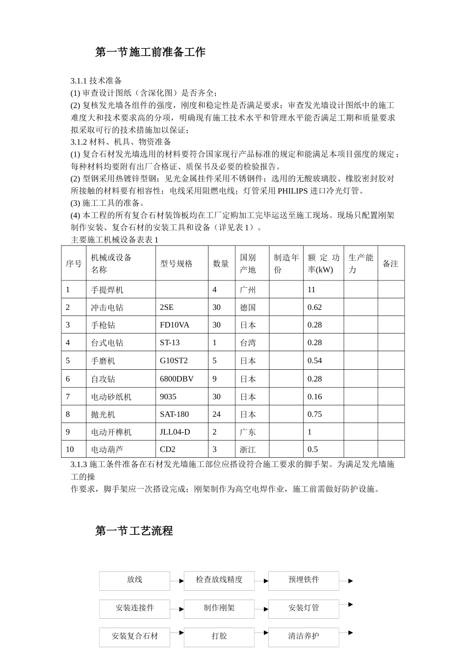
目录第一章项目概况................................................................2第二章编制说明................................................................3第三章施工方案................................................................4第1节施工前准备工作.......................................................4第2节工艺流程.............................................................6第3节施工操作工艺.........................................................6第4节质量保证措施.........................................................8第5节安全文明环保措施....................................................10第6节重点难点分析........................................................16第7节工期安排及工期保证措施..............................................17第四章优化方案的技术经济分析.................................................18第五章附图...................................................................19项目概况1.1项目名称:北京某大厦精装饰工程发光石墙施工项目1.2工程地点:北京市西城区****地块1.3批准文号:京计投资****号1.4建设单位:****有限公司1.5设计单位:****公司1.6监理单位:北京****公司1.7总包单位:中国****公司1.8咨询公司:北京****公司1.9质量监督单位:北京****总站1.10招标单位:中国****公司编制说明《北京某大厦精装饰工程发光石墙施工方案》是根据建设单位提供的装饰工程施工图纸、效果图及我公司的设计深化图,参考现行国内规范标准和北京市地方规范标准,结合我公司多年来的工程施工经验,针对本装修项目的施工重点和难点,坚持保质量、保工期的原则,经我们多次研究讨论和比较,最终制定本施工方案,以保证实现北京某大厦精装饰工程“优质快速、安全低耗、绿色环保”的施工目标。本《施工方案》只适合“北京某大厦”西楼大堂中发光石墙项目,本施工方案是规范和指导该项工程从施工准备到竣工验收过程的综合性技术经济文件,为使该项目的施工全过程能按科学规律规范性地组织施工,及时做好各项施工准备工作,保证各种资源和劳动力的及时供应,协调与各工种之间的时间安排,保证施工的顺利进行,按期保质完成施工任务特制订本施工方案。施工方案(1)西楼大堂:60.8(2)西楼大堂二、三层扶梯厅:121.8(3)西楼一层扶梯厅:158.3(4)北楼大厅:58.4(5)会议楼1~2层大堂:143.5总施工面积:542.8放线检查放线精度预埋铁件安装连接件制作刚架安装灯管安装复合石材打胶清洁养护第一节施工前准备工作3.1.1技术准备(1)审查设计图纸(含深化图)是否齐全;(2)复核发光墙各组件的强度,刚度和稳定性是否满足要求;审查发光墙设计图纸中的施工难度大和技术要求高的分项,明确现有施工技术水平和管理水平能否满足工期和质量要求拟采取可行的技术措施加以保证;3.1.2材料、机具、物资准备(1)复合石材发光墙选用的材料要符合国家现行产品标准的规定和能满足本项目强度的规定;每种材料均要附有出厂合格证、质保书及必要的检验报告。(2)型钢采用热镀锌型钢;见光金属挂件采用不锈钢件;选用的无酸玻璃胶、橡胶密封胶对所接触的材料要有相容性;电线采用阻燃电线;灯管采用PHILIPS进口冷光灯管。(3)施工工具的准备。(4)本工程的所有复合石材装饰板均在工厂定购加工完毕运送至施工现场。现场只配置刚架制作安装、复合石材的安装工具和设备(详见表1)。主要施工机械设备表表1序号机械或设备名称型号规格数量国别产地制造年份额定功率(kW)生产能力备注1手提焊机4广州112冲击电钻2SE30德国0.623手枪钻FD10VA30日本0.284台式电钻ST-131台湾0.285手磨机G10ST25日本0.546自攻钻6800DBV9日本0.287电动砂纸机903530日本0.168抛光机SAT-18024日本0.759电动开榫机JLL04-D2广东110电动葫芦CD23浙江0.53.1.3施工条件准备在石材发光墙施工部位应搭设符合施工要求的脚手架。为满足发光墙施工的操作要求,脚手架应一次搭设完成;刚架制作为高空电焊作业,施工前需做好防护...

1、当您付费下载文档后,您只拥有了使用权限,并不意味着购买了版权,文档只能用于自身使用,不得用于其他商业用途(如 [转卖]进行直接盈利或[编辑后售卖]进行间接盈利)。
2、本站所有内容均由合作方或网友上传,本站不对文档的完整性、权威性及其观点立场正确性做任何保证或承诺!文档内容仅供研究参考,付费前请自行鉴别。
3、如文档内容存在违规,或者侵犯商业秘密、侵犯著作权等,请点击“违规举报”。

碎片内容

北京某大厦精装饰工程发光石墙施工方案

您可能关注的文档

确认删除?
VIP
微信客服
  • 扫码咨询
会员Q群
  • 会员专属群点击这里加入QQ群
客服邮箱
回到顶部