电脑桌面
添加小米粒文库到电脑桌面
安装后可以在桌面快捷访问

某建设公司施工临时用电施工方案培训资料VIP免费

某建设公司施工临时用电施工方案培训资料_第1页
1/36
某建设公司施工临时用电施工方案培训资料_第2页
2/36
某建设公司施工临时用电施工方案培训资料_第3页
3/36
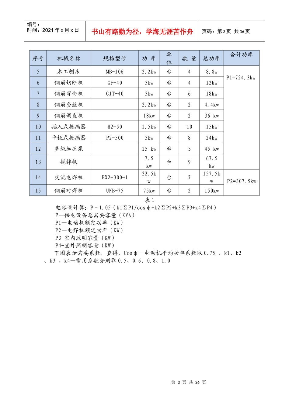
第1页共36页编号:时间:2021年x月x日书山有路勤为径,学海无涯苦作舟页码:第1页共36页第一节施工临时用电施工方案一.临时用电工程概况1、地域位置和地质结构本工程位于南昌市经开区海棠路以东、范家路以西、黄家湖西路以北、西昌路以南,南边为防洪堤,北面为,西边为,东边为路;东西两面均有架空高压电线。地质情况详见《智汇谷工程拟建场地岩土工程勘察报告》。2.电源进线智汇谷A标工程施工临时用电由业主已建配电室接入,此配电室提供1600kVA电源,我项目部将在施工现场建分配电室(详见施工临电布平面图)。3、该工程采用TN—S三相五线制系统,各栋从总配电间内引出线路,其中一组供人货电梯,一组供塔吊,一组供搅拌机、焊机等机械设备。4、通向各回路线路采用PT导管,间隔道路时采用埋地穿管方式,以确保安全和文明施工。二.编制依据《建筑安全检查标准》JGJ59-99《施工现场临时用电安全技术规范》JGJ46-2005《城乡建筑电气设计施工手册》《建设工程施工现场供电安全规范》三、对临时用电安装的基本要求:1、重复接地在施工现场中,重复接地不能少于三处(始端、中间、末端),在设备比较集中地方如搅拌机棚、钢筋作业区等应做一组重复接地,在高大设备处如塔吊也要作重复接地。重复接地作法按规范(JGJ46—2005)施工。2、漏电保护器的漏电动作电流不应大于供电线路和用电设备总泄漏电流值2倍以上,在末级动作电流小于或等于30mA,在一级动作电流300mA,漏电动第2页共36页第1页共36页编号:时间:2021年x月x日书山有路勤为径,学海无涯苦作舟页码:第2页共36页作时间应小于0.1S。3、分配电箱和开关箱主要技术要求:(1)、所有分配箱和开关箱应由有资质的生产厂家制作,箱体采用铁制,铁皮厚度大于1.5mm必须具有防雨水功能。(2)、配电箱中应设两块端子板(工作零线N与保护零线PF),保护零线端子板与金属电箱连接,工作零线端子板与金属电箱绝缘。(3)、开关箱必须遵守“一机、一闸、一漏、一箱”,即每台用电设备应有各自专用的开关箱。4、电箱安装位置的确定:(1)、总配电箱应设在靠近电源的地区,分配电箱应设在用电设备或负荷相对集中的地区,分配电箱与开关箱的距离不得超过30m,开关箱与其控制的固定式用电设备的水平距离不宜超过3m。(2)、固定式配电箱、开关箱的下底与地面垂直距离应为1.3~1.5m,移动式分电配,开关箱的下底距地面大于0.6m,小于1.5。(3)、现场采用的安装方式及安装示意图。5、特殊场合的供电:(1)、室外灯具距地面低于3m,室内灯具距地面低于2.4m时,应采用36v。(2)、使用行灯其电源的电压不超过36v。(3)、在潮湿和易触及带电体场所电源电压不得大于24v。(4)、在特别潮湿场所和金属容器内工作照明电源电压不得大于12v。四、施工现场用电量统计根据总体施工部署,主体施工阶段为用电高峰期,用电设备表如下:序号机械名称规格型号功率单位数量总功率合计功率1塔吊ZJ571032.8kw台7229.6kw2施工电梯SCD20022kw台6198kw3井架MZT11-116kw台348kw4木工电锯MT-1043kw台618kw第3页共36页第2页共36页编号:时间:2021年x月x日书山有路勤为径,学海无涯苦作舟页码:第3页共36页序号机械名称规格型号功率单位数量总功率合计功率P1=724.3kw5木工刨床MB-1062.2kw台48.8w6钢筋切断机GF-403kw台412kw7钢筋弯曲机GJT-403kw台618kw8钢筋套丝机2.2kw台24.4kw9钢筋调直机18kw台236kw10插入式振捣器H2-501.5kw台1015kw11平板式振捣器P2-5003kw台824kw12多级加压泵15kw台345kw13搅拌机7.5kw台967.5kw14交流电焊机BX2-300-122.5kw台7157.5kwP2=307.5kw15钢筋对焊机UNB-7575kw台2150kw表1电容量计算:P=1.05(k1∑P1/cosφ+k2∑P2+k3∑P3+k4∑P4)P—供电设备总需要容量(KVA)P1—电动机额定功率(KW)P2—电焊机额定功率(KW)P3-室内照明容量(KW)P4-室外照明容量(KW)下图表示需要系数,查得,Cosφ—电动机平均功率系数取0.75,k1、k2、k3、k4—需用系数分别取0.5、0.6、0.8、1.0第4页共36页第3页共36页编号:时间:2021年x月x日书山有路勤为径,学海无涯苦作舟页码:第4页共36页表2∑P1=724.3KW;∑P2=307.5KWP动=1.05(k1∑P1/cosφ+k2∑P2...

1、当您付费下载文档后,您只拥有了使用权限,并不意味着购买了版权,文档只能用于自身使用,不得用于其他商业用途(如 [转卖]进行直接盈利或[编辑后售卖]进行间接盈利)。
2、本站所有内容均由合作方或网友上传,本站不对文档的完整性、权威性及其观点立场正确性做任何保证或承诺!文档内容仅供研究参考,付费前请自行鉴别。
3、如文档内容存在违规,或者侵犯商业秘密、侵犯著作权等,请点击“违规举报”。

碎片内容

某建设公司施工临时用电施工方案培训资料

中小学教育精品资料+ 关注
实名认证
内容提供者

中小学教育资料,优质文档创作者

确认删除?
VIP
微信客服
  • 扫码咨询
会员Q群
  • 会员专属群点击这里加入QQ群
客服邮箱
回到顶部