电脑桌面
添加小米粒文库到电脑桌面
安装后可以在桌面快捷访问

钢筋工程专项施工方案培训资料VIP免费

钢筋工程专项施工方案培训资料_第1页
1/31
钢筋工程专项施工方案培训资料_第2页
2/31
钢筋工程专项施工方案培训资料_第3页
3/31
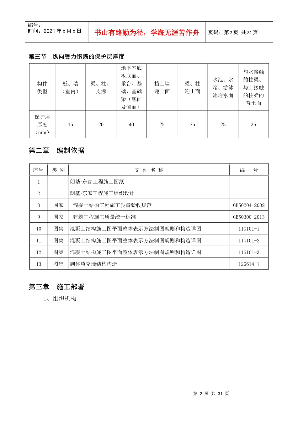
“朗基•东家”工程钢筋工程专项施工方案目录第一章工程概况:........................................2第一节工程概况........................................................................................................................2第二节结构概况........................................................................................................................2第三节纵向受力钢筋的保护层厚度........................................................................................3第二章编制依据............................................3第三章施工部署............................................3第四章施工准备............................................4第一节技术准备........................................................................................................................4第二节机具准备........................................................................................................................5第三节材料准备........................................................................................................................5第五章主要施工方法及措施..........................7第一节施工段划分....................................................................................................................7第二节钢筋加工........................................................................................................................7第三节钢筋的连接....................................................................................................................10第四节钢筋的绑扎....................................................................................................................15第六章钢筋的定位与保护层控制.................23第一节钢筋的保护层................................................................................................................23第七章钢筋工程质量要求及保证措施..........24第一节钢筋绑扎与安装质量标准和检查验收........................................................................24第二节技术质量保证措施........................................................................................................25第三节钢筋绑扎施工中出现的质量问题及预防措施............................................................26第八章成品保护措施...................................27第九章安全和文明施工保证措施.................29四川永存建筑工程有限公司第0页共29页“朗基•东家”工程钢筋工程专项施工方案第一章工程概况:第一节工程概况工程名称:朗基·东家工程建设单位:成都能城房地产开发有限公司设计单位:成都惟尚建筑设计有限公司施工单位:四川永存建筑工程有限公司监理单位:成都方园工程建设监理有限公司工程地点:成都市成华区圣灯路。总建筑面积58405.5㎡,1#楼14760.73㎡,2#楼24621.59㎡,3#楼1896.10㎡,地下室建筑面积17097.06㎡。建筑场地等级为二级。本工程包括两栋32层高层住宅楼,商业3#楼以及地下车库,1#楼104.600m、2#楼103.000m,3#楼20.350m。第二节结构概况本工程属抗震设防丙类建筑,建筑耐火等级为一级,地下室防水等级为二级,地下室防水等级为二级。抗震设防烈度为7度。设计使用年限为50年。本工程建筑结构的地震作用和抗震措施按照抗震设防烈度6度设计,设计地震分组为第三组。本工程高层住宅拟采用现浇钢筋混凝土剪力墙结构,楼盖采用现浇混凝土梁板体系。地下车库拟采用现浇钢筋混凝土框架/剪力墙结构。结构形式基础类型桩筏基础结构类型框架剪力墙结构结构断面(mm)基础底板(mm)300mm、1300mm楼板厚度(mm)100、110、120、140、160楼梯板厚度(mm)100外墙厚度(...

1、当您付费下载文档后,您只拥有了使用权限,并不意味着购买了版权,文档只能用于自身使用,不得用于其他商业用途(如 [转卖]进行直接盈利或[编辑后售卖]进行间接盈利)。
2、本站所有内容均由合作方或网友上传,本站不对文档的完整性、权威性及其观点立场正确性做任何保证或承诺!文档内容仅供研究参考,付费前请自行鉴别。
3、如文档内容存在违规,或者侵犯商业秘密、侵犯著作权等,请点击“违规举报”。

碎片内容

钢筋工程专项施工方案培训资料

确认删除?
VIP
微信客服
  • 扫码咨询
会员Q群
  • 会员专属群点击这里加入QQ群
客服邮箱
回到顶部