电脑桌面
添加小米粒文库到电脑桌面
安装后可以在桌面快捷访问

炼钢厂机长职位说明书VIP免费

炼钢厂机长职位说明书_第1页
1/3
炼钢厂机长职位说明书_第2页
2/3
炼钢厂机长职位说明书_第3页
3/3
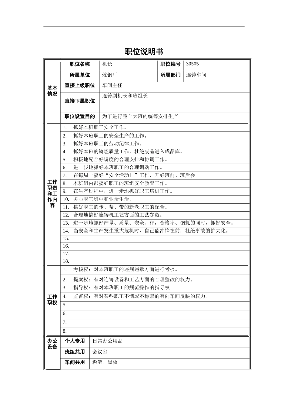
职位说明书基本情况职位名称机长职位编号30505所属单位炼钢厂所属部门连铸车间直接上级职位车间主任直接下属职位连铸副机长和班组长职位设置目的为了进行整个大班的统筹安排生产工作职责和工作内容1.抓好本班职工安全工作。2.抓好本班职工的安全生产的工作。3.抓好本班职工的劳动纪律工作。4.抓好本班的铸坯质量工作,杜绝废品进入成品库。5.积极地配合好调度的合理安排和协调工作。6.进一步地抓好本班职工的合理调动工作。7.在每周一搞好“安全活动日”工作,开好班前、班后会。8.本班组内部搞好职工的班组安全教育工作。9.在生产过程中,进一步地抓好职工培训工作。10.关心职工班中和业余生活。11.搞好职工的传、帮、带的新老职工的配合。12.合理地搞好连铸机工艺方面的工艺参数。13.进一步地抓好产量、质量、安全、秤,合格率、钢耗的同时,抓好安全。14.当安全和生产发生重大危机时,自己能冲锋在前,杜绝事故的扩大化。15.16.17.18.工作职权1.考核权:对本班职工的违规违章方面进行考核。2.提案权:有对连铸设备和工艺方面的合理整改的权力。3.指导权:有对本班职工的规范操作的指导权4.监督权:有对某些职工不满或不称职的有向车间反映的权力。5.6.7.8.办公设备个人专用日常办公用品班组共用会议室车间共用粉笔、黑板分厂共用公司共用工作关系内部工作关系汇报本班生产情况及日常职工工作动态。督导监督班组长把工作作到位。协调协调铸机的人员调动。外部工作关系铸机与转炉生产组织基本任职资格学历中专以上专业治金连铸专业年龄25-35性别不限个性稳重、开朗、办事果断工作经验有2年以上连铸工作经验工作技能熟悉连铸工艺职前培训安全培训,熟练掌握铸机的工艺操作。其他要求

1、当您付费下载文档后,您只拥有了使用权限,并不意味着购买了版权,文档只能用于自身使用,不得用于其他商业用途(如 [转卖]进行直接盈利或[编辑后售卖]进行间接盈利)。
2、本站所有内容均由合作方或网友上传,本站不对文档的完整性、权威性及其观点立场正确性做任何保证或承诺!文档内容仅供研究参考,付费前请自行鉴别。
3、如文档内容存在违规,或者侵犯商业秘密、侵犯著作权等,请点击“违规举报”。

碎片内容

炼钢厂机长职位说明书

您可能关注的文档

确认删除?
VIP
微信客服
  • 扫码咨询
会员Q群
  • 会员专属群点击这里加入QQ群
客服邮箱
回到顶部