电脑桌面
添加小米粒文库到电脑桌面
安装后可以在桌面快捷访问

钢铁行业-质保部-质检主管岗位说明书VIP免费

钢铁行业-质保部-质检主管岗位说明书_第1页
1/2
钢铁行业-质保部-质检主管岗位说明书_第2页
2/2
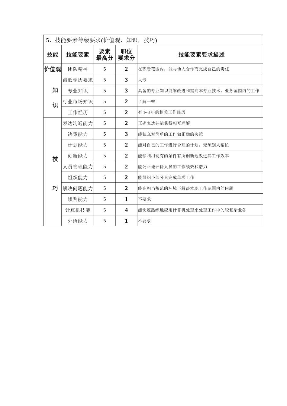
质保部质检主管职位说明书一、职位概述职位名称质检主管职位编号Q-04所属部门质保部职位级别直接上级质保部经理定员人数1人直接下级质检员二、职位职责1.职责摘要在质检部经理的领导下,负责监督对原料、在制品、产成品进行抽查检验等工作。2.职责说明1)负责监督生产过程的质量抽样并检验;2)负责对质量检测数据的抽查;3)负责监督入库产品的质量检验;4)负责组织对检验的结果进行统计分析,审核提出检验报告;5)负责对库存品的保管质量进行检查监督;6)负责协助有关部门对出厂产品的质量问题进行7)负责完成经理临时交办的任务。三、任职资格1、年龄25岁以上2、专业要求冶金或相关专业3、性别不限4、特殊资格要求无5、技能要素等级要求(价值观,知识,技巧)技能技能要素要素最高分职位要求分技能要素要求描述价值观团队精神52在职责范围内,能与他人合作而完成自己的责任知识最低学历要求53大专专业知识53具备的专业知识能够改进和提高本专业技术、业务范围内的工作行业市场知识52了解一些工作经历52有1~3年的相关工作经历技巧表达沟通能力52正确表达并能获得相互理解决策能力53能独立对简单的工作做正确的决策计划能力52能对自己的工作进行合理的计划,无须别人帮忙创新能力52能够利用现有的条件有所创新地改进其工作效率人员管理能力52能公正地评价人员的工作绩效和潜力组织能力52能组织小部分人完成单项工作解决问题能力52能在相当规范的环境下解决本职工作范围内的问题谈判能力51不要求计算机技能54能快速熟练地应用计算机处理来处理工作中的较复杂业务外语能力51不要求

1、当您付费下载文档后,您只拥有了使用权限,并不意味着购买了版权,文档只能用于自身使用,不得用于其他商业用途(如 [转卖]进行直接盈利或[编辑后售卖]进行间接盈利)。
2、本站所有内容均由合作方或网友上传,本站不对文档的完整性、权威性及其观点立场正确性做任何保证或承诺!文档内容仅供研究参考,付费前请自行鉴别。
3、如文档内容存在违规,或者侵犯商业秘密、侵犯著作权等,请点击“违规举报”。

碎片内容

钢铁行业-质保部-质检主管岗位说明书

您可能关注的文档

确认删除?
VIP
微信客服
  • 扫码咨询
会员Q群
  • 会员专属群点击这里加入QQ群
客服邮箱
回到顶部