电脑桌面
添加小米粒文库到电脑桌面
安装后可以在桌面快捷访问

重点单位消防档案(样式)VIP免费

重点单位消防档案(样式)_第1页
1/50
重点单位消防档案(样式)_第2页
2/50
重点单位消防档案(样式)_第3页
3/50
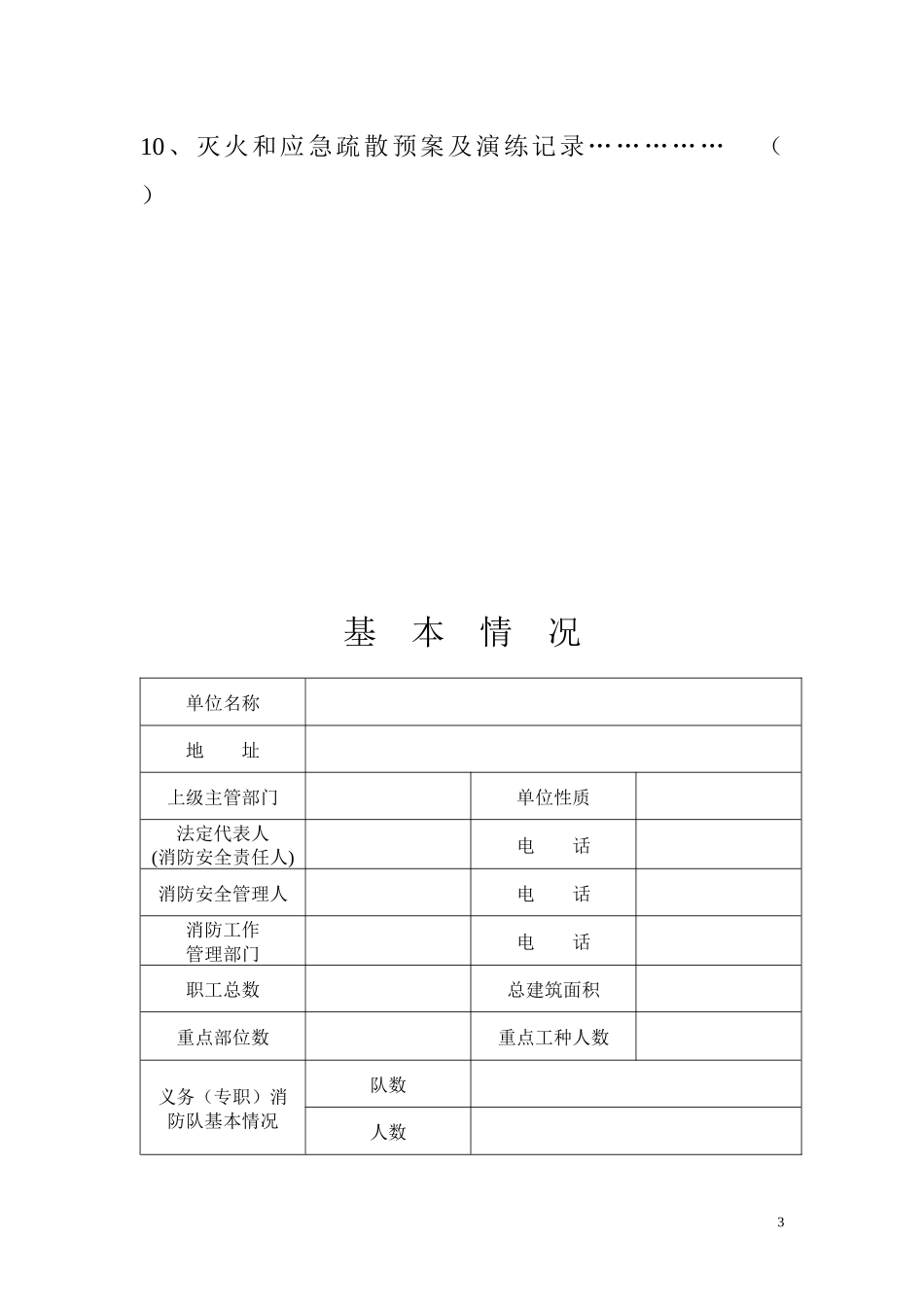
消防档案单位名称:鼎立包装制品有限公司建档日期:2012-5-251目录1、基本情况…………………………………………()2、消防审核、验收、安全检查或房产证明等有关文件、资料…………………………………………………()3、消防管理组织机构………………………………()4、各级消防安全责任人、管理人任命书、架构图…()5、消防安全管理制度………………………………()6、义务消防队人员结构……………………………()7、自动消防设施的维护保养合同及最近一次的维护保养记录……………………………………………………()8、自动消防设施操作人员消防培训证件复印件…()9、员工消防培训证复印件…………………………()210、灭火和应急疏散预案及演练记录……………()基本情况单位名称地址上级主管部门单位性质法定代表人(消防安全责任人)电话消防安全管理人电话消防工作管理部门电话职工总数总建筑面积重点部位数重点工种人数义务(专职)消防队基本情况队数人数3电话工艺情况危险品使用情况备注注:消防安全责任人为单位负责人,消防安全管理人为单位分管安全的负责人,责任人和管理人也可由单位负责人一并兼任4消防审批文件、资料项目内容文书(证书)名称编号(文号)审批时间说明:项目内容一般包括建筑物或场所施工、使用或者开业及举办活动前的消防设计审核、消防验收以及消防安全检查的文件、资料,附在表后存档5消防管理组织机构单位盖章:机构名称机构内职务姓名部门行政职务备注本人签名组长或主任副组长或副主任副组长或副主任成员成员成员成员成员注:成员一般为各部门负责人或专兼职消防员6消防安全管理架构图指令传输线信息反馈线督促网络运行、消防安全责任人XXX消防安全管理人XXX保卫部消防安全责任人XXX财务部门消防安全责任人XXX消防工作专兼职人员教职员工电工、水暖工火患整改资金落实重点部位细化为类、点(保卫部巡查、岗位自查)消防设施细化为类、点(定期检查、测试、维护保养)工作情况定期报告教学管理部门责任人XXX学校综合管理部门XXX7消防安全责任书为进一步贯彻落实“谁主管、谁负责”的原则,根据《机关、团体、企业、事业单位消防安全管理规定》和单位消防安全管理职责规定,同志为消防安全责任人,负责本单位的消防安全工作,履行下列职责:(一)贯彻执行消防法规,保障学校消防安全符合规定,掌握本单位的消防安全情况;(二)统筹安排消防安全管理工作,批准实施年度消防工作计划;(三)为消防安全管理提供必要的经费和组织保障;(四)确定逐级消防安全责任,批准实施消防安全管理制度和保障消防安全的操作规程;(五)组织防火检查,督促整改火灾隐患,及时处理涉及消防安全的重大问题;(六)根据消防法规的规定建立专职消防队、志愿消防队或义务消防队,并配备相应的消防器材和装备;(七)针对本单位的实际情况组织制定灭火和应急疏散预案,并实施演练。单位盖章消防安全责任人:(签字)年月日年月日备注:8消防安全责任书为进一步贯彻落实“谁主管、谁负责”的原则,根据《机关、团体、企业、事业单位消防安全管理规定》和单位消防安全管理职责规定,同志为消防安全管理人,负责本部门的消防安全工作,履行下列职责:(一)拟订年度消防安全工作计划,组织实施日常消防安全管理工作;(二)组织制订消防安全管理制度和保障消防安全的操作规程,并检查督促落实;(三)拟订消防安全工作的资金预算和组织保障方案;(四)组织实施防火检查和火灾隐患整改;(五)组织实施对本单位消防设施、灭火器材和消防安全标志的维护保养,确保其完好有效和处于正常运行状态,确保疏散通道和安全出口畅通;(六)组织管理专职消防队或义务消防队,开展日常业务训练;(七)组织从业人员开展消防知识、技能的教育和培训,组织灭火和应急疏散预案的实施和演练;(八)每月向消防安全责任人报告消防安全情况,及时报告涉及消防安全的重大问题;(九)消防安全责任人委托的其他消防安全管理工作。单位盖章消防安全管理人:(签字)年月日年月日9消防安全责任书为进一步贯彻落实“谁主管、谁负责”的原则,根据《机关、团体、企业、事业单位消...

1、当您付费下载文档后,您只拥有了使用权限,并不意味着购买了版权,文档只能用于自身使用,不得用于其他商业用途(如 [转卖]进行直接盈利或[编辑后售卖]进行间接盈利)。
2、本站所有内容均由合作方或网友上传,本站不对文档的完整性、权威性及其观点立场正确性做任何保证或承诺!文档内容仅供研究参考,付费前请自行鉴别。
3、如文档内容存在违规,或者侵犯商业秘密、侵犯著作权等,请点击“违规举报”。

碎片内容

重点单位消防档案(样式)

中小学教育精品资料+ 关注
实名认证
内容提供者

中小学教育资料,优质文档创作者

确认删除?
VIP
微信客服
  • 扫码咨询
会员Q群
  • 会员专属群点击这里加入QQ群
客服邮箱
回到顶部