电脑桌面
添加小米粒文库到电脑桌面
安装后可以在桌面快捷访问

浙江省互动式汽车驾驶培训模拟器检验细则VIP免费

浙江省互动式汽车驾驶培训模拟器检验细则_第1页
1/17
浙江省互动式汽车驾驶培训模拟器检验细则_第2页
2/17
浙江省互动式汽车驾驶培训模拟器检验细则_第3页
3/17
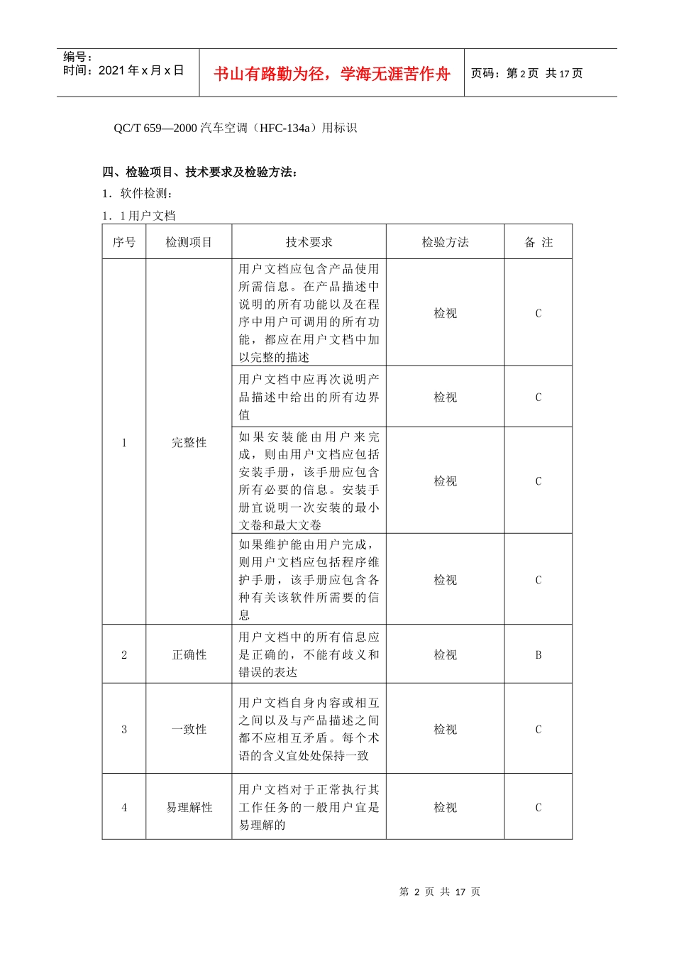
第1页共17页编号:时间:2021年x月x日书山有路勤为径,学海无涯苦作舟页码:第1页共17页浙江省互动式汽车驾驶培训模拟器检验细则一、主要内容与适用范围:本检验细则主要规定了浙江省市场的互动式汽车驾驶培训模拟器的检测项目、技术要求及试验方法。适用于互动式汽车驾驶培训模拟器的检验。二、依据标准:JT/T378—2005《汽车驾驶培训模拟器》GB/T17544-1998《信息技术软件包质量要求和测试》企业标准或企业技术参数三、引用标准:GB/T191包装储运图示标志(eqvISO780)GB/T2423.1电工电子产品环境试验第2部分:试验方法试验A:低温(idt,IEC68-2-1)GB/T2423.2电工电子产品环境试验第2部分:试验方法试验B:低温(idt,IEC60068-2-2)GB/T2423.18电工电子产品环境试验第2部分:试验方法试验Kb:盐雾,交变(氧化钠溶液)(idt,IEC68-2-52)GB/T2423.49电工电子产品环境试验第2部分:试验方法试验Fe:振动—正弦拍频法(idt,IEC68-2-59)GB/T2681电工成套装置中的导线颜色GB/T5095电子设备用机电元件基本试验规程及测量方法GB/T5095.2—1997电子设备用机电元件基本试验规程及测量方法第2部分:一般检查、电连续性和接触电阻测试、绝缘试验和电力应力试验(idt,IEC512-2)GB/T5095.8电子设备用机电元件基本试验规程及测量方法第8部分:连接器、接触件及引出端的机械试验(idt,IEC512-8)GB/T5768道路交通标志和标线GB/T6833.3电磁测量仪的电磁兼容性试验规范静电放电敏感度试验GB/T6833.6电磁测量仪的电磁兼容性试验规范传导敏感度试验GB9524信息技术设备的无线电骚扰限值和测量方法GB/T9397直接辐射式电动锥形扬声器通用规范GB/T18697声学汽车车内噪声测量方法(eqv,ISO5128)第2页共17页第1页共17页编号:时间:2021年x月x日书山有路勤为径,学海无涯苦作舟页码:第2页共17页QC/T659—2000汽车空调(HFC-134a)用标识四、检验项目、技术要求及检验方法:1.软件检测:1.1用户文档序号检测项目技术要求检验方法备注1完整性用户文档应包含产品使用所需信息。在产品描述中说明的所有功能以及在程序中用户可调用的所有功能,都应在用户文档中加以完整的描述检视C用户文档中应再次说明产品描述中给出的所有边界值检视C如果安装能由用户来完成,则由用户文档应包括安装手册,该手册应包含所有必要的信息。安装手册宜说明一次安装的最小文卷和最大文卷检视C如果维护能由用户完成,则用户文档应包括程序维护手册,该手册应包含各种有关该软件所需要的信息检视C2正确性用户文档中的所有信息应是正确的,不能有歧义和错误的表达检视B3一致性用户文档自身内容或相互之间以及与产品描述之间都不应相互矛盾。每个术语的含义宜处处保持一致检视C4易理解性用户文档对于正常执行其工作任务的一般用户宜是易理解的检视C第3页共17页第2页共17页编号:时间:2021年x月x日书山有路勤为径,学海无涯苦作舟页码:第3页共17页5易浏览性用户文档宜易于浏览,以使相互关系明确。每个文档应有目录表和索引表。如果文档未提供印刷本,则应指明打印过程检视C1.2程序和数据序号检测项目技术要求检验方法备注1功能性安装如果安装能由用户来完成,则按照安装手册中的信息应能完成安装。产品描述中指出的每种所要求的系统对于程序的安装应是充分的。安装之后,程序能否运行应是可鉴别的检视C功能表现用户文档中提到的所有功能应是可执行的。程序应按照用户文档中的给定形式,在规定在边界值范围中使用的相应的设施、性质和数据执行功能检视C正确性程序和数据应与产品描述及用户文档中的全部说明相对应。为完成工作任务,程序功能应以正确的方式执行。特别是,程序和数据应符合产品描述所引用的任一需求文档中全部需求检视C一致性程序和数据其本身不能自相矛盾,并且同产品描述和用户文档不能互相矛盾。每个术语应处处具有相同的含义检视B第4页共17页第3页共17页编号:时间:2021年x月x日书山有路勤为径,学海无涯苦作舟页码:第4页共17页2可靠性系统(包括硬件、要求的软件及属于该产品的程序)不应陷入用户无法控制的状态,既不应崩溃也不应丢失数据检视B3易用性易理解性程序的问题、消息和结果应是易理解的检视...

1、当您付费下载文档后,您只拥有了使用权限,并不意味着购买了版权,文档只能用于自身使用,不得用于其他商业用途(如 [转卖]进行直接盈利或[编辑后售卖]进行间接盈利)。
2、本站所有内容均由合作方或网友上传,本站不对文档的完整性、权威性及其观点立场正确性做任何保证或承诺!文档内容仅供研究参考,付费前请自行鉴别。
3、如文档内容存在违规,或者侵犯商业秘密、侵犯著作权等,请点击“违规举报”。

碎片内容

浙江省互动式汽车驾驶培训模拟器检验细则

您可能关注的文档

中小学教育精品资料+ 关注
实名认证
内容提供者

中小学教育资料,优质文档创作者

确认删除?
VIP
微信客服
  • 扫码咨询
会员Q群
  • 会员专属群点击这里加入QQ群
客服邮箱
回到顶部