电脑桌面
添加小米粒文库到电脑桌面
安装后可以在桌面快捷访问

模修工职位说明书VIP免费

模修工职位说明书_第1页
1/2
模修工职位说明书_第2页
2/2
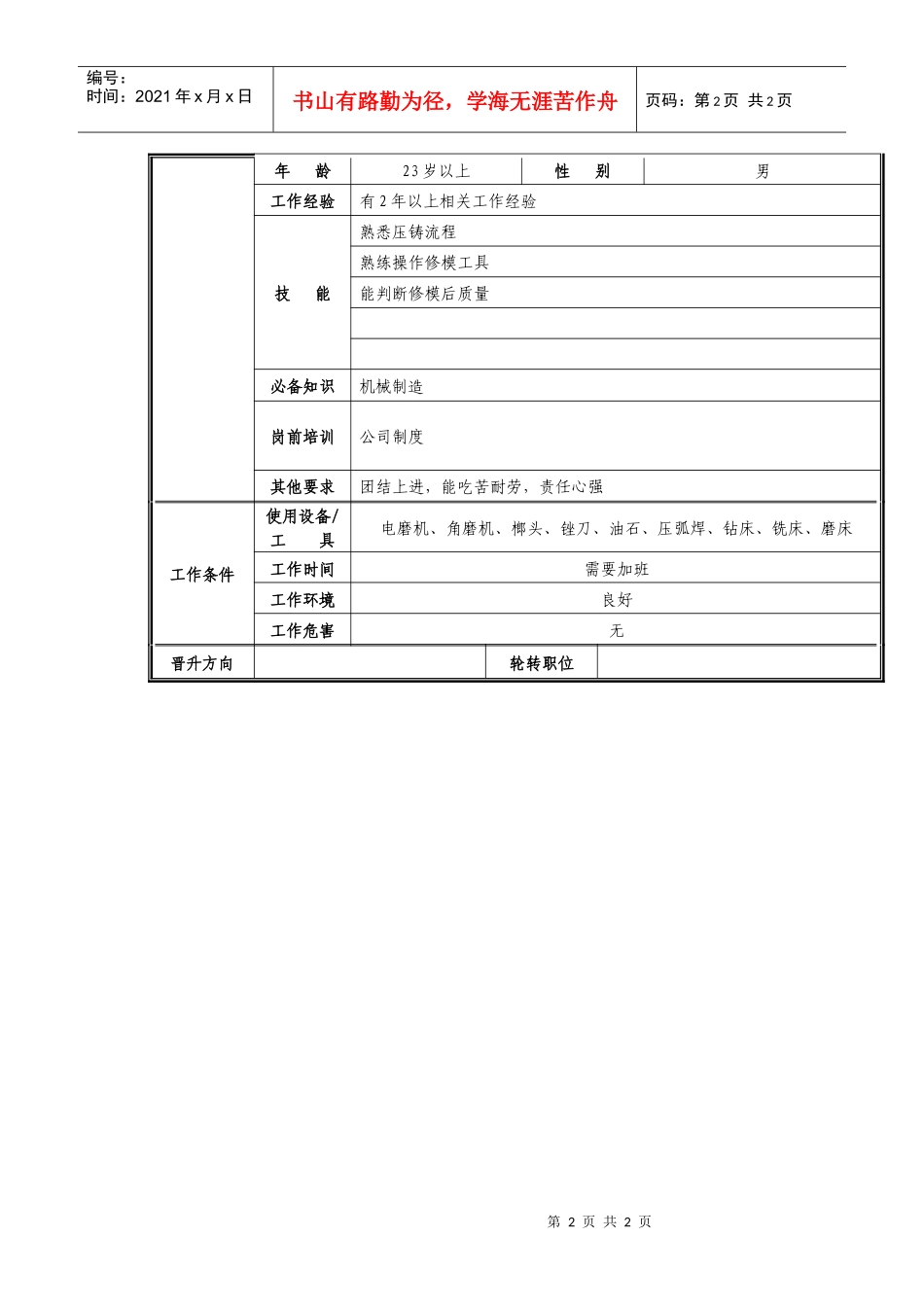
第1页共2页编号:时间:2021年x月x日书山有路勤为径,学海无涯苦作舟页码:第1页共2页模修工职位说明书基本情况职位名称模修工职位编号所属部门压铸车间直接上级职位编制职系模修直接下级所辖人数编制人彭晓明审核人职位概要为稳定、提高产品质量提供模具保证工作职责与工作任务:1、遵守公司、车间的规章制度,听从指挥,服从安排2、严格按《修模通知单》进行模具维修,认真检查确保每一副模具的维修质量。不得任意改动尺寸3、对于有争议、疑问的应及时报告、沟通、解决后进行修理4、按车间的维修指令进行工作,确保当班维修任务的完成5、现场检修重点负责生产中的模具维修,大修班重点负责撤换模具的修理6、生产现场物品按《定置管理制度》要求整齐有序摆放,保持生产现场整洁7、认真填写《模具记录》,做好交接班工作并记录8、完成上级领导临时安排的其他工作工作职权对车间所有模具进行维护保养权工作协作关系:内部关系汇报不定期向上级汇报工作情况督导督促工艺严格按要求开修模通知单协调与工艺沟通协调外部关系与公司相关部门沟通协调任职资格学历职高以上专业模具制造第2页共2页第1页共2页编号:时间:2021年x月x日书山有路勤为径,学海无涯苦作舟页码:第2页共2页年龄23岁以上性别男工作经验有2年以上相关工作经验技能熟悉压铸流程熟练操作修模工具能判断修模后质量必备知识机械制造岗前培训公司制度其他要求团结上进,能吃苦耐劳,责任心强工作条件使用设备/工具电磨机、角磨机、榔头、锉刀、油石、压弧焊、钻床、铣床、磨床工作时间需要加班工作环境良好工作危害无晋升方向轮转职位

1、当您付费下载文档后,您只拥有了使用权限,并不意味着购买了版权,文档只能用于自身使用,不得用于其他商业用途(如 [转卖]进行直接盈利或[编辑后售卖]进行间接盈利)。
2、本站所有内容均由合作方或网友上传,本站不对文档的完整性、权威性及其观点立场正确性做任何保证或承诺!文档内容仅供研究参考,付费前请自行鉴别。
3、如文档内容存在违规,或者侵犯商业秘密、侵犯著作权等,请点击“违规举报”。

碎片内容

模修工职位说明书

您可能关注的文档

确认删除?
VIP
微信客服
  • 扫码咨询
会员Q群
  • 会员专属群点击这里加入QQ群
客服邮箱
回到顶部