电脑桌面
添加小米粒文库到电脑桌面
安装后可以在桌面快捷访问

某中型制造业技术主管岗位说明书VIP免费

某中型制造业技术主管岗位说明书_第1页
1/3
某中型制造业技术主管岗位说明书_第2页
2/3
某中型制造业技术主管岗位说明书_第3页
3/3
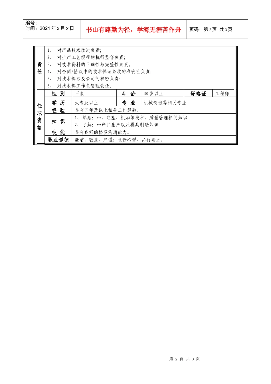
第1页共3页编号:时间:2021年x月x日书山有路勤为径,学海无涯苦作舟页码:第1页共3页*****有限责任公司工作说明书编号DW-JD-0402发布日期单位名称*****有限责任公司岗位名称技术主管直接上级技术部经理部门技术部直接下级模具工程师、注塑工程师、产品工程师下级人数3主要工作职责负责完成新产品开发、产品改良及公司技术标准的制定和管理工作。工作内容1、制度的拟订与执行1.1贯彻执行国家质量相关法律法规、公司的各项规章制度,严守公司秘密,维护公司利益;1.2在部门经理带领下组织拟定技术部工作计划以及技术部管理制度、内部工作流程及其操作细则;1.3在部门经理带领下组织建立、实施、检查和完善公司技术管理、新产品开发管理等规章制度,并制定相应的实施细则;1.4协助部门经理组织编制生产工艺规程的,制定生产工艺流程、生产作业指导书和操作规程等技术文件;2、技术管理2.1协助部门经理组织实施新产品开发、技术革新以及订单评审工作,并进行失效分析;2.2检查生产现场工艺纪律执行情况,对于违规操作及时制止和纠正;2.3协助部门经理核准总成产品图、零部件图、模具结构图、工艺技术要求、模具加工所选用的材料等事项,以及组织模具试模及验收工作;3、生产管理3.1组织处理现场技术疑难问题;3.2设定与修改生产工时,产品能耗及辅材消耗定额;3.3进行生产工艺改进;4、积极参加专业培训,不断提高业务水平和专业技能;5、完成上级领导交办的其它工作。权限1、合同审核权;2、违反工艺规程的处罚建议权;3、技术革新的建议权;4、对供应商技术能力的评价权;5、新产品开发、订单评审工作的建议权;6、其它临时授权。第2页共3页第1页共3页编号:时间:2021年x月x日书山有路勤为径,学海无涯苦作舟页码:第2页共3页责任1、对产品技术改进负责;2、对生产工艺规程的执行监督负责;3、对技术资料的正确性与完整性负责;4、对合同/协议中的技术保证条款的准确性负责;5、对技术部涉及公司的秘密负责;6、对技术部工作负管理责任。任职资格性别不限年龄30岁以上资格证工程师学历大专及以上专业机械制造等相关专业经验具有五年及以上相关工作经验。知识1、熟悉:**、注塑、机加等技术、质量管理相关知识2、了解:**产品生产以及模具制造知识技能具有良好的协调沟通能力。职业道德廉洁、敬业、严谨;责任心强、品行端正。第3页共3页第2页共3页编号:时间:2021年x月x日书山有路勤为径,学海无涯苦作舟页码:第3页共3页

1、当您付费下载文档后,您只拥有了使用权限,并不意味着购买了版权,文档只能用于自身使用,不得用于其他商业用途(如 [转卖]进行直接盈利或[编辑后售卖]进行间接盈利)。
2、本站所有内容均由合作方或网友上传,本站不对文档的完整性、权威性及其观点立场正确性做任何保证或承诺!文档内容仅供研究参考,付费前请自行鉴别。
3、如文档内容存在违规,或者侵犯商业秘密、侵犯著作权等,请点击“违规举报”。

碎片内容

某中型制造业技术主管岗位说明书

您可能关注的文档

确认删除?
VIP
微信客服
  • 扫码咨询
会员Q群
  • 会员专属群点击这里加入QQ群
客服邮箱
回到顶部