电脑桌面
添加小米粒文库到电脑桌面
安装后可以在桌面快捷访问

某中型制造业注塑工程师岗位说明书VIP免费

某中型制造业注塑工程师岗位说明书_第1页
1/2
某中型制造业注塑工程师岗位说明书_第2页
2/2
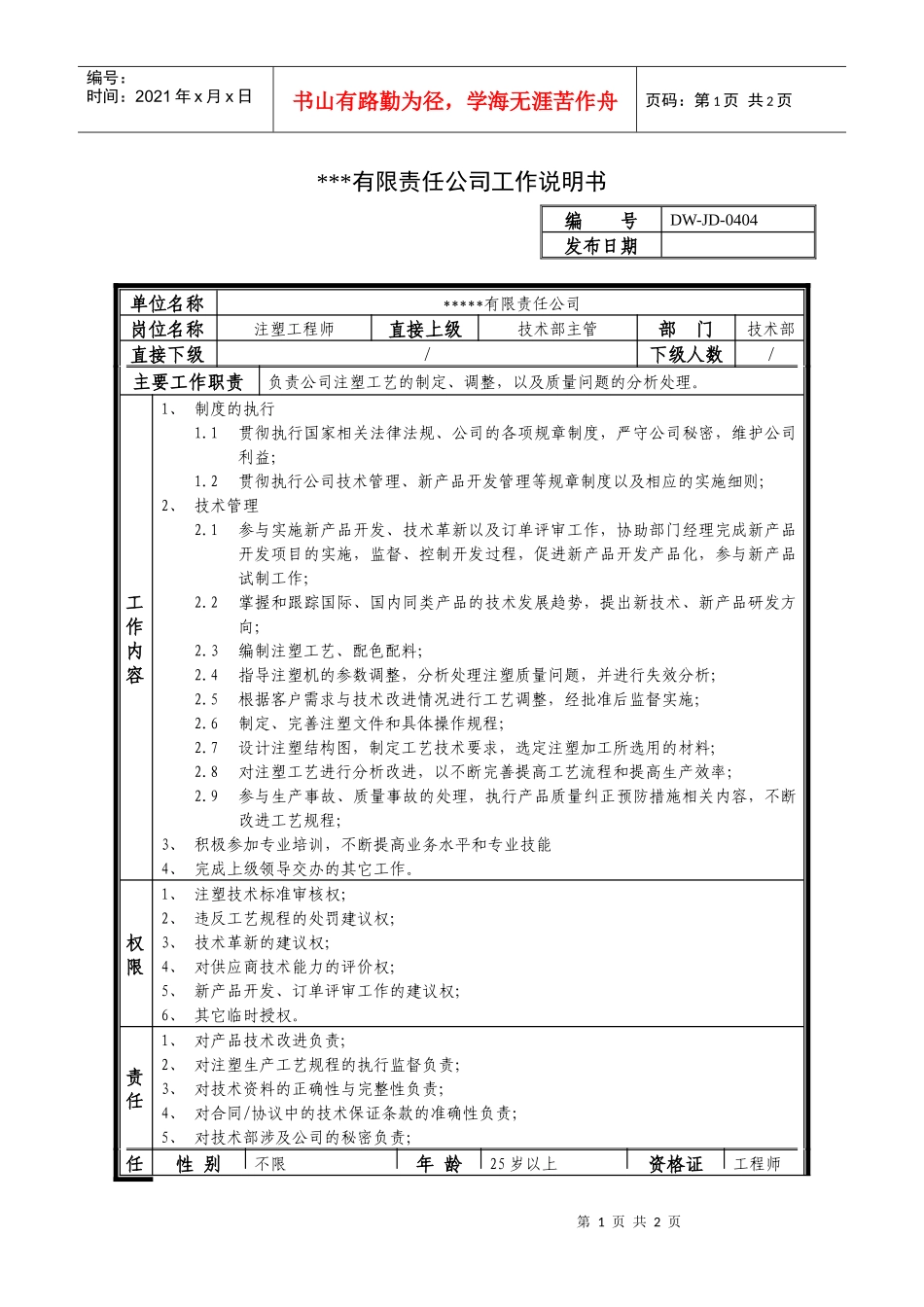
第1页共2页编号:时间:2021年x月x日书山有路勤为径,学海无涯苦作舟页码:第1页共2页***有限责任公司工作说明书编号DW-JD-0404发布日期单位名称*****有限责任公司岗位名称注塑工程师直接上级技术部主管部门技术部直接下级/下级人数/主要工作职责负责公司注塑工艺的制定、调整,以及质量问题的分析处理。工作内容1、制度的执行1.1贯彻执行国家相关法律法规、公司的各项规章制度,严守公司秘密,维护公司利益;1.2贯彻执行公司技术管理、新产品开发管理等规章制度以及相应的实施细则;2、技术管理2.1参与实施新产品开发、技术革新以及订单评审工作,协助部门经理完成新产品开发项目的实施,监督、控制开发过程,促进新产品开发产品化,参与新产品试制工作;2.2掌握和跟踪国际、国内同类产品的技术发展趋势,提出新技术、新产品研发方向;2.3编制注塑工艺、配色配料;2.4指导注塑机的参数调整,分析处理注塑质量问题,并进行失效分析;2.5根据客户需求与技术改进情况进行工艺调整,经批准后监督实施;2.6制定、完善注塑文件和具体操作规程;2.7设计注塑结构图,制定工艺技术要求,选定注塑加工所选用的材料;2.8对注塑工艺进行分析改进,以不断完善提高工艺流程和提高生产效率;2.9参与生产事故、质量事故的处理,执行产品质量纠正预防措施相关内容,不断改进工艺规程;3、积极参加专业培训,不断提高业务水平和专业技能4、完成上级领导交办的其它工作。权限1、注塑技术标准审核权;2、违反工艺规程的处罚建议权;3、技术革新的建议权;4、对供应商技术能力的评价权;5、新产品开发、订单评审工作的建议权;6、其它临时授权。责任1、对产品技术改进负责;2、对注塑生产工艺规程的执行监督负责;3、对技术资料的正确性与完整性负责;4、对合同/协议中的技术保证条款的准确性负责;5、对技术部涉及公司的秘密负责;任性别不限年龄25岁以上资格证工程师第2页共2页第1页共2页编号:时间:2021年x月x日书山有路勤为径,学海无涯苦作舟页码:第2页共2页职资格学历专科及以上专业机械制造等相关专业经验具有五年及以上相关工作经验。知识1、熟悉:注塑、机加等技术质量管理相关知识2、了解:模具制造知识技能具有良好的协调沟通能力。职业道德廉洁、敬业、严谨;责任心强、品行端正。

1、当您付费下载文档后,您只拥有了使用权限,并不意味着购买了版权,文档只能用于自身使用,不得用于其他商业用途(如 [转卖]进行直接盈利或[编辑后售卖]进行间接盈利)。
2、本站所有内容均由合作方或网友上传,本站不对文档的完整性、权威性及其观点立场正确性做任何保证或承诺!文档内容仅供研究参考,付费前请自行鉴别。
3、如文档内容存在违规,或者侵犯商业秘密、侵犯著作权等,请点击“违规举报”。

碎片内容

某中型制造业注塑工程师岗位说明书

您可能关注的文档

确认删除?
VIP
微信客服
  • 扫码咨询
会员Q群
  • 会员专属群点击这里加入QQ群
客服邮箱
回到顶部