电脑桌面
添加小米粒文库到电脑桌面
安装后可以在桌面快捷访问

消防调试各表VIP免费

消防调试各表_第1页
1/7
消防调试各表_第2页
2/7
消防调试各表_第3页
3/7
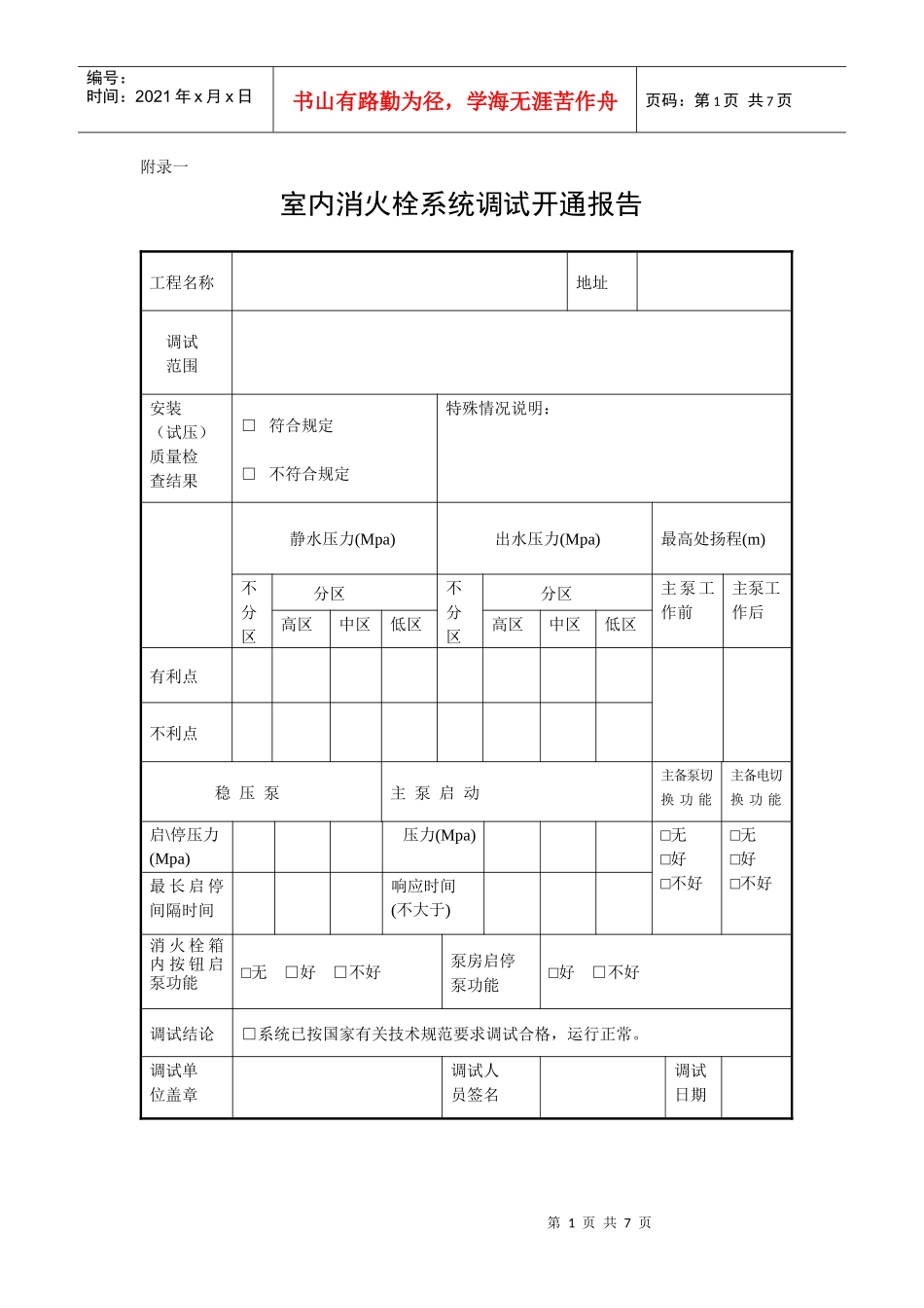
第1页共7页编号:时间:2021年x月x日书山有路勤为径,学海无涯苦作舟页码:第1页共7页附录一室内消火栓系统调试开通报告工程名称地址调试范围安装(试压)质量检查结果□符合规定□不符合规定特殊情况说明:静水压力(Mpa)出水压力(Mpa)最高处扬程(m)不分区分区不分区分区主泵工作前主泵工作后高区中区低区高区中区低区有利点不利点稳压泵主泵启动主备泵切换功能主备电切换功能启\停压力(Mpa)压力(Mpa)□无□好□不好□无□好□不好最长启停间隔时间响应时间(不大于)消火栓箱内按钮启泵功能□无□好□不好泵房启停泵功能□好□不好调试结论□系统已按国家有关技术规范要求调试合格,运行正常。调试单位盖章调试人员签名调试日期第2页共7页第1页共7页编号:时间:2021年x月x日书山有路勤为径,学海无涯苦作舟页码:第2页共7页附录二自动喷水(水雾)灭火系统调试开通报告单位名称地址调试范围安装(试压)质量检查结果□符合规定□不符合规定特殊情况说明:静水压力(Mpa)末端试水压力(Mpa)主备泵切换功能不分区分区不分区分区□无□好□不好高区中区低区高区中区低区有利点不利点稳压泵主泵启动主备电切换功能启\停压力(Mpa)压力(Mpa)□无□好□不好最长启停间隔时间(S)最长响应时间(S)报警阀启动部位(编号)最长响应时间(S)泵房启停功能□好□不好调试结论□系统已按国家有关技术规范要求调试合格,运行正常。调试单位盖章调试人员签名调试日期第3页共7页第2页共7页编号:时间:2021年x月x日书山有路勤为径,学海无涯苦作舟页码:第3页共7页附录三泡沫灭火系统调试开通报告工程名称地址调试范围安装(试压)质量检查结果□符合规定□不符合规定特殊情况说明:静水压力(Mpa)出水压力(Mpa)流量l/s不利点稳压泵主泵启动主备泵切换功能主备电切换功能启\停压力(Mpa)压力(Mpa)□无□好□不好□无□好□不好最长启停间隔时间(S)响应时间(S)现场按钮启泵功能□无□好□不好自动启泵功能□无□好□不好混合比发泡倍数调试结论□系统已按国家有关技术规范要求调试合格,运行正常。调试单位盖章调试人员签名调试日期第4页共7页第3页共7页编号:时间:2021年x月x日书山有路勤为径,学海无涯苦作舟页码:第4页共7页附录四机械防排烟系统调试开通报告工程名称地址调试范围安装质量检查结果□符合规定□不符合规定特殊情况说明:正压送风部位顶部楼层风压(Pa)风速(m/s)中间楼层风压(Pa)风速(m/s)底部楼层风压(Pa)风速(m/s)避难空间风压(Pa)风速(m/s)机械排烟量(m3或换气次数)部位风量部位风量部位风量部位风量第5页共7页第4页共7页编号:时间:2021年x月x日书山有路勤为径,学海无涯苦作舟页码:第5页共7页调试结论□系统已按国家有关技术规范要求调试合格,运行正常。调试单位盖章调试人员签名调试日期附录五火灾自动报警系统调试开通报告工程名称地址调试范围安装质量检查结果□符合规定□不符合规定特殊情况说明:报警信号□正确□不正确消防控制室启停消防水泵、防排烟风机的功能□无□好□不好控制设备上消防水泵、防排烟风机运行状态显示功能□无□正确□不正确水流指示器的反馈信号□正确□不正确电源及备用电源的反馈信号□正确□不正确信号阀的反馈信号□正确□不正确防火卷帘(门)联动控制□好□不好反馈信号□正确□不正确正压送风机(阀)□好□不好□正确□不正确排烟风机(阀)□好□不好□正确□不正确空调(电动防火阀)□好□不好□正确□不正确警报装置、火灾应急广播□好□不好广播录音内容□无□对□不对音质、音量符合规范要求□符合□不符合第6页共7页第5页共7页编号:时间:2021年x月x日书山有路勤为径,学海无涯苦作舟页码:第6页共7页消防专用电话分机或电话塞孔的设置符合规范□符合□不符合音质□好□不好电梯迫降联动控制□好□不好反馈信号□正确□不正确门禁系统联动控制□好□不好CRT、打印机的工作情况□好□不好调试结论□系统已按国家有关技术规范要求调试合格,运行正常。调试单位盖章调试人员签字调试日期附录六气体灭火系统调试开通报告单位名称地址调试范围安装质量检查结果□符合规定□不符合规定特殊情况说明:贮瓶间、防护区符合...

1、当您付费下载文档后,您只拥有了使用权限,并不意味着购买了版权,文档只能用于自身使用,不得用于其他商业用途(如 [转卖]进行直接盈利或[编辑后售卖]进行间接盈利)。
2、本站所有内容均由合作方或网友上传,本站不对文档的完整性、权威性及其观点立场正确性做任何保证或承诺!文档内容仅供研究参考,付费前请自行鉴别。
3、如文档内容存在违规,或者侵犯商业秘密、侵犯著作权等,请点击“违规举报”。

碎片内容

消防调试各表

您可能关注的文档

确认删除?
VIP
微信客服
  • 扫码咨询
会员Q群
  • 会员专属群点击这里加入QQ群
客服邮箱
回到顶部