电脑桌面
添加小米粒文库到电脑桌面
安装后可以在桌面快捷访问

环境信息交流管理程序VIP免费

环境信息交流管理程序_第1页
1/6
环境信息交流管理程序_第2页
2/6
环境信息交流管理程序_第3页
3/6
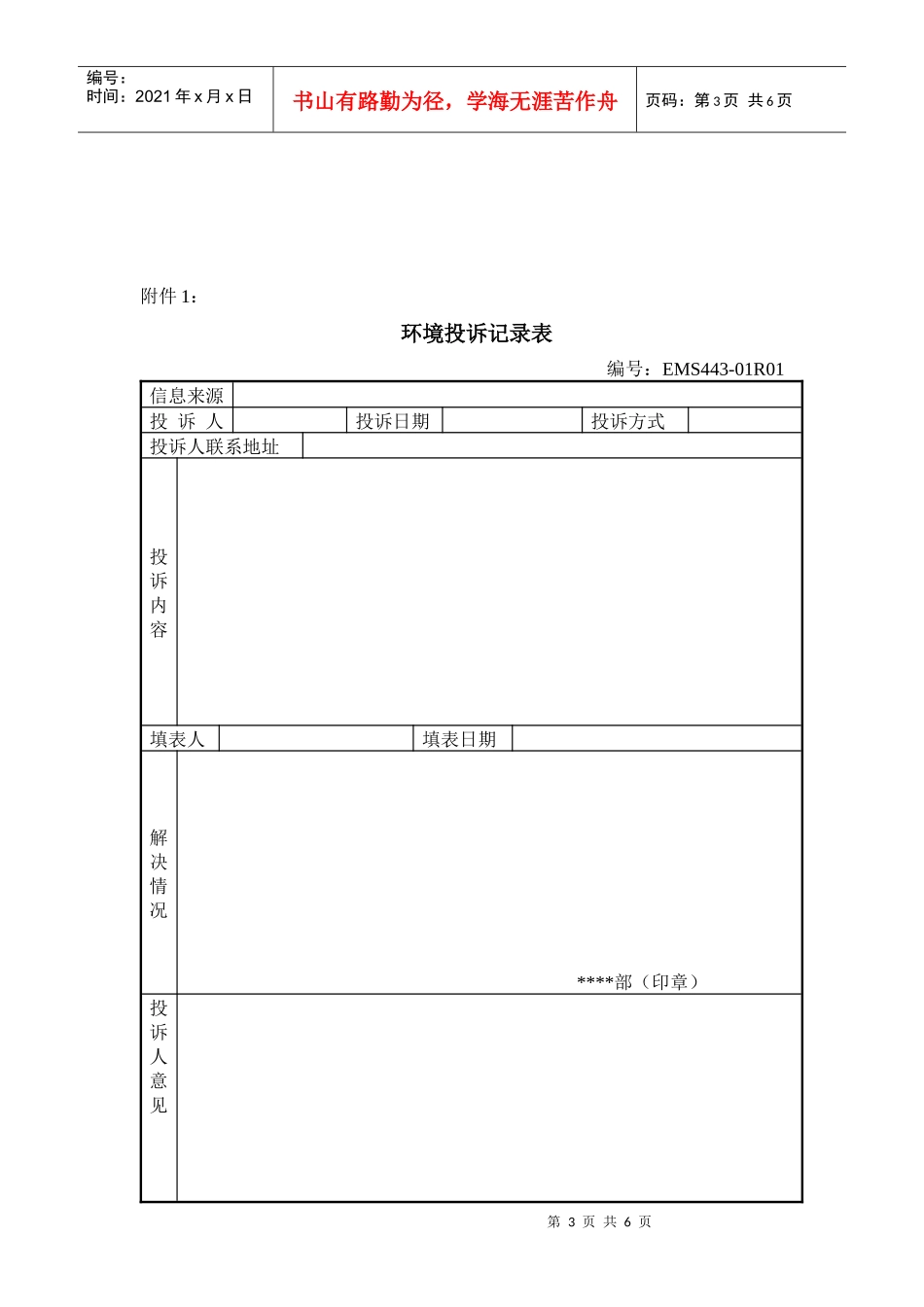
第1页共6页编号:时间:2021年x月x日书山有路勤为径,学海无涯苦作舟页码:第1页共6页文件名称环境信息交流管理程序文件编码EMS443-01起草人编制日期年月日编制依据环境管理体系规范及使用指南审核人审核日期年月日批准人批准日期年月日执行日期年月日1.目的和适用范围本程序规定了内外部各类环境信息在公司各层次各部门间的传递、处理与答复途径。适用于******有限公司对内、外部环境信息的传递和处理。2.职责2.1****部为公司环境信息交流的中心,负责接收、传达、验证、反馈及处理各类信息。2.2各部门负责落实、传达本部门的环境信息,并与****部传递有关环境信息。3.工作程序3.1环境信息的种类3.1.1外部环境信息法律法规环境信息公文环境标准化资料投诉信息与相关方签订的环境协议3.1.2内部环境信息体系文件体系三级监控形成的文件有关环境活动的信息3.2法律法规、环境信息公文、环境标准化资料的管理,按《环境法律法规与其他要求管理程序》执行。3.3环境投诉信息3.3.1环境投诉信息传递给****部。3.3.2****部将投诉信息填入《环境投诉记录表》(附件1),依据《不符合,纠正与预防措施管理程序》进行纠正处理及验证。3.3.3验证后,****部将纠正结果反馈给投诉方。3.4与相关方签订的环境协议3.4.1**部、**部、****部、****部等依据《环境因素识别与评价更新程序》、《相关方环境施加影响管理程序》与涉及需要施加环境影响的单位签订环境协议,由本部门负责保存协议,并将复印件提供****部备案。3.4.2****部负责对环境协议的执行情况每年进行一次验证。3.5内部环境信息第2页共6页第1页共6页编号:时间:2021年x月x日书山有路勤为径,学海无涯苦作舟页码:第2页共6页3.5.1体系文件的信息交流按《环境文件控制程序》进行。3.5.2体系三级监控所形成的文件信息交流按《监测和测量管理程序》、《环境管理体系审核程序》、《不符合,纠正与预防措施管理程序》执行。3.5.3各部门对日常环境活动的建议以《环境活动信息表》(附件2)的形式填报****部,****部定期将建议归纳整理并将可行性建议推行实施。4.引用文件EMS432-01《环境法律法规和其他要求管理程序》EMS431-01《环境因素识别评价与更新程序》EMS446-02《相关方环境施加影响程序》EMS452-01《不符合,纠正与预防措施管理程序》EMS451-01《监测和测量管理程序》EMS454-01《环境管理体系审核程序》5.附件:附件1:环境投诉记录表附件2:环境活动信息表附件3:环境协议验证表第3页共6页第2页共6页编号:时间:2021年x月x日书山有路勤为径,学海无涯苦作舟页码:第3页共6页附件1:环境投诉记录表编号:EMS443-01R01信息来源投诉人投诉日期投诉方式投诉人联系地址投诉内容填表人填表日期解决情况****部(印章)投诉人意见第4页共6页第3页共6页编号:时间:2021年x月x日书山有路勤为径,学海无涯苦作舟页码:第4页共6页年月日附件2:环境活动信息表编号:EMS443-01R02填报单位填报人单位领导信息内容信息状态口建议口不一致年月日接收人接收时间处理意见备注填报说明:填报单位一式三份,发行政部,接收人签字后自备一份,****部填写处理意见后,退填报单位一份。第5页共6页第4页共6页编号:时间:2021年x月x日书山有路勤为径,学海无涯苦作舟页码:第5页共6页附件3:环境协议验证表编号:EMS443-01R03序号验证内容验证结果验证人员验证时间备注第6页共6页第5页共6页编号:时间:2021年x月x日书山有路勤为径,学海无涯苦作舟页码:第6页共6页

1、当您付费下载文档后,您只拥有了使用权限,并不意味着购买了版权,文档只能用于自身使用,不得用于其他商业用途(如 [转卖]进行直接盈利或[编辑后售卖]进行间接盈利)。
2、本站所有内容均由合作方或网友上传,本站不对文档的完整性、权威性及其观点立场正确性做任何保证或承诺!文档内容仅供研究参考,付费前请自行鉴别。
3、如文档内容存在违规,或者侵犯商业秘密、侵犯著作权等,请点击“违规举报”。

碎片内容

环境信息交流管理程序

确认删除?
VIP
微信客服
  • 扫码咨询
会员Q群
  • 会员专属群点击这里加入QQ群
客服邮箱
回到顶部