电脑桌面
添加小米粒文库到电脑桌面
安装后可以在桌面快捷访问

钻井队现场安全检查考核表VIP专享VIP免费

钻井队现场安全检查考核表_第1页
1/6
钻井队现场安全检查考核表_第2页
2/6
钻井队现场安全检查考核表_第3页
3/6
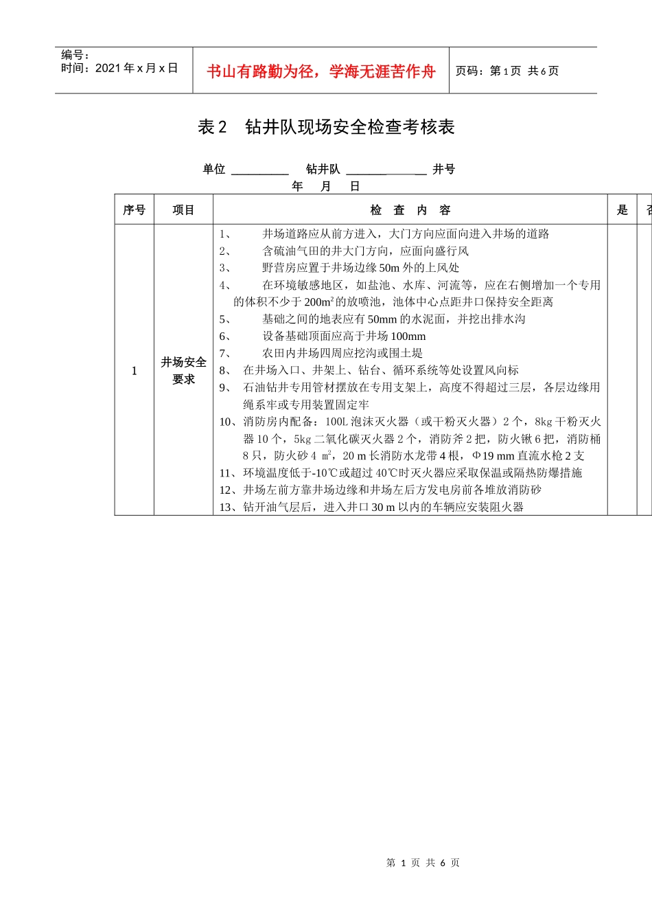
第1页共6页编号:时间:2021年x月x日书山有路勤为径,学海无涯苦作舟页码:第1页共6页表2钻井队现场安全检查考核表单位__________钻井队_________井号年月日序号项目检查内容是否1井场安全要求1、井场道路应从前方进入,大门方向应面向进入井场的道路2、含硫油气田的井大门方向,应面向盛行风3、野营房应置于井场边缘50m外的上风处4、在环境敏感地区,如盐池、水库、河流等,应在右侧增加一个专用的体积不少于200m2的放喷池,池体中心点距井口保持安全距离5、基础之间的地表应有50mm的水泥面,并挖出排水沟6、设备基础顶面应高于井场100mm7、农田内井场四周应挖沟或围土堤8、在井场入口、井架上、钻台、循环系统等处设置风向标9、石油钻井专用管材摆放在专用支架上,高度不得超过三层,各层边缘用绳系牢或专用装置固定牢10、消防房内配备:100L泡沫灭火器(或干粉灭火器)2个,8kg干粉灭火器10个,5kg二氧化碳灭火器2个,消防斧2把,防火锹6把,消防桶8只,防火砂4m2,20m长消防水龙带4根,Ф19mm直流水枪2支11、环境温度低于-10℃或超过40℃时灭火器应采取保温或隔热防爆措施12、井场左前方靠井场边缘和井场左后方发电房前各堆放消防砂13、钻开油气层后,进入井口30m以内的车辆应安装阻火器第2页共6页第1页共6页编号:时间:2021年x月x日书山有路勤为径,学海无涯苦作舟页码:第2页共6页序号项目检查内容是否2井场安全标志1、井场入口处:入场须知牌、危险区分布和紧急逃生路线2、上钻台处:“戴安全帽、必须穿戴防护用品、防掉、防滑放坠落”3、绞车、柴油机、发电机等机械设备处:“防机械伤人”4、井架梯子、高空作业处:“必须系保险带”5、油灌区:“严禁烟火”6、发电房等:“危险有电”7、节流压井管汇、高压闸门处:“禁止乱动闸门”8、消防器材处:“禁止乱动消防器材”9、气焊气瓶处:“禁止混放”10、大门坡到处:“禁止吊管下过人”11、储气瓶处:“当心超压”12、钻台上、坐岗房处:“当心井喷”13、绞车和辅助小绞车处:“当心缠乱”14、在井场上风口位置:“应急集合”标志序号项目检查内容是否3起升系统1、新井架正常使用5年,进行一次承载能力检测;以后每3年至少进行一次可靠性检测2、防碰天车工作灵活,工作时总离合器、高低速离合器同时放气,1s内将滚筒刹死3、各种平台板面,齐全,平整,牢固,间隙不超过59mm4、梯子、扶手、护栏齐全、紧固完好5、销子应有锁紧保险装置6、吊环应有直径不小于12.7mm钢丝绳作为保险绳7、吊钩应有防脱功能8、大门绷绳应用Ф19mm的钢丝绳,固定牢靠,死滑轮封口拴牢第3页共6页第2页共6页编号:时间:2021年x月x日书山有路勤为径,学海无涯苦作舟页码:第3页共6页序号项目检查内容是否4钢丝绳1、井架绷绳与地面夹角为40~50°,使用绳卡和花篮螺丝,并配保险绳2、内外钳吊绳:Ф12.7mm,不少于2个绳卡3、内外钳尾绳:Ф22mm,卡3个绳卡4、液压大钳吊绳:Ф12.7mm,卡3个绳卡5、大绳死端穿齐防跳螺杆;压板并帽齐全,防滑卡2只,方向正确6、大绳活端防滑卡3只,压板不少于2只7、自升式井架起升绳每一扭断丝不超过2丝8、6×7钢丝绳的一扭中断丝少于3根,5×6钢丝绳一扭绳中随机分布断丝少于6根;固定不动绳索的钢丝绳,一扭绳中的一小股断丝少于3根9、小绞车起重钢丝绳应采用不小于Ф16mm的钢丝绳5动力设备1、固定可靠,仪表齐全、灵敏、准确,工作正常2、外露运动件上护罩齐全,且固定牢靠3、空气罐安全阀灵敏可靠,在校验期内4、各种车辆穿越裸露在地面上的油气水管线及电缆时,应采取保护措施5、油、气、水不渗不漏6、发电房外壳应接地,接地电阻不宜超过4Ω7、机房配8kg二氧化碳灭火器3只,发电房配8kg二氧化碳灭火器2只6循环罐1、循环罐人行通道、护栏,齐全、坚固、不摇晃,护栏高度1.05m~1.20m2、罐面平整,间隙不超过59mm3、外露运动件上护罩齐全,且固定牢靠4、上、下钻井液罐组的梯子不少于3个5、录井用缓冲罐应设置防护栏和梯子第4页共6页第3页共6页编号:时间:2021年x月x日书山有路勤为径,学海无涯苦作舟页码:第4页共6页序号项目检查内容是否7钻井泵及管汇1、空气包充压值为工程设计泵压的1/3~1/42、钻井泵安全阀...

1、当您付费下载文档后,您只拥有了使用权限,并不意味着购买了版权,文档只能用于自身使用,不得用于其他商业用途(如 [转卖]进行直接盈利或[编辑后售卖]进行间接盈利)。
2、本站所有内容均由合作方或网友上传,本站不对文档的完整性、权威性及其观点立场正确性做任何保证或承诺!文档内容仅供研究参考,付费前请自行鉴别。
3、如文档内容存在违规,或者侵犯商业秘密、侵犯著作权等,请点击“违规举报”。

碎片内容

钻井队现场安全检查考核表

确认删除?
VIP
微信客服
  • 扫码咨询
会员Q群
  • 会员专属群点击这里加入QQ群
客服邮箱
回到顶部