电脑桌面
添加小米粒文库到电脑桌面
安装后可以在桌面快捷访问

水务工程技术负责人培训课件VIP专享VIP免费

水务工程技术负责人培训课件_第1页
1/46
水务工程技术负责人培训课件_第2页
2/46
水务工程技术负责人培训课件_第3页
3/46
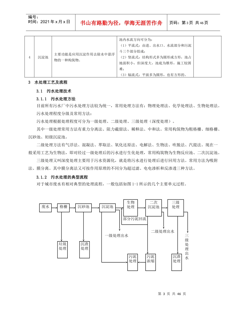
第1页共46页编号:时间:2021年x月x日书山有路勤为径,学海无涯苦作舟页码:第1页共46页技术负责人培训课件水务工程讲义第2页共46页第1页共46页编号:时间:2021年x月x日书山有路勤为径,学海无涯苦作舟页码:第2页共46页第一章基础知识1概述水是生产、生活不可或缺的重要资源,随着全国乃至全球范围的资源性缺水和水质性缺水地区不断扩大,如何合理利用与有效保护水资源已成为制约社会、经济发展的重要因素。在此背景下,一个新的市场——“水务市场”正在形成,与之伴生的是“水务业”,即由城市原水、供水、排水、污水处理与回用构成的产业链。1.1给水系统简介给水系统是保证城市、工矿企业等用水的各项构筑物和输配水管网组成的系统,它是由相互联系的一系列构筑物和输配水管网组成,它的任务是从水源取水,按照用户对水质的要求进行处理,然后将水输送到用水区,并向用户配水。1.2污水系统简介环境保护与可持续发展是我国国策,得到我国广大群众的衷心拥护,并已成为人们的自觉行为。近几十年来,污水处理技术无论在理论研究方面还是在应用方面,都取得了一定的进展,新工艺、新技术大量涌现,如AB法工艺,间歇式(序列式)活性污泥法,脱氮、除磷的A-O系统,同步脱氮除磷的A-A-O系统等;氧化沟系统和高效低耗的污水自然处理技术。2厂区主要构筑物功能及结构形式表1-1厂区主要构筑物功能及结构形式统计表序号构筑物名称主要功能结构形式备注1进水泵房主要是将上游来水提升至后续处理单元所要求的高度,使其实现重力自流。(1)按水泵启动前能否自流充水分为自灌式泵房和非自灌式泵房。(2)按泵房的平面形状,可以分为圆形泵房和矩形泵房。(3)按集水池与机器间的组合情况,可分为合建式泵房和分建式泵房。(4)按照控制的方式又可分为人工控制、自动控制和遥控三种。基本组成包括:机器间、集水池、格栅、辅助间。机器间内设置水泵机组和有关的附属设备。2沉砂池主要用于去除污水中粒径大于0.2mm,密度大于2.65t/立方米的砂粒,以保护管道、阀门等设施免受磨损和阻塞,工作原理是以重力分离为基础。主要有平流沉砂池、曝气沉砂池(现代常用形式)、旋流沉砂池等类。3曝气池主要功能是不断地把空气打入水中,或利用机械搅拌作用使空气中的氧溶入水中,是活性污泥法进行污水处理的主要构筑物。主要由池体、曝气系统和进出水口三个部分组成。池体一般用钢筋混凝土筑成,平面形状有长方形、方形和圆形等。第3页共46页第2页共46页废水格栅沉砂池沉淀池生物处理二次沉淀池三级处理污泥处理垃圾处理沉渣处理污泥浓缩一级处理出水沉渣处理二级处理出水部分污泥回流三级处理出水编号:时间:2021年x月x日书山有路勤为径,学海无涯苦作舟页码:第3页共46页4沉淀池主要功能是应用沉淀作用去除水中悬浮物的一种构筑物。池内水流方向可分为:(1)平流式:由进、出水口、水流部分和污泥斗三个部分组成;(2)竖流式:结构形式多为圆形或方形,池占地面积小,但深度大,池底为锥形,施工较困难;(3)辐流式:平面多为圆形,也有方形的。3水处理工艺及流程3.1污水处理技术3.1.1污水处理方法目前所有污水厂中污水处理方法较为统一,常用处理方法有:物理处理法、化学处理法、生物处理法。污水处理程度分级及常用方法:污水处理根据处理程度可分为一级处理、二级处理、三级处理(深度处理)。其中一级处理常用方法有重力分离法、阻力截留法、稀释法、中和法。常用构筑物为粗格栅、细格栅、沉砂池、初级沉淀池。二级处理方法有气浮法、混凝法、萃取法、氧化还原法、电解法、生物法、吹脱法、汽提法。现在一般采用工艺为生物法,即对经过一级处理后的污水进行生化处理,常用构筑物为生物反应池、二次沉淀池。三级处理又叫深度处理主要用于污水资源化,就是将污水进行处理后进行回用方法。常用方法为吸附法、膜分离。其中膜分离法又可按作用原理的不同分为超过滤、电电渗析和反渗透三种方法。3.1.2污水处理的典型流程对于城市废水有相对典型的处理流程,一般包括如图1-1所示的几个主要单元过程。第4页共46页第3页共46页曝气池进水沉淀池二次出水压缩空气剩余污泥回流污泥编号:时间...

1、当您付费下载文档后,您只拥有了使用权限,并不意味着购买了版权,文档只能用于自身使用,不得用于其他商业用途(如 [转卖]进行直接盈利或[编辑后售卖]进行间接盈利)。
2、本站所有内容均由合作方或网友上传,本站不对文档的完整性、权威性及其观点立场正确性做任何保证或承诺!文档内容仅供研究参考,付费前请自行鉴别。
3、如文档内容存在违规,或者侵犯商业秘密、侵犯著作权等,请点击“违规举报”。

碎片内容

水务工程技术负责人培训课件

确认删除?
VIP
微信客服
  • 扫码咨询
会员Q群
  • 会员专属群点击这里加入QQ群
客服邮箱
回到顶部