电脑桌面
添加小米粒文库到电脑桌面
安装后可以在桌面快捷访问

高铁人员培训大纲(接触网工)VIP免费

高铁人员培训大纲(接触网工)_第1页
1/8
高铁人员培训大纲(接触网工)_第2页
2/8
高铁人员培训大纲(接触网工)_第3页
3/8
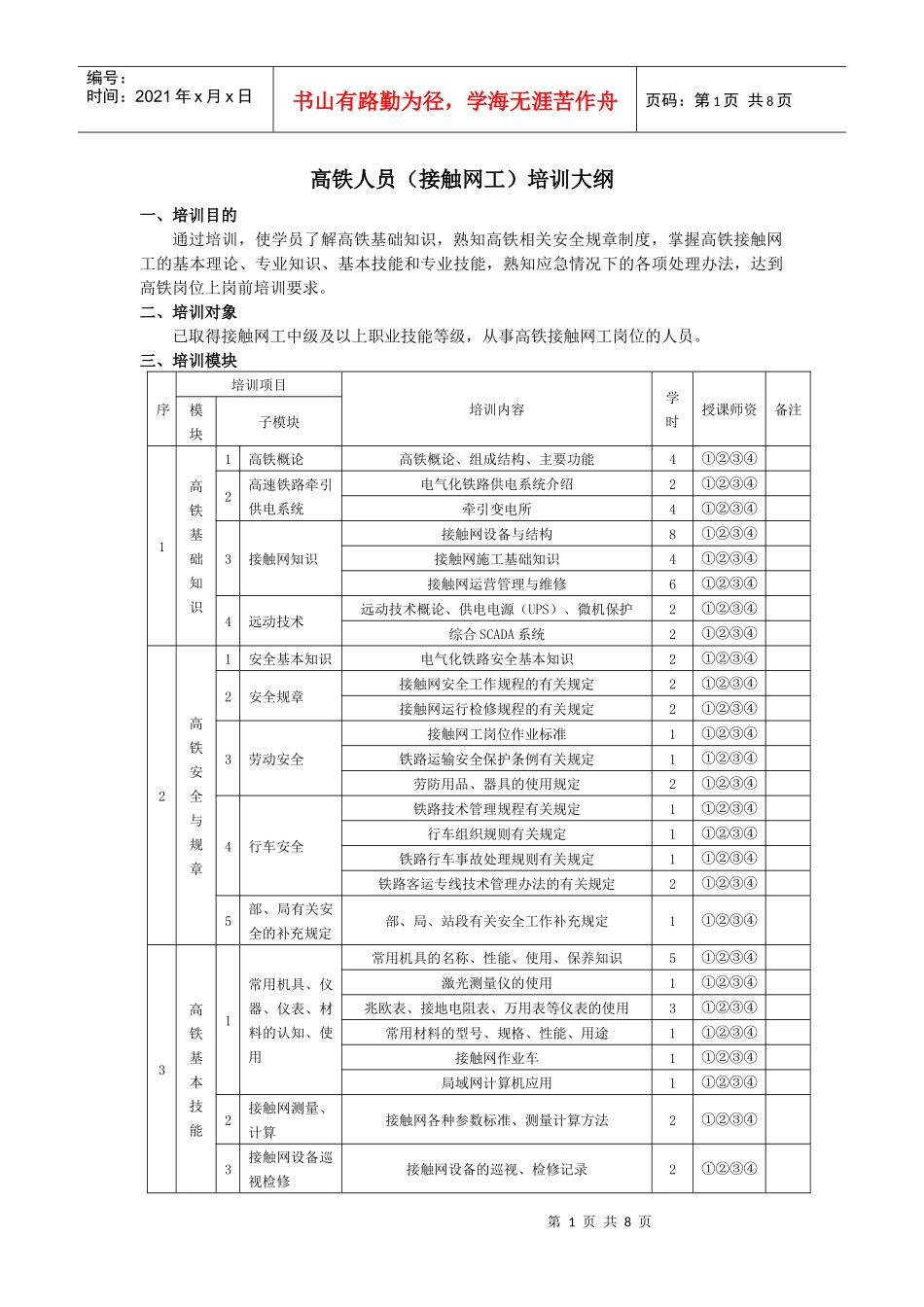
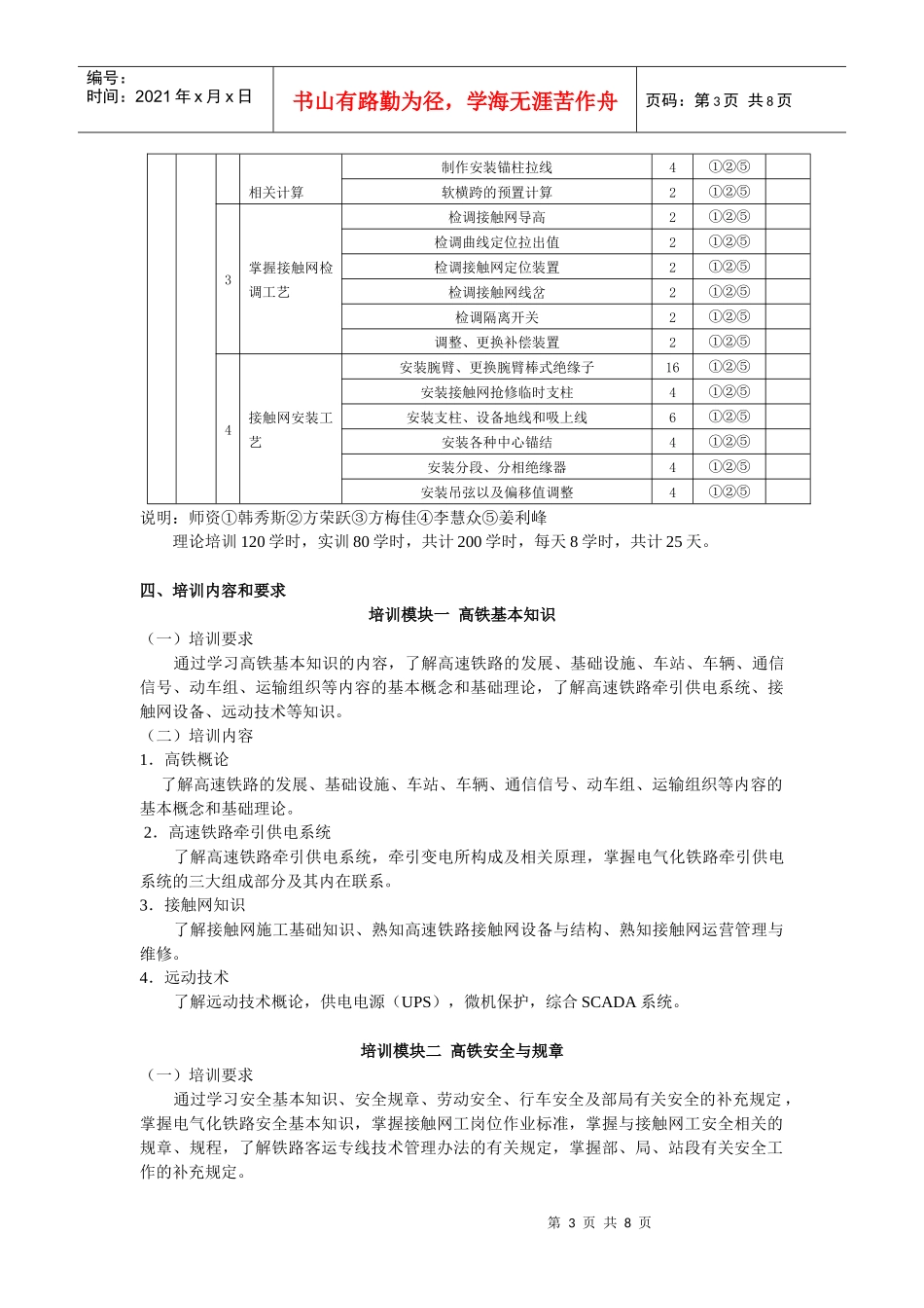
第1页共8页编号:时间:2021年x月x日书山有路勤为径,学海无涯苦作舟页码:第1页共8页高铁人员(接触网工)培训大纲一、培训目的通过培训,使学员了解高铁基础知识,熟知高铁相关安全规章制度,掌握高铁接触网工的基本理论、专业知识、基本技能和专业技能,熟知应急情况下的各项处理办法,达到高铁岗位上岗前培训要求。二、培训对象已取得接触网工中级及以上职业技能等级,从事高铁接触网工岗位的人员。三、培训模块序培训项目培训内容学时授课师资备注模块子模块1高铁基础知识1高铁概论高铁概论、组成结构、主要功能4①②③④2高速铁路牵引供电系统电气化铁路供电系统介绍2①②③④牵引变电所4①②③④3接触网知识接触网设备与结构8①②③④接触网施工基础知识4①②③④接触网运营管理与维修6①②③④4远动技术远动技术概论、供电电源(UPS)、微机保护2①②③④综合SCADA系统2①②③④2高铁安全与规章1安全基本知识电气化铁路安全基本知识2①②③④2安全规章接触网安全工作规程的有关规定2①②③④接触网运行检修规程的有关规定2①②③④3劳动安全接触网工岗位作业标准1①②③④铁路运输安全保护条例有关规定1①②③④劳防用品、器具的使用规定2①②③④4行车安全铁路技术管理规程有关规定1①②③④行车组织规则有关规定1①②③④铁路行车事故处理规则有关规定1①②③④铁路客运专线技术管理办法的有关规定2①②③④5部、局有关安全的补充规定部、局、站段有关安全工作补充规定1①②③④3高铁基本技能1常用机具、仪器、仪表、材料的认知、使用常用机具的名称、性能、使用、保养知识5①②③④激光测量仪的使用1①②③④兆欧表、接地电阻表、万用表等仪表的使用3①②③④常用材料的型号、规格、性能、用途1①②③④接触网作业车1①②③④局域网计算机应用1①②③④2接触网测量、计算接触网各种参数标准、测量计算方法2①②③④3接触网设备巡视检修接触网设备的巡视、检修记录2①②③④第2页共8页第1页共8页编号:时间:2021年x月x日书山有路勤为径,学海无涯苦作舟页码:第2页共8页4高铁专业技能1接触网构件制作工艺接触网线索、吊弦制作工艺2①②⑤接触线、承力索等各种接头制作2①②⑤制作安装电连接2①②⑤预制软横跨2①②⑤制作安装锚柱拉线2①②⑤2日常检调工作、接触网检调标准检调接触网导高3①②⑤检调曲线定位拉出值2①②⑤检调接触网定位装置2①②⑤检调接触网线岔3①②⑤检调隔离开关、避雷器及接地线装置3①②⑤调整、更换补偿装置2①②⑤3接触网安装工艺腕臂安装、腕臂棒式绝缘子更换3①②⑤安装支柱、设备地线和吸上线3①②⑤安装各种中心锚结3①②⑤安装分段、分相绝缘器3①②⑤安装吊弦以及偏移值调整3①②⑤5应急处理办法1接触网设备事故的分类与处理事故的原则接触网设备事故的分类1①②③接触网设备事故的原则与设备抢修中的注意事项2①②③2事故分析与事故预防事故分析与事故预防1①②③3接触网设备事故及其处理承力索事故及其处理1①②③接触线事故及其处理1①②③吊弦或吊索故障及其处理1①②③支持装置故障及其处理1①②③定位装置事故及其处理1①②③锚段关节事故及其处理1①②③补偿装置事故及其处理1①②③线岔事故及其处理1①②③分段绝缘器故障及其处理1①②③电连接器事故及其处理1①②③隔离开关事故1①②③支柱事故及其处理1①②③6实训内容1掌握接触网各种机具、仪器、仪表使用正确操作接触网作业车操作平台2①②⑤正确使用段局域网各种功能2①②⑤正确使用激光测量仪测量导高及侧面限界2①②⑤正确使用兆欧表、接地电阻表、万用表等4①②⑤常用材料的正确使用2①②⑤2掌握接触网相关构件的组成与制作工艺、制作接触网线索、吊弦4①②⑤制作接触线、承力索等各种接头4①②⑤制作安装电连接4①②⑤第3页共8页第2页共8页编号:时间:2021年x月x日书山有路勤为径,学海无涯苦作舟页码:第3页共8页相关计算制作安装锚柱拉线4①②⑤软横跨的预置计算2①②⑤3掌握接触网检调工艺检调接触网导高2①②⑤检调曲线定位拉出值2①②⑤检调接触网定位装置2①②⑤检调接触网线岔2①②⑤检调隔离开关2①②⑤调整、更换补偿装置2①②⑤4接触网安装工艺安装腕臂、更...

1、当您付费下载文档后,您只拥有了使用权限,并不意味着购买了版权,文档只能用于自身使用,不得用于其他商业用途(如 [转卖]进行直接盈利或[编辑后售卖]进行间接盈利)。
2、本站所有内容均由合作方或网友上传,本站不对文档的完整性、权威性及其观点立场正确性做任何保证或承诺!文档内容仅供研究参考,付费前请自行鉴别。
3、如文档内容存在违规,或者侵犯商业秘密、侵犯著作权等,请点击“违规举报”。

碎片内容

高铁人员培训大纲(接触网工)

确认删除?
VIP
微信客服
  • 扫码咨询
会员Q群
  • 会员专属群点击这里加入QQ群
客服邮箱
回到顶部