电脑桌面
添加小米粒文库到电脑桌面
安装后可以在桌面快捷访问

科技档案归档材料内容VIP专享VIP免费

科技档案归档材料内容_第1页
1/8
科技档案归档材料内容_第2页
2/8
科技档案归档材料内容_第3页
3/8
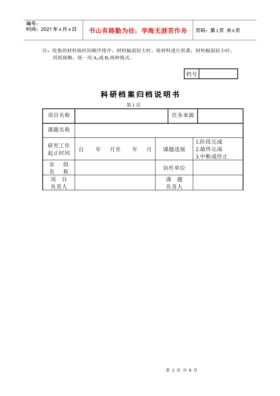
第1页共8页编号:时间:2021年x月x日书山有路勤为径,学海无涯苦作舟页码:第1页共8页科技档案归档材料内容按科研工作的五个阶段分:基础(应用)研究课题归档范围科研工阶段作管理文件科技材料科研准备1.开题报告与课题论证材料2.申请报告及批件3.任务书、协议书4.课题研究计划(含各年度或阶段)1.文献调研、综述报告2.实验、调查、考察、观察方案等研究实验1.课题研究计划执行情况2.计划调查或撤销报告1.实验、测试、野外调查、考察的各种原始记录及综合分析材料2.数据处理材料,包括计算机处理材料(如程序设计说明、计算结果等)3.设计文件和图纸4.阶段研究工作小结5.样品或标本等实物的目录6.照片、底片、幻灯片、录像带、多媒体演示等总结鉴定验收1.课题工作总结2.科研投资情况和经费预决算材料3.鉴定证书或视同鉴定证书的文件4.鉴定会材料(评审人签名单、会议纪要、评审意见等)5.使用意见(指应用研究课题)6.经济效益或社会效益证明材料(指应用研究课题)1.研究报告2.论文和专著3.工艺技术报告(指应用研究课题)成果申报和奖励1.科技成果登记表2.科技成果奖励申报书3.获奖材料(奖章、奖状或证书)4.专利申请书和证书推广应用1.成果被引用情况材料2.转让合同或协议书(指引用研究课题)3.成果宣传报道材料4.成果投产被引用或投产后反馈意见1.国内外学术交流材料2.开发和推广引用方案及实施情况材料(指引用意见课题)第2页共8页第1页共8页编号:时间:2021年x月x日书山有路勤为径,学海无涯苦作舟页码:第2页共8页注:收集的材料按时间顺序排序,材料幅面较大时,将材料进行折叠,材料幅面较小时,用纸裱糊,统一用A4或B5两种格式。档号科研档案归档说明书第1页项目名称任务来源课题名称研究工作起止时间自年月至年月课题进展1.阶段完成2.最终完成3.中断或停止室组名称协作单位项目负责人课题负责人第3页共8页第2页共8页编号:时间:2021年x月x日书山有路勤为径,学海无涯苦作舟页码:第3页共8页课题研究及主要结果简介第2页第4页共8页第3页共8页编号:时间:2021年x月x日书山有路勤为径,学海无涯苦作舟页码:第4页共8页课题内容提要科研投资和经费支出情况档案数量本课题档案共卷第5页共8页第4页共8页编号:时间:2021年x月x日书山有路勤为径,学海无涯苦作舟页码:第5页共8页第3页参加本项研究工作人员名单序号姓名职务或职称承担何工作起止时间备注自年月自年月自年月自年月自年月自年月自年月自年月自年月自年月自年月自年月自年月自年月自年月自年月自年月自年月自年月自年月自年月自年月自年月自年月自年月自年月自年月自年月自年月自年月自年月自年月自年月自年月以上各项由课题负责人填写。课题负责人签字:年月日第6页共8页第5页共8页编号:时间:2021年x月x日书山有路勤为径,学海无涯苦作舟页码:第6页共8页第4页档案审查的主要内容:本课题(项目)档案是否完整、准确,是否整理系统,便于保存和利用。档案审查意见课题组负责人签字年月日研究室负责人签字年月日单位主管领导领导人签字年月日档案部门审查人签字年月日课题验收或鉴定日期年月日鉴定级别第7页共8页第6页共8页编号:时间:2021年x月x日书山有路勤为径,学海无涯苦作舟页码:第7页共8页成果获奖情况填写人签字年月日档号卷内目录共页第页序号文件题名文件编号责任人(执笔人)制成日期页号或页数备注第8页共8页第7页共8页编号:时间:2021年x月x日书山有路勤为径,学海无涯苦作舟页码:第8页共8页

1、当您付费下载文档后,您只拥有了使用权限,并不意味着购买了版权,文档只能用于自身使用,不得用于其他商业用途(如 [转卖]进行直接盈利或[编辑后售卖]进行间接盈利)。
2、本站所有内容均由合作方或网友上传,本站不对文档的完整性、权威性及其观点立场正确性做任何保证或承诺!文档内容仅供研究参考,付费前请自行鉴别。
3、如文档内容存在违规,或者侵犯商业秘密、侵犯著作权等,请点击“违规举报”。

碎片内容

科技档案归档材料内容

确认删除?
VIP
微信客服
  • 扫码咨询
会员Q群
  • 会员专属群点击这里加入QQ群
客服邮箱
回到顶部